K0351.2002

K0351.2002

105,74 zł netto
130,05 zł brutto
Netto
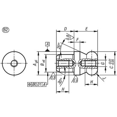
KOLEK INNENGEWINDE BEIDSEITIG RO.2 C=20, A=20, G=M05, FORMA:B STEPPED WITH BALL-END, STAL NARZEDZIOWA
K0351.2002
1000 Przedmioty
Możesz uzyskać dodatkowy rabat w ramacha stanu 1000 dostępnych produktów!
Ilość

  Najniższe ceny na ponad 87 000 części

Kippa do maszyn przemysłowych!

  Oryginalny towar bezpośrednio od producenta,

a także tańsze odpowiedniki wysokiej jakości.

  Świadczymy usługi naprawy, dorabiania

oraz regeneracji komponentów maszyn.

Opis produktu K0351.2002

Grupa asortymentu: K0351

Materiał: Stal narzędziowa lub stal nierdzewna 1.4305.

Wersja: Stal hartowana i szlifowana. Stal nierdzewna, szlifowana i kolsteryzowana. Numer artykułu: K0351.20.

Wskazówka: Kołki pozycjonujące z wprowadzeniem kulistym ułatwiają swoim kształtem nasadzanie pozycjonowanego elementu. Zakleszczanie, określane też jako efekt szuflady, powstające na skutek ukośnego nałożenia łącznika lub wywołane przez siły, które nie działają w osi trzpienia podczas nasuwania, zostało zminimalizowane przez wprowadzenie kuliste i powstający skos (patrz schemat łączenia 1). Wskazówka dotycząca planu:.
K0351.2002
1000 Przedmioty

Opis

Ciężar w kg (ERP)
0.0573
H
10
D
14
B
14
Rozmiar
2
Materiał korpusu
stal narzędziowa
Region pochodzenia
08
Kraj pochodzenia
DE
RoHS
true
A
20
Forma
B
Możliwość mocowania
średnica pasowana
E
20
G
M5
F
5
J
R 5
C Średnica
20
Otwór rdzeniowy gwintowany
otwór nieprzelotowy

Specyficzne kody

ean13
4059245950041

Części do maszyn przemysłowych - ACC24.pl

Oferta prezentowana w sklepie ACC24.pl obejmuje jedynie niewielką część posiadanego asortymentu oferowanego przez Accourate Group (biuro handlowe w Toruniu przy ul. Towarowej 5). Jeżeli szukasz części, która nie znajduje się w ofercie online, to warto abyś skontaktował się z nami telefonicznie lub mailowo. Bardzo rzadko nie jesteśmy w stanie dostarczyć elementu maszyny, który wymaga wymiany.

Od ponad trzydziestu lat wspieramy europejskie zakłady produkcyjny w utrzymaniu ciągłości produkcji i w redukcji kosztów utrzymania ruchu. Nasze zaplecze magazynowe, to ogromny wybór komponentów i części do maszyn, również tych już wycofanych z produkcji i trudno dostępnych. Świadczymy także usługi regeneracji i dorabiania części do maszyn przemysłowych; doradzamy m.in. w podniesieniu wydajności linii produkcyjnych, w zwiększeniu ergonomii użytkowania czy zwiększeniu bezpieczeństwa na hali produkcyjnej.


Współpraca Accourate Group z marką Kipp przekłada się na atrakcyjne warunki sprzedaży i opieki posprzedażowej Klientów:

  • najniższe ceny w Polsce na produkty Kippa,
  • wyłącznie oryginalne części wysyłane z magazynów firmy Kipp,
  • gwarancję producenta oraz opiekę pogwarancyjną i serwis Accourate Group,
  • doradztwo i wsparcie inżyniera przy doborze optymalnych rozwiązań,
  • indywidualne stany magazynowe na życzenie dla stałych Odbiorców.

Seria K0351 elementów manipulacyjnych Kipp

W ofercie sklepu internetowego ACC24.pl nie mogło zabraknąć elementów manipulacyjnych marki Kipp.

Elementy manipulacyjne to stosunkowo proste rozwiązania mechaniczne stosowane w maszynach, urządzeniach i liniach technologicznych, przeznaczone do ręcznego sterowania, regulacji, pozycjonowania oraz ustalania elementów roboczych. Wykorzystywane są w aplikacjach przemysłowych, gdzie wymagane jest szybkie i powtarzalne wykonywanie nastaw bez użycia narzędzi. Do tej grupy należą m.in. pokrętła i gałki regulacyjne, dźwignie mimośrodowe, uchwyty maszynowe, koła nastawcze z podziałką, trzpienie ustalające, rygle, zawiasy techniczne oraz elementy tłumiące drgania. Elementy manipulacyjne odgrywają istotną rolę w eksploatacji maszyn i systemów automatyki, wpływając na ergonomię obsługi, niezawodność pracy oraz ograniczenie przestojów wynikających z regulacji i przezbrojeń.