K1672.0608AN

K1672.0608AN

86,79 zł netto
106,75 zł brutto
Netto
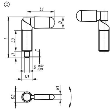
RYGIEL, D=8, 5/8-18, FORMA:C Z TULEJKĄ GWINTOWANĄ/KAPT, STAL OKSYDOWANY, KOMP:POLIAMID CIEMNOSZARY RAL7021
K1672.0608AN
1000 Przedmioty
Możesz uzyskać dodatkowy rabat w ramacha stanu 1000 dostępnych produktów!
Ilość

  Najniższe ceny na ponad 87 000 części

Kippa do maszyn przemysłowych!

  Oryginalny towar bezpośrednio od producenta,

a także tańsze odpowiedniki wysokiej jakości.

  Świadczymy usługi naprawy, dorabiania

oraz regeneracji komponentów maszyn.

Opis produktu K1672.0608AN

Grupa asortymentu: K1672

Rygle są stosowane wszędzie tam, gdzie należy zapobiec zmianie pozycji części w wyniku działania sił poprzecznych. Obrót rygla o 180° powoduje wsunięcie trzpienia ustalającego, aby możliwa była zmiana położenia blokady. Dzięki zapadce rygiel zostaje zablokowany w tym położeniu, a trzpień ustalający pozostaje wsunięty.

Materiał: Rygiel 1.0503. Tuleja gwintowana i trzpień ustalający – stal automatowa. Sprężyna dociskowa 1.4310. Kapturek rygla, termoplast PA.

Wersja: Tuleja gwintowana i rygiel oksydowane. Trzpień ustalający hartowany, szlifowany i oksydowany. Sprężyna dociskowa niepowlekana. Kapturek rygla: - ciemnoszary RAL 7021.

Zalety: Trzpień ustalający wycofuje się przez obrót rygla o 180°. Montaż na gwincie zewnętrznym.

Dodatkowe informacje: Wykonania specjalne.

Wyposażenie: Elementy przytrzymujące K0638. Tuleje pozycjonujące K1290, K1839, K1840.
K1672.0608AN
1000 Przedmioty

Opis

Ciężar w kg (ERP)
0.0749
H
10
D2
16
D1
5/8-18
B
16,6
Materiał komponentów
poliamid
Materiał korpusu
stal
Region pochodzenia
08
Kraj pochodzenia
DE
RoHS
true
UNSPSC Code
31162800
Powierzchnia korpusu
oksydowane
L
62,3
Kolor komponentów
ciemnoszary RAL 7021
Forma
C
Typ formy
z tulejką gwintowaną, z kapturkiem
B1
7
L3
32
L1 Długość uchwytu
41,5
Siła sprężyny koniec F2 ok. N
35
Siła sprężyny początek F1 ok. N
15
F x 30°
2,3
Nakrętka zabezpieczająca
bez nakrętki zabezpieczającej
D Średnica sworznia blokująceg
8

Specyficzne kody

ean13
4059245818952

Accurate Group – dystrybucja komponentów maszynowych w standardzie calowym (inch).

Accurate Group od ponad 30 lat specjalizuje się w dostawach komponentów oraz części zamiennych do maszyn i urządzeń przemysłowych dla zakładów produkcyjnych z różnych sektorów przemysłu. Dysponujemy rozbudowanym zapleczem magazynowym, obejmującym zarówno aktualne serie produkcyjne, jak i elementy trudno dostępne, archiwalne lub wycofane z bieżącej oferty producentów. Platforma ACC24.pl prezentuje jedynie wybraną część naszego asortymentu – w szczególności komponenty marki Kipp – mimo że baza obejmuje około 87 000 indeksów katalogowych. W przypadku braku poszukiwanej pozycji w sklepie internetowym rekomendujemy bezpośredni kontakt techniczny. W większości przypadków jesteśmy w stanie dostarczyć lub sprowadzić wymagany element zamienny.

Uzupełnieniem naszej oferty są usługi dorabiania części na podstawie dokumentacji technicznej oraz regeneracji zużytych podzespołów.

Kategoria „inch”

W ofercie elementów z serii K1672 są dostępne warianty calowe (inch). Oznaczenie „inch” nie jest odrębnym rodzajem części zamiennych, lecz odnosi się do wariantów w systemie calowym – odpowiedników z systemu metrycznego. Jako główny dystrybutor Heinrich Kipp Werk zapewniamy pełne portfolio części zamiennych producenta, dostępnych zarówno w systemie metrycznym, jak i calowym, dedykowanym w szczególności maszynom stosowanym na rynkach amerykańskim oraz brytyjskim. Jednostka cal odpowiada wartości 25,4 mm w układzie metrycznym.

Komponenty z serii K1672.0608AN w wykonaniu calowym.

Część zamienna o oznaczeniu katalogowym K1672.0608AN jest oryginalnym komponentem marki Kipp, dostarczanym bezpośrednio z zasobów magazynowych producenta.

Stała współpraca z firmą Heinrich Kipp Werk przekłada się na wymierne korzyści dla naszych Odbiorców:

  • konkurencyjne warunki cenowe na rynku krajowym, również dla elementów z serii K1672;
  • merytoryczne wsparcie techniczne i inżynierskie przy doborze komponentów do konkretnych aplikacji;
  • krótkie terminy realizacji zamówień oraz możliwość utrzymywania dedykowanych stanów magazynowych;
  • oryginalną gwarancję producenta oraz rozszerzone wsparcie serwisowe, obejmujące regenerację i produkcję części niestandardowych;
  • dostęp do specjalistycznych materiałów technicznych, dokumentacji oraz szkoleń;
  • doradztwo w zakresie optymalizacji kosztów utrzymania ruchu oraz usprawniania sekcji linii produkcyjnych.