K0631.7004AK

K0631.7004AK

58,11 zł netto
71,47 zł brutto
Netto
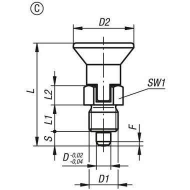
TRZPIEN USTALAJACY RO.0 D1=5/16-24, D=4, FORMA:C Z KLAMI PODPIERAJACYMI BEZ NAKRĘTKI ZABEZPIECZAJ, WERSJA KRÓTKA,
K0631.7004AK
1000 Przedmioty
Możesz uzyskać dodatkowy rabat w ramacha stanu 1000 dostępnych produktów!
Ilość

  Najniższe ceny na ponad 87 000 części

Kippa do maszyn przemysłowych!

  Oryginalny towar bezpośrednio od producenta,

a także tańsze odpowiedniki wysokiej jakości.

  Świadczymy usługi naprawy, dorabiania

oraz regeneracji komponentów maszyn.

Opis produktu K0631.7004AK

Grupa asortymentu: K0631

Materiał: Wersja stalowa: Trzpień ustalający hartowany: Klasa wytrzymałości 5.8. Wersja nierdzewna: Trzpień ustalający niehartowany: Tulejka gwintowana – 1.4305 (odpowiada normie AISI 303). Trzpień ustalający – 1.4305 (odpowiada normie AISI 303). Uchwyt grzybkowy – termoplast, ciemnoszary.

Wersja: Wersja stalowa: Trzpień ustalający hartowany, szlifowany i oksydowany. Wersja nierdzewna: Trzpień ustalający niehartowany i szlifowany, niepowlekany.

Wskazówka: Trzpienie ustalające wysuwne znajdują zastosowanie tam, gdzie trzeba zapobiec przesuwaniu się części z powodu sił poprzecznych. Ruch do następnej pozycji możliwy jest dopiero po odciągnięciu trzpienia. Jeśli trzpień ma przez dłuższy czas pozostawać w pozycji „odwiedziony”, to zastosowanie typu C lub D uniemożliwi odskoczenie trzpienia.

Dodatkowe informacje: Wykonania specjalne.
K0631.7004AK
1000 Przedmioty

Opis

Ciężar w kg (ERP)
0.0067
D2
18
Rozmiar
0
Materiał komponentów
termoplast
Materiał korpusu
stal
Region pochodzenia
08
Kraj pochodzenia
DE
Powierzchnia korpusu
hartowane
Wersja 1
z kłami podpierającymi
Kolor komponentów
ciemnoszary RAL 7021
Klucz stalowy
1.4034
Forma
C
L1
6
Klasa wytrzymałości
5.8
L2
6
Skok S
4
D1 Gwint
5/16-24
L Długość
29,5
Typ produktu
wersja krótka
SW1
10
Siła sprężyny koniec F2 ok. N
12
Siła sprężyny początek F1 ok. N
6
F x 30°
1
D Średnica trzpienia
4
Nakrętka zabezpieczająca
bez nakrętki zabezpieczającej

Specyficzne kody

ean13
4059245354740

Accurate Group – dystrybucja komponentów maszynowych w standardzie calowym (inch).

Accurate Group od ponad 30 lat specjalizuje się w dostawach komponentów oraz części zamiennych do maszyn i urządzeń przemysłowych dla zakładów produkcyjnych z różnych sektorów przemysłu. Dysponujemy rozbudowanym zapleczem magazynowym, obejmującym zarówno aktualne serie produkcyjne, jak i elementy trudno dostępne, archiwalne lub wycofane z bieżącej oferty producentów. Platforma ACC24.pl prezentuje jedynie wybraną część naszego asortymentu – w szczególności komponenty marki Kipp – mimo że baza obejmuje około 87 000 indeksów katalogowych. W przypadku braku poszukiwanej pozycji w sklepie internetowym rekomendujemy bezpośredni kontakt techniczny. W większości przypadków jesteśmy w stanie dostarczyć lub sprowadzić wymagany element zamienny.

Uzupełnieniem naszej oferty są usługi dorabiania części na podstawie dokumentacji technicznej oraz regeneracji zużytych podzespołów.

Kategoria „inch”

W ofercie elementów z serii K0631 są dostępne warianty calowe (inch). Oznaczenie „inch” nie jest odrębnym rodzajem części zamiennych, lecz odnosi się do wariantów w systemie calowym – odpowiedników z systemu metrycznego. Jako główny dystrybutor Heinrich Kipp Werk zapewniamy pełne portfolio części zamiennych producenta, dostępnych zarówno w systemie metrycznym, jak i calowym, dedykowanym w szczególności maszynom stosowanym na rynkach amerykańskim oraz brytyjskim. Jednostka cal odpowiada wartości 25,4 mm w układzie metrycznym.

Komponenty z serii K0631.7004AK w wykonaniu calowym.

Część zamienna o oznaczeniu katalogowym K0631.7004AK jest oryginalnym komponentem marki Kipp, dostarczanym bezpośrednio z zasobów magazynowych producenta.

Stała współpraca z firmą Heinrich Kipp Werk przekłada się na wymierne korzyści dla naszych Odbiorców:

  • konkurencyjne warunki cenowe na rynku krajowym, również dla elementów z serii K0631;
  • merytoryczne wsparcie techniczne i inżynierskie przy doborze komponentów do konkretnych aplikacji;
  • krótkie terminy realizacji zamówień oraz możliwość utrzymywania dedykowanych stanów magazynowych;
  • oryginalną gwarancję producenta oraz rozszerzone wsparcie serwisowe, obejmujące regenerację i produkcję części niestandardowych;
  • dostęp do specjalistycznych materiałów technicznych, dokumentacji oraz szkoleń;
  • doradztwo w zakresie optymalizacji kosztów utrzymania ruchu oraz usprawniania sekcji linii produkcyjnych.