Najniższe ceny na ponad 87 000 części
Kippa do maszyn przemysłowych!
Oryginalny towar bezpośrednio od producenta,
a także tańsze odpowiedniki wysokiej jakości.
Świadczymy usługi naprawy, dorabiania
oraz regeneracji komponentów maszyn.
Opis
Specyficzne kody
Pliki do pobrania
Accurate Group od ponad 30 lat specjalizuje się w dostawach komponentów oraz części zamiennych do maszyn i urządzeń przemysłowych dla zakładów produkcyjnych z różnych sektorów przemysłu. Dysponujemy rozbudowanym zapleczem magazynowym, obejmującym zarówno aktualne serie produkcyjne, jak i elementy trudno dostępne, archiwalne lub wycofane z bieżącej oferty producentów. Platforma ACC24.pl prezentuje jedynie wybraną część naszego asortymentu – w szczególności komponenty marki Kipp – mimo że baza obejmuje około 87 000 indeksów katalogowych. W przypadku braku poszukiwanej pozycji w sklepie internetowym rekomendujemy bezpośredni kontakt techniczny. W większości przypadków jesteśmy w stanie dostarczyć lub sprowadzić wymagany element zamienny.
Uzupełnieniem naszej oferty są usługi dorabiania części na podstawie dokumentacji technicznej oraz regeneracji zużytych podzespołów.
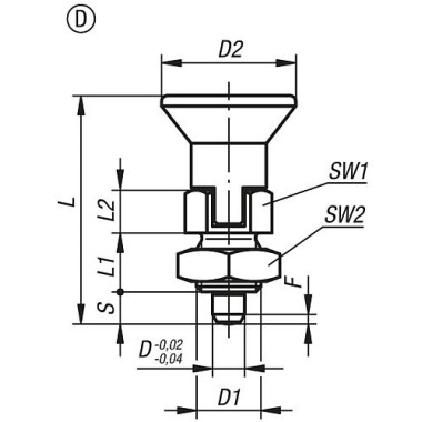
Kategoria „inch”
W ofercie elementów z serii K0631 są dostępne warianty calowe (inch). Oznaczenie „inch” nie jest odrębnym rodzajem części zamiennych, lecz odnosi się do wariantów w systemie calowym – odpowiedników z systemu metrycznego. Jako główny dystrybutor Heinrich Kipp Werk zapewniamy pełne portfolio części zamiennych producenta, dostępnych zarówno w systemie metrycznym, jak i calowym, dedykowanym w szczególności maszynom stosowanym na rynkach amerykańskim oraz brytyjskim. Jednostka cal odpowiada wartości 25,4 mm w układzie metrycznym.
Część zamienna o oznaczeniu katalogowym K0631.8410A7 jest oryginalnym komponentem marki Kipp, dostarczanym bezpośrednio z zasobów magazynowych producenta.
Stała współpraca z firmą Heinrich Kipp Werk przekłada się na wymierne korzyści dla naszych Odbiorców:
check_circle
check_circle