K0341.02004

K0341.02004

57,00 zł netto
70,11 zł brutto
Netto
TRZPIEN USTALAJACY BEZ KLOW PODPIERAJACYCH RO.0 D1=M08X1, FORMA:F, STAL NIERDZEWNA HARTOWANE
K0341.02004
1000 Przedmioty
Możesz uzyskać dodatkowy rabat w ramacha stanu 1000 dostępnych produktów!
Ilość

  Najniższe ceny na ponad 87 000 części

Kippa do maszyn przemysłowych!

  Oryginalny towar bezpośrednio od producenta,

a także tańsze odpowiedniki wysokiej jakości.

  Świadczymy usługi naprawy, dorabiania

oraz regeneracji komponentów maszyn.

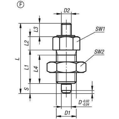
Opis produktu K0341.02004

Grupa asortymentu: K0341

Materiał: Wersja stalowa: Trzpień ustalający hartowany: Klasa wytrzymałości 5.8. Wersja nierdzewna: Trzpień ustalający hartowany: Tulejka gwintowana – stal 1.4305. Trzpień ustalający – stal 1.4034. Trzpień ustalający niehartowany: Tulejka gwintowana – stal 1.4305. Trzpień ustalający – stal 1.4305.

Wersja: Wersja stalowa: Trzpień ustalający hartowany, szlifowany i oksydowany. Wersja nierdzewna: Trzpień ustalający hartowany i szlifowany, niepowlekany. Trzpień ustalający niehartowany, szlifowany, niepowlekany.

Wskazówka: Trzpienie ustalające wysuwne znajdują zastosowanie tam, gdzie trzeba zapobiec przesuwaniu się części z powodu sił poprzecznych. Ruch do następnej pozycji możliwy jest dopiero po odciągnięciu trzpienia. Na wystający czop gwintowany można zamontować rękojeści specjalne. Ponadto umożliwia on np. automatyczne uruchamianie trzpienia ustalającego (sterowane programem) za pomocą siłownika pneumatycznego lub dopuszcza zdalne sterowanie poprzez cięgna giętkie (Bowdena).

Dodatkowe informacje: Wykonania specjalne.

Wyposażenie: Pierścienie dystansowe K0665.
K0341.02004
1000 Przedmioty

Opis

Ciężar w kg (ERP)
0.0110
D2
M3
Rozmiar
0
Materiał korpusu
stal nierdzewna
Region pochodzenia
08
Kraj pochodzenia
DE
RoHS
true
UNSPSC Code
31162800
Powierzchnia korpusu
hartowane
Wersja 1
bez kłów podpierających
Klucz stalowy
1.4034
Forma
F
REACh
false
L1
15
L2
6
Skok S
4
L3
7
L4
13
D1 Gwint
M8x1
L Długość
32
Typ produktu
z czopem gwintowanym
SW1
10
SW2
13
Siła sprężyny koniec F2 ok. N
12
Siła sprężyny początek F1 ok. N
6
F x 30°
1
D Średnica trzpienia
4
Nakrętka zabezpieczająca
z nakrętką zabezpieczającą

Specyficzne kody

ean13
4059245013876

Części do maszyn przemysłowych - Accourate Group

Oferta prezentowana w sklepie ACC24.pl obejmuje jedynie niewielką część posiadanego asortymentu oferowanego przez Accourate Group. W przypadku gdy poszukiwany przez Ciebie element nie znajduje się w katalogu online, to zachęcamy do kontaktu mailowego lub telefonicznego.

Od ponad trzydziestu lat dostarczamy części do maszyn europejskim zakładom produkcyjnym. Nasze zaplecze magazynowe, to ogromny wybór komponentów i części do maszyn, także tych już wycofanych z produkcji lub trudno dostępnych. Oprócz sprzedaży gotowych elementów oferujemy także usługi regeneracji i dorabiania części. Doradzamy i pomagamy m.in. w zwiększeniu wydajności linii produkcyjnych, w podniesieniu ergonomii użytkowania czy przy rozwiązaniach zwiększających bezpieczeństwo.


Dzięki współpracy z marką Kipp możemy Państwu zapewniać atrakcyjne warunki sprzedaży i obsługi:

  • najniższe ceny w Polsce na asortyment Kippa,
  • wyłącznie oryginalne części wysyłane z magazynów firmy Kipp,
  • gwarancję producenta oraz opiekę pogwarancyjną i serwis,
  • doradztwo i wsparcie inżyniera przy wyborze optymalnego rozwiązania,
  • utrzymanie indywidualnych stanów magazynowych dla stałych Klientów.

Seria K0341 elementów manipulacyjnych Kipp

Accourate Group (ACC24.pl) jest oficjalnym dystrybutorem części do maszyn przemysłowych Heinrich Kipp Werk. W naszej ofercie nie mogło oczywiście zabraknąć elementów manipulacyjnych.

Elementy manipulacyjne to mechaniczne komponenty stosowane w maszynach, urządzeniach i liniach technologicznych, przeznaczone do ręcznego sterowania, regulacji, pozycjonowania oraz ustalania elementów roboczych. Wykorzystywane są w aplikacjach przemysłowych, gdzie wymagane jest szybkie i powtarzalne wykonywanie nastaw bez użycia narzędzi. Do tej grupy należą m.in. pokrętła i gałki regulacyjne, dźwignie mimośrodowe, uchwyty maszynowe, koła nastawcze z podziałką, trzpienie ustalające, rygle, zawiasy techniczne oraz elementy tłumiące drgania. Elementy manipulacyjne odgrywają istotną rolę w eksploatacji maszyn i systemów automatyki, wpływając na ergonomię obsługi, niezawodność pracy oraz ograniczenie przestojów wynikających z regulacji i przezbrojeń.