K0339.14410

K0339.14410

105,07 zł netto
129,24 zł brutto
Netto
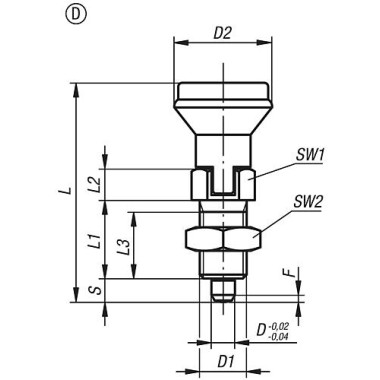
TRZPIEN USTALAJACY RO.4 D1=M20X1,5, D=10, FORMA:D Z KLAMI PODPIERAJACYMI Z NAKRĘTKI ZABEZPIECZAJĄCĄ, STAL
K0339.14410
1000 Przedmioty
Możesz uzyskać dodatkowy rabat w ramacha stanu 1000 dostępnych produktów!
Ilość

  Najniższe ceny na ponad 87 000 części

Kippa do maszyn przemysłowych!

  Oryginalny towar bezpośrednio od producenta,

a także tańsze odpowiedniki wysokiej jakości.

  Świadczymy usługi naprawy, dorabiania

oraz regeneracji komponentów maszyn.

Opis produktu K0339.14410

Grupa asortymentu: K0339

Materiał: Wersja stalowa: Tuleja gwintowana i trzpień ustalający – stal automatowa. Wersja nierdzewna: Trzpień ustalający gwintowany: Tulejka gwintowana – stal 1.4305. Trzpień ustalający – stal 1.4034. Trzpień ustalający niehartowany: Tuleja gwintowana – stal 1.4305. Trzpień ustalający – stal 1.4305. Uchwyt grzybkowy – termoplast, ciemnoszary.

Wersja: Wersja stalowa: Tulejka gwintowana oksydowana. Trzpień ustalający hartowany, szlifowany i oksydowany. Wersja nierdzewna: Tulejka gwintowana niepowlekana. Trzpień ustalający hartowany, szlifowany, niepowlekany. Trzpień ustalający niehartowany, szlifowany, niepowlekany.

Wskazówka: Trzpienie ustalające wysuwne znajdują zastosowanie tam, gdzie trzeba zapobiec przesuwaniu się części z powodu sił poprzecznych. Ruch do następnej pozycji możliwy jest dopiero po odciągnięciu trzpienia. Jeśli trzpień ma przez dłuższy czas pozostawać w pozycji „odwiedziony”, to zastosowanie typu C lub D uniemożliwi odskoczenie trzpienia.

Dodatkowe informacje: Wykonania specjalne.

Wyposażenie: Pierścienie dystansowe K0665.
K0339.14410
1000 Przedmioty

Opis

Ciężar w kg (ERP)
0.1432
D2
33
Rozmiar
4
Materiał komponentów
termoplast
Materiał korpusu
stal nierdzewna
Region pochodzenia
08
Kraj pochodzenia
DE
Powierzchnia korpusu
niehartowany
Wersja 1
z kłami podpierającymi
Kolor komponentów
ciemnoszary RAL 7021
Klucz stalowy
1.4305
Forma
D
L1
28
L2
12
Skok S
10
Kolor pokrywy
ciemnoszary RAL 7021
L3
25
D1 Gwint
M20x1,5
L Długość
80
Typ produktu
standard
SW1
22
SW2
30
Siła sprężyny koniec F2 ok. N
34
Siła sprężyny początek F1 ok. N
15
F x 30°
2,8
D Średnica trzpienia
10
Nakrętka zabezpieczająca
z nakrętką zabezpieczającą

Specyficzne kody

ean13
4059245013616

Części do maszyn przemysłowych - Accourate Group

Oferta prezentowana w sklepie ACC24.pl obejmuje jedynie niewielką część posiadanego asortymentu oferowanego przez Accourate Group. W przypadku gdy poszukiwany przez Ciebie element nie znajduje się w katalogu online, to zachęcamy do kontaktu mailowego lub telefonicznego.

Od ponad trzydziestu lat dostarczamy części do maszyn europejskim zakładom produkcyjnym. Nasze zaplecze magazynowe, to ogromny wybór komponentów i części do maszyn, także tych już wycofanych z produkcji lub trudno dostępnych. Oprócz sprzedaży gotowych elementów oferujemy także usługi regeneracji i dorabiania części. Doradzamy i pomagamy m.in. w zwiększeniu wydajności linii produkcyjnych, w podniesieniu ergonomii użytkowania czy przy rozwiązaniach zwiększających bezpieczeństwo.


Dzięki współpracy z marką Kipp możemy Państwu zapewniać atrakcyjne warunki sprzedaży i obsługi:

  • najniższe ceny w Polsce na asortyment Kippa,
  • wyłącznie oryginalne części wysyłane z magazynów firmy Kipp,
  • gwarancję producenta oraz opiekę pogwarancyjną i serwis,
  • doradztwo i wsparcie inżyniera przy wyborze optymalnego rozwiązania,
  • utrzymanie indywidualnych stanów magazynowych dla stałych Klientów.

Seria K0339 elementów manipulacyjnych Kipp

Accourate Group (ACC24.pl) jest oficjalnym dystrybutorem części do maszyn przemysłowych Heinrich Kipp Werk. W naszej ofercie nie mogło oczywiście zabraknąć elementów manipulacyjnych.

Elementy manipulacyjne to mechaniczne komponenty stosowane w maszynach, urządzeniach i liniach technologicznych, przeznaczone do ręcznego sterowania, regulacji, pozycjonowania oraz ustalania elementów roboczych. Wykorzystywane są w aplikacjach przemysłowych, gdzie wymagane jest szybkie i powtarzalne wykonywanie nastaw bez użycia narzędzi. Do tej grupy należą m.in. pokrętła i gałki regulacyjne, dźwignie mimośrodowe, uchwyty maszynowe, koła nastawcze z podziałką, trzpienie ustalające, rygle, zawiasy techniczne oraz elementy tłumiące drgania. Elementy manipulacyjne odgrywają istotną rolę w eksploatacji maszyn i systemów automatyki, wpływając na ergonomię obsługi, niezawodność pracy oraz ograniczenie przestojów wynikających z regulacji i przezbrojeń.