K0527.17501

K0527.17501

41,23 zł netto
50,71 zł brutto
Netto
ZAMEK Z MECHANIZMEM KRZYWKOWYM, CYNK CZWOROKAT 7 MM, L=50
K0527.17501
1000 Przedmioty
Możesz uzyskać dodatkowy rabat w ramacha stanu 1000 dostępnych produktów!
Ilość

  Najniższe ceny na ponad 87 000 części

Kippa do maszyn przemysłowych!

  Oryginalny towar bezpośrednio od producenta,

a także tańsze odpowiedniki wysokiej jakości.

  Świadczymy usługi naprawy, dorabiania

oraz regeneracji komponentów maszyn.

Opis produktu K0527.17501

Grupa asortymentu: K0527

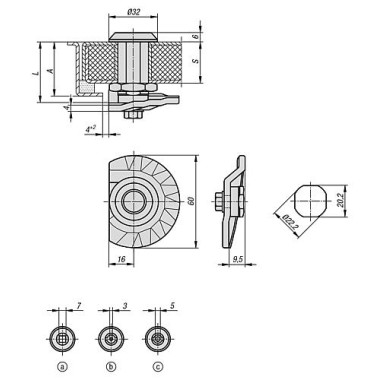
Materiał: Obudowa, pokrętło, nakręta i języczek – cynkowy odlew ciśnieniowy. Uszczelka płaska z gumy.

Wersja: Obudowa, pokrętło, nakrętka i języczek, chromowane. Numer artykułu: Zamki. K0527.17301 Wskazówka: Zamki z podkładką stopniową stosowane są przeważnie do drzwi i obudów, których hermetyzacja wymaga dużej siły nacisku. Wersja prawa lub lewa. Zamykanie odbywa się w tym wypadku wyłącznie w kierunku zgodnym z ruchem wskazówek zegara. Obrót pokrętła w prawo daje możliwość stopniowego zwiększania zakresu ruchu do 9,5 mm przy maksymalnym kącie obrotu 270°. Śruba mocująca posiada z jednej strony formę śruby uziemiającej z zaczepami. Ochrona przed wodą oraz pyłem zgodnie z IP65.

Wyposażenie: Klucze nasadowe K0535 Wskazówka dotycząca montażu: Uruchomienie: a) Czworokąt 7 mmb) Profil dwuskrzydłowy 3 mmc) Profil dwuskrzydłowy 5 mm1) Oring2) Adapter.
K0527.17501
1000 Przedmioty

Opis

Ciężar w kg (ERP)
0.1924
Materiał korpusu
cynk
Region pochodzenia
05
Kraj pochodzenia
DE
RoHS
true
UNSPSC Code
27111705
L
50
Wersja 1
z mechanizmem krzywkowym
A
50 -9,5
S Maks. grubość ściany
40
Uruchomienie
czworokąt 7 mm

Specyficzne kody

ean13
4059245197859

K0527 – elementy manipulacyjne do maszyn.

Accourate Group – właściciel sklepu ACC24.pl jest oficjalnym dystrybutorem części do maszyn przemysłowych marki Heinrich Kipp Werk. W naszej ofercie znajdują się elementy manipulacyjne, precyzyjne systemy mocujące oraz szeroka gama części technicznych stosowanych w różnorodnych procesach produkcyjnych. Dzięki długotrwałej relacji partnerskiej z firmą Kipp możemy zapewniać naszym Odbiorcom wyjątkowo atrakcyjne warunki współpracy:

  • bardzo korzystne ceny - najniższe w Polsce,
  • wyłącznie oryginalne komponenty dostarczane bezpośrednio z magazynów Kippa,
  • wsparcie specjalisty, który pomoże dobrać właściwe rozwiązanie,
  • obsługę posprzedażową objętą gwarancją producenta,
  • możliwość stworzenia indywidualnych stanów magazynowych, dopasowanych do potrzeb Twojego przedsiębiorstwa.

Części do maszyn przemysłowych - ACC24.pl

Oferta prezentowana w sklepie ACC24.pl obejmuje jedynie niewielką część posiadanego asortymentu, z naciskiem na produkty KIPP. W przypadku gdy poszukiwany przez Ciebie element nie znajduje się w katalogu online, zachęcamy do bezpośredniego kontaktu.

Accourate Group to firma z wieloletnim doświadczeniem w dostawach części dla zakładów produkcyjnych do wielu krajów. Nasze zaplecze magazynowe to gigantyczny wybór komponentów i części do maszyn, także tych już wycofanych z produkcji. Oprócz sprzedaży gotowych komponentów oferujemy także usługę dorabiania części oraz ich regeneracji, wspierając Klientów w utrzymaniu ciągłości produkcji nawet przy trudnych i skomplikowany awariach.