Kontakt 56 656 61 71
Wybierz kategorię
- Części do maszyn przemysłowych
- Elementy manipulacyjne
- Złączki i łączniki, złącza profilowe
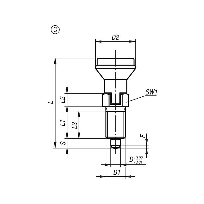
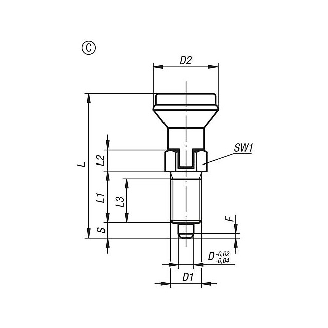
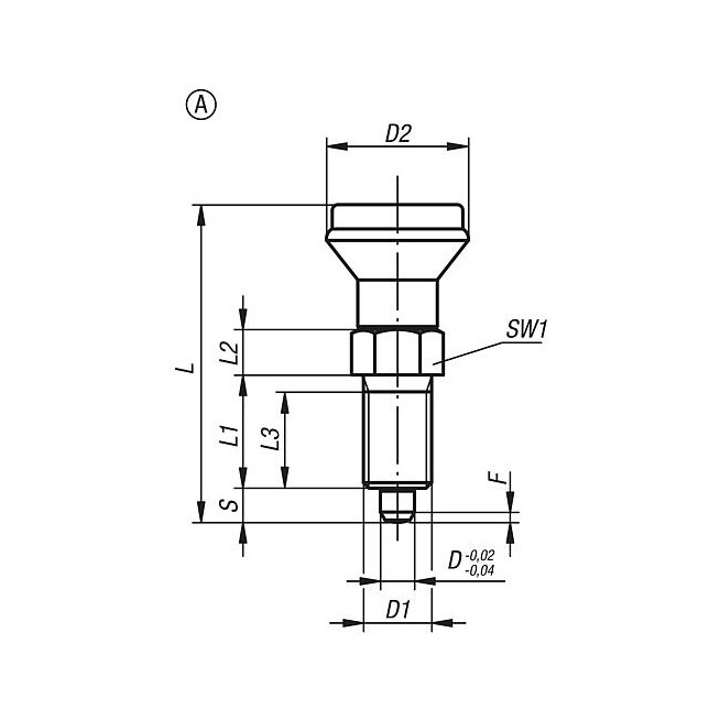
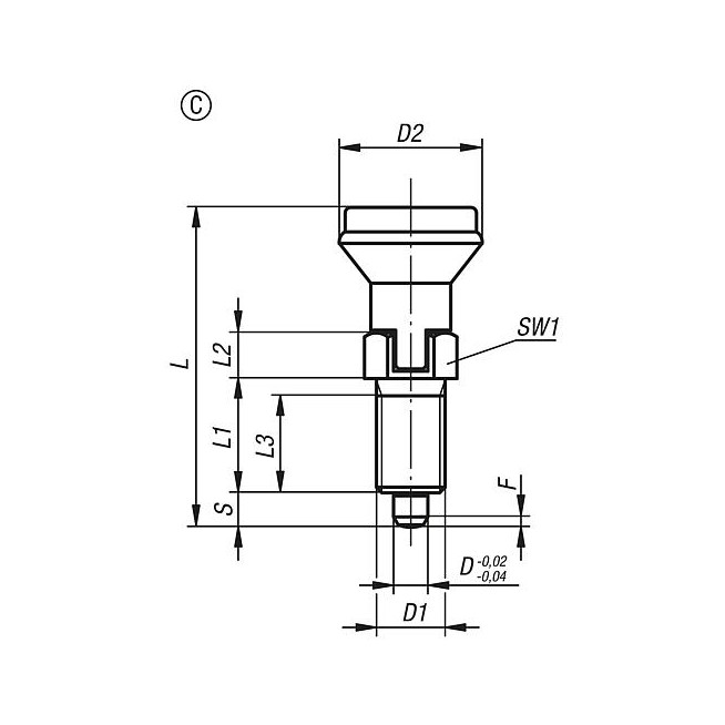
- Łącznik wtykowy
- Łączniki wtykowe (rura czworokątna) złączka T
- Łącznik wtykowy (rura czworoboczna) krzyżowy
- Łączniki wtykowe (rura czworokątna) kątownik z odgałęzieniem
- Łączniki wtykowe (rura czworokątna) złączka T z odgałęzieniem
- Łączniki wtykowe (rura czworokątna) krzyżowy z odgałęzieniem
- Łączniki wtykowe (rura czworokątna) gwiazda
- Łączniki wtykowe (rura czworokątna) kątownik z odgałęzieniem i gwintem
- Łączniki wtykowe (rura czworokątna) złączka T z odgałęzieniem i gwintem
- Łączniki wtykowe (rura czworokątna) przegub
- Łączniki wtykowe (rura czworokątna) złączka
- Łączniki wtykowe (rura czworokątna) przegub z odgałęzieniem
- Łączniki wtykowe (rura czworokątna) kąt prosty
- Rury okrągłe i czworokątne
- Zabezpieczeniem przed przekręceniem z tworzywa sztucznegodo złączek zaciskowych
- Zaślepki z tworzywa sztucznego do rur okrągłych i kwadratowych
- Nakładki ochronne z tworzywa sztucznego do rur okrągłych
- Nakładki ochronne z tworzywa sztucznego do rur kwadratowych
- Rury czworokątne
- Rury czworokątne z progiem
- Zaślepki do profili typ B i typ I
- Listwy osłonowo-zakończeniowe typ B i typ I
- Listwa osłonowa typ I
- Rury okrągłe i kwadratowe
- Listwa maskująca typ I
- Rura okrągła aluminiowa z rowkiem
- Akcesoria do złączek i łączników
- Osprzęt do profili aluminiowych
- Uchwyt szyby
- Element przegubowy do profili typ B i typ I
- Profile aluminiowe D50 typ I, rura
- Element zestawiający płaski
- Łącznik kątowy do uchwytów szyby
- Przeguby cierne regulowane, pojedyncze, 40
- Blokowy łącznik kablowy
- Kątownik
- Przeguby cierne, pojedyncze, 40
- Uchwyt kablowy
- Kątowniki stalowe
- Przeguby cierne, podwójne, 40
- Uchwyt kablowy z młoteczkiem
- Zestawy kątowników typ I
- Przeguby cierne, pojedyncze, 45
- Uchwyt czujnika
- Zestawy kątowników typ B
- Przeguby cierne, podwójne, 45
- Przyłącze uziemiające typ I
- Zaślepki do profili do zestawów kątowników typ B
- Przyłączeniowe przeguby cierne, 40
- Element do wyrównywania potencjałów typ I
- Elementy kątowe T1 typ I
- Ślizgacz profilowy
- Uchwyt do docisków (Multiblock 25) typ B i typ I
- Elementy kątowe T2 typ I
- Ślizgacz profilowy z rękojeścią nastawną
- Element dystansowy do uchwytu do docisków (Multiblock 25)
- Kątownik zaciskowy typ I
- Płyty montażowe typ B i typ I
- Uchwyt do docisków (uchwyt kraty)
- Kątownik przegubowy typ I
- Kołnierz łożyska do rolki transportowej
- Łącznik rurowy Lean Ø30 typ I
- Płyty łączące Ø30 typ I
- Zaślepki Ø30 do rur profilowych typ I
- Łącznik T Ø30 z przyłączem do rowka 8 typ Iz zabezpieczeniem przed przekręceniem
- Uchwyt montażowy Ø 30 ze stali do przenośników rolkowych ze stali
- Wstawki gwintowane Ø30 typ I
- Listwy ślizgowe Ø30 typ I
- Łącznik krzyżowy Ø30 typ I
- Szyny prowadzące z tworzywa sztucznego do przenośników rolkowych ze stali
- Multibloki Ø30 typ I
- Bloki łączników kablowych Ø30 typ I
- Łącznik równoległy Ø30 typ I
- Szyny prowadzące centralne z tworzywa sztucznego do przenośników rolkowych ze stali
- Opaski zaciskowe Ø30 typ I
- Rolki z łożyskiem kulkowym
- Łącznik 45° Ø30 typ Iz zabezpieczeniem przed przekręceniem
- Mocowania płaskie Ø30 typ I
- Rolki Ø30 typ I
- Rozpórki kątowe 90° Ø30 typ I
- Mocowania płyt stołu Ø30 typ I
- Łożysko ślizgowe Ø30 typ I
- Łącznik stykowy 90° Ø30 typ Iz zabezpieczeniem przed przekręceniem
- Zawieszenia płyt Ø30 typ I
- Rura okrągła aluminiowa Ø30 typ I
- Przenośniki rolkowe stal
- Łącznik kulkowy Ø30 typ Iz zabezpieczeniem przed przekręceniem
- Opaski Ø30 typ I
- Rura profilowa aluminiowa Ø30 typ I
- Łącznik stykowy ze stali do przenośników rolkowych ze stali
- Łącznik kulkowy krzyżowy Ø30 typ Iz zabezpieczeniem przed przekręceniem
- Nośnik tabliczki opisowej Ø30 typ I,przezroczysty
- Rura profilowa aluminiowa Ø30 ciężka typ I
- Uchwyt do zawieszania Ø 30 ze stali do przenośników rolkowych ze stali
- Łącznik kulkowy stykowy Ø30 typ Iz zabezpieczeniem przed przekręceniem
- Nośnik tabliczki opisowej Ø30 typ I,przezroczysty, samoprzylepny
- Rura profilowa aluminiowa Ø30 rowek 8 typ I
- Uchwyt do zawieszania zmienny Ø30 ze stali do przenośników rolkowych ze stali
- Zaślepki do łączników Ø30 typ I
- Kołpak ochronny Ø30 typ I
- Łącznik T Ø30 typ Iz zabezpieczeniem przed przekręceniem
- Uchwyt do zawieszania 40 ze stali do przenośników rolkowych ze stali
- Jednostki liniowe
- Złączki rurowe z kołnierzem, stal nierdzewna do jednostek liniowych
- Złączki ze stopką do jednostek liniowych aluminium
- Złączki rurowe ze stopką, stal nierdzewna do jednostek liniowych
- Jednostki liniowe aluminiowe kwadratowe
- Złączki zaciskowe kołnierzowe aluminiowe do jednostki liniowej kwadratowej
- Jednostki liniowe z wrzecionem gwintowanym trapezowym stalowym, łożyskowaniem ślizgowym lub kulkowym
- Jednostki liniowe
- Złączki zaciskowe kołnierzowe aluminiowe do jednostki liniowej
- Jednostki liniowe ze stali nierdzewnej
- Złączki krzyżowe do jednostek liniowych aluminium
- Złączki rurowe krzyżowe, stal nierdzewna do jednostek liniowych
- Złączki zaciskowe kołnierzowe do jednostek liniowych aluminium
- Elementy podporowe
- Złączki zaciskowe ze stopką z tworzywa sztucznego do rur okrągłychtrójpoziomowe
- Złączki zaciskowe ze stopką z tworzywa sztucznego, do rur okrągłych,dwupoziomowe
- Złączki zaciskowe ze stopką z tworzywa sztucznego, do rur okrągłych, dwupoziomowe z łącznikiem poprzecznym
- Złączki zaciskowe forma T z tworzywa sztucznego, do wieloczęściowych rur okrągłych
- Złączki zaciskowe z boczną głowicą podporową z tworzywa sztucznego, do rur okrągłych
- Złączki zaciskowe z głowicą podporową z tworzywa sztucznego, do rur okrągłych
- Komponenty do instalacji przenośnikowych
- Trzpienie ze stali nierdzewnejdo zacisków podwójnych z tworzywa sztucznego
- Zaciski podwójne z tworzywa sztucznego z trzpieniami ze stali nierdzewnejdo prowadnic bocznych ze stożkowym profilem mocującym
- Zaciski podwójne z tworzywa sztucznego z trzpieniami ze stali nierdzewnejdo okrągłych prowadnic bocznych
- Prowadnice boczne z tworzywa sztucznego płaskieze stożkowym profilem mocującym
- Uchwyt prowadnicy bocznej z tworzywa sztucznego, z pokrętłem krzyżowym
- Uchwyt prowadnicy bocznej z tworzywa sztucznego, regulowany, z pokrętłem krzyżowym
- Zaciski pojedyncze z tworzywa sztucznego do prowadnic bocznych ze stożkowym profilem mocującym
- Zaciski pojedyncze z tworzywa sztucznego do okrągłych prowadnic bocznych
- Trzpienie ze stali nierdzewnej do zacisków pojedynczych z tworzywa sztucznego
- Zaciski pojedyncze z tworzywa sztucznego do płaskownikówdo okrągłych prowadnic bocznych
- Trzpienie ze stali nierdzewnejdo zacisków pojedynczych z tworzywa sztucznego do płaskowników
- Złączka zaciskowa
- Złączki obrotowe z zazębieniem wewnętrznym i stopką tworzywo sztuczne
- Złączki zaciskowe krzyżowe stal nierdzewna
- Złączki zaciskowe kołnierzowe tworzywo sztuczne
- Złączki zaciskowe ze stopką aluminiowe, z zazębieniem wewnętrznym
- Złączki zaciskowe kątowe tworzywo sztuczne
- Złączki zaciskowe kołnierzowe aluminium
- Złączki przegubowe bez zazębienia tworzywo sztuczne
- Złączki zaciskowe z tworzywa sztucznego z przegubem kulowym
- Złączki zaciskowe kołnierzowestal nierdzewna
- Złączki przegubowe bez zazębienia aluminium
- Złączki zaciskowe kątowe aluminium
- Złączki zaciskowe proste tworzywo sztuczne
- Złączki zaciskowe aluminiowe z przegubem kulowym
- Złączki zaciskowe proste aluminiowe
- Złączki zaciskowe kątowe stal nierdzewna
- Złączki zaciskowe aluminiowe z podwójnym przegubem kulowym
- Złączki zaciskowe ze stopką tworzywo sztuczne
- Złączki obrotowe z zazębieniem wewnętrznym tworzywo sztuczne
- Złączki zaciskowe ze stopką z tworzywa sztucznego z przegubem kulowym
- Złączki zaciskowe aluminiowe, z zazębieniem wewnętrznym
- Złączki zaciskowe ze stopką aluminium
- Złączki obrotowe z zazębieniem zewnętrznym tworzywo sztuczne
- Złączki zaciskowe krzyżowe tworzywo sztuczne
- Złączki zaciskowe ze stopką aluminiowe z przegubem kulowym
- Złączki zaciskowe aluminiowe, z zazębieniem zewnętrznym
- Złączki zaciskowe krzyżowe aluminium
- Złączki zaciskowe ze stopką stal nierdzewna
- Uchwyty do monitora
- Łącznik wtykowy
- Olejowskazy
- korki gwintowane
- Króćce wlewowe z koszem
- Smarowniczki kulkowe
- Smarowniczki kulkowe z główką stożkową wg DIN 71412
- Smarowniczki kulkowe z główką stożkową wg DIN 71412, forma A, proste
- Smarowniczki kulkowe z główką stożkową wg DIN 71412, forma B, kątowe 45°, sześciokątne
- Smarowniczki kulkowe z główką stożkową wg DIN 71412, forma C, kątowe 90°, sześciokątne
- Smarowniczki kulkowe z główką stożkową wg DIN 71412, forma D, kątowe 45°, czterokątne
- Smarowniczki kulkowe z główką stożkową wg DIN 71412, forma E, kątowe 90°, czterokątne
- Smarowniczki stalowe – pojemnik z asortymentem
- Nasadki ochronne smarowniczek na gniazda smarowe z końcówką stożkową
- Smarowniczki kulkowe z główką wklęsłą wg DIN 3405
- Smarowniczki kulkowe z główką płaską wg DIN 3404
- Smarowniczki kulkowe z główką stożkową wg DIN 71412do wciskania
- Smarowniczki kulkowe z główką wklęsłą wg DIN 3405do wciskania
- Smarowniczki kulkowe z główką stożkową wg DIN 71412
- Wskaźniki poziomu oleju
- Wskaźniki poziomu oleju z elektrycznym czujnikiem temperatury
- Wskaźniki poziomu oleju z elektrycznym czujnikiem poziomu oleju i temperatury
- Wskaźniki poziomu oleju wersja długa
- Wskaźniki poziomu oleju z elektrycznym czujnikiem poziomu oleju, wersja długa
- Wskaźniki poziomu oleju z elektrycznym czujnikiem temperatury, wersja długa
- Wskaźniki poziomu oleju z elektrycznym czujnikiem poziomu oleju i temperatury, wersja długa
- Bagnety
- Wskaźniki poziomu oleju
- Wskaźniki poziomu oleju z elektrycznym czujnikiem poziomu
- Korki odpowietrzające
- Olejowskazy
- Korki gwintowane
- zaślepki
- Korki gwintowane z gniazdem sześciokątnym
- Korki gwintowane aluminiowe
- Korki z bagnetem
- Korki gwintowane z bagnetem
- Korki gwintowane z gniazdem sześciokątnym z gwintem stożkowym DIN 906
- Zatyczka uszczelniająca tuleja stal, kulka stal
- Korki gwintowane z kołnierzem i gniazdem sześciokątnym DIN 908
- Zatyczka uszczelniająca tuleja stal nierdzewna, kulka stal
- Korki gwintowane z kołnierzem i sześciokątem zewnętrznym DIN 910
- Zatyczka uszczelniająca tuleja stal nierdzewna, kulka stal nierdzewna
- Korki gwintowane
- Stempel osadzany do zatyczki uszczelniającej
- Zaślepki
- Korki gwintowane magnetyczne
- Korki gwintowane aluminiowe, magnetyczne
- zaślepki
- korki gwintowane
- Prowadnice teleskopowe
- Prowadnice teleskopowe
- Prowadnice teleskopowe ze stali do montażu bocznego, rozkładane na pełną długość, nośność maks. 20 kg
- Prowadnice teleskopowe ze stali,montaż boczny, rozkładane na pełną długość, nośność maks. 136 kg
- Prowadnice teleskopowe rozkładane na niepełną długość, nośność maks. 15 kg
- Prowadnice teleskopowe ze stali forma S, rozkładane na pełną długość, nośność maks. 459 kg
- Prowadnice teleskopowe ze stali,montaż nakładany, rozkładane na ponad 100% długości, nośność maks. 60 kg
- Prowadnice teleskopowe ze stali do montażu bocznego, rozkładane na pełną długość, nośność maks. 50 kg
- Prowadnice teleskopowe ze stalido montażu bocznego, rozkładane na pełną długość, nośność do 50 kg, forma A
- Prowadnice teleskopowe ze stalido montażu bocznego, rozkładane na pełną długość, nośność do 50 kg, forma B
- Prowadnice teleskopowe ze stalido montażu bocznego, rozkładane na pełną długość, nośność do 50 kg, forma C
- Prowadnice teleskopowe ze stali do montażu bocznego, rozkładane na pełną długość, nośność do 50 kg, forma D
- Prowadnice teleskopowe ze stalido montażu bocznego, rozkładane na pełną długość, nośność do 50 kg, forma E
- Prowadnice teleskopowe ze stali do montażu bocznego, rozkładane na pełną długość, nośność maks. 160 kg
- Prowadnice teleskopowe ze stali,montaż w rowku, rozkładane na ponad 100% długości, nośność maks. 20 kg
- Liniowe łożyska kulkowe z krążnikami położonymi wewnątrz, stal, nośność maks. 3.959 kg
- Prowadnice teleskopowe ze stali do montażu bocznego, rozkładane na niepełną długość, nośność do 65 kg
- Prowadnice teleskopowe ze stali do montażu bocznego, rozkładane na ponad 100% długości, nośność do 55 kg
- Prowadnice teleskopowe ze stali do montażu bocznego, rozkładane na ponad 100% długości, nośność do 160 kg
- Prowadnice teleskopowe ze stali do montażu bocznego, rozkładane na niepełną długość, nośność maks. 20 kg
- Prowadnice teleskopowe ze stali do montażu bocznego, rozkładane na pełną długość, nośność maks. 68 kg
- Prowadnice teleskopowe ze stali nierdzewnej do montażu bocznego, rozkładane na niepełną długość, nośność do 65 kg
- Prowadnice teleskopowe ze stali do montażu bocznego, rozkładane na ponad 100% długości, nośność do 60 kg
- Prowadnice teleskopowe ze stali do montażu bocznego, rozkładane na pełną długość, nośność maks. 272 kg
- Prowadnice teleskopowe ze stali do montażu bocznego, rozkładane na pełną długość, nośność maks. 30 kg
- Prowadnice teleskopowe rozkładane na ponad 100% długości, nośność maks. 60 kg
- Prowadnice teleskopowe ze stali nierdzewnej, do montażu bocznego, rozkładane na pełną długość, nośność do 80 kg
- Prowadnice teleskopowe ze stali do montażu bocznego, rozkładane na ponad 100% długości, nośność do 70 kg
- Prowadnice teleskopowe ze stali do montażu bocznego, rozkładane na pełną długość, nośność maks. 272 kg
- Prowadnice teleskopowe ze stali, montaż boczny, rozkładane na pełną długość, nośność maks. 30 kg
- Prowadnice teleskopowe ze stali do montażu bocznego, rozkładane na ponad 100% długości, nośność do 68 kg
- Prowadnice teleskopowe ze stali do montażu bocznego, rozkładane na pełną długość, nośność maks. 100 kg
- Prowadnice teleskopowe ze stali nierdzewnej do montażu bocznego, rozkładane na ponad 100% długości, nośność do 70 kg
- Prowadnice teleskopowe z aluminium do montażu bocznego, rozkładane na pełną długość, nośność do 300 kg
- Prowadnice teleskopowe ze stali,montaż boczny, rozkładane na pełną długość, nośność maks. 35 kg
- Prowadnice teleskopowe o dużej nośności rozkładane na pełną długość, nośność maks. 200 kg
- Prowadnice teleskopowe ze stali nierdzewnej, do montażu bocznego, rozkładane na pełną długość, nośność do 90 kg
- Prowadnice teleskopowe ze stali nierdzewnej montaż boczny, rozkładane na pełną długość, nośność maks. 80 kg
- Prowadnice teleskopowe ze stali forma dwuteowa, rozkładane na pełną długość, nośność maks. 305 kg
- Prowadnice teleskopowe ze stali,montaż nakładany, rozkładane na pełną długość, nośność maks. 35 kg
- Kątownik montażowy ze stali nierdzewnej do prowadnic teleskopowych
- Prowadnice teleskopowe ze stali nierdzewnej, do montażu bocznego, rozkładane na pełną długość, nośność do 100 kg
- Prowadnice teleskopowe ze stali,montaż boczny, rozkładane na ponad 100% długości, nośność maks. 90 kg
- Prowadnice teleskopowe ze stali kompaktowe rozkładane na pełną długość, nośność do 420 kg
- Prowadnice teleskopowe ze stali,montaż boczny, rozkładane na pełną długość, nośność maks. 40 kg
- Prowadnice teleskopowe ze stali nierdzewnej, do montażu bocznego, rozkładane na pełną długość, nośność do 15 kg
- Prowadnice teleskopowe ze stali do montażu bocznego, rozkładane na ponad 100% długości, nośność do 100 kg
- Prowadnice teleskopowe ze stali nierdzewnej, do montażu bocznego, rozkładane na ponad 100% długości, nośność do 90 kg
- Prowadnice teleskopowe ze stali kompaktowe rozkładane na pełną długość, nośność do 480 kg
- Prowadnice teleskopowe ze stali,montaż boczny, rozkładane na pełną długość, nośność maks. 45 kg
- Prowadnice teleskopowe ze stali do montażu nakładanego, rozkładane na niepełną długość z dwóch stron, nośność maks. 35 kg
- Prowadnice teleskopowe ze stali do montażu bocznego, rozkładane na pełną długość, nośność maks. 124 kg
- Prowadnice teleskopowe ze stali nierdzewnej do montażu bocznego, rozkładane na ponad 100% długości, nośność do 90 kg
- Prowadnice teleskopowe ze stali, montaż w rowku, rozkładane na niepełną długość, nośność maks. 10 kg
- Prowadnice teleskopowe ze stali podwójne, rozkładane na pełną długość, nośność maks. 133 kg
- Prowadnice teleskopowe ze stalido montażu bocznego, rozkładane na niepełną długość, nośność do 50 kg
- Prowadnice teleskopowe ze stali do montażu bocznego, rozkładane na pełną długość, nośność maks. 45 kg
- Prowadnice teleskopowe ze stali do montażu bocznego, rozkładane na ponad 100% długości, nośność do 82 kg
- Kątownik montażowy ze stali do prowadnic teleskopowych
- Prowadnice teleskopowe ze stali,montaż w rowku, rozkładane na niepełną długość, nośność maks. 12 kg
- Prowadnice teleskopowe ze stali rozkładane na niepełną długość, nośność maks. 741 kg
- Prowadnice teleskopowe ze stali,montaż boczny, rozkładane na ponad 100% długości, nośność maks. 60 kg
- Prowadnice teleskopowe ze stali do montażu bocznego, rozkładane na niepełną długość z dwóch stron, nośność do 50 kg
- Prowadnice teleskopowe
- Taśmy ze skalą i pierścienie skalowe, libelle
- Taśmy ze skalą
- Libelle
- Zapięcia, zapięcia zatrzaskowe, zamki zapadkowe
- Zamki z kluczem
- Wyposażenie do zapięć
- Haki współpracujące do zapięć z klamrą do 2000 N
- Haki współpracujące do zapięć stal nierdzewna z klamrą DIN 3133
- Haki współpracujące do zapięć z klamrą do 300 N
- Haki współpracujące do zapięć z klamrą do 3000 N
- Haki współpracujące do zapięć z klamrą, otwory dla śrub zakryte
- Haki współpracujące do zapięć z pałąkiem blaszanym do 1000 N, regulowane, wersja krótka
- Haki współpracujące do zapięć z pałąkiem blaszanym do 4000 N, regulowane, wersja długa
- Haki współpracujące do zapięć z ruchomą klamrą trójkątną do 1000 N, regulowane
- Haki współpracujące do zapięć z ruchomą klamrą trójkątną do 6500 N, regulowane
- Haki współpracujące do zapięć z kabłąkiem sprężystym do 500 N
- Haki współpracujące do zapięć z klamrą do 30500 N, regulowane, wersja ciężka
- Haki współpracujące do zapięcia z kabłąkiem sprężystym do 1300 N
- Zapięcia
- Zapięcia regulowane z ruchomym hakiem naprężającym
- Zapięcia ze stali lub stali nierdzewnej z pałąkiem blaszanym do 4000 N, regulowane, otwory dla śruby widoczne, wersja długa
- Zapięcia regulowane
- Zapięcia ze stali lub stali nierdzewnej z pałąkiem blaszanym do 4000 N, regulowane, otwory dla śruby zakryte, wersja długa
- Zapięcia regulowane ciężkie
- Zapięcia ze stali nierdzewnej z pałąkiem blaszanym i aktywatorem, otwory dla śrub zakryte
- Zapięcia ze stali lub stali nierdzewnej z kabłąkiem sprężystym do 500 N, otwory dla śrub zakryte
- Zapięcia z otworami montażowymi zakrytymi
- Zapięcia z kabłąkiem sprężystym
- Zapięcia ze stali lub stali nierdzewnej z kabłąkiem sprężystym do 1300 N, otwory dla śrub boczne
- Zapięcia ze stali lub stali nierdzewnej z ruchomą klamrą trójkątną do 1000 N, regulowane, otwory dla śrub widoczne
- Zapięcia z klamrą
- Zapięcia ze stali lub stali nierdzewnej z klamrą do 2000 N, otwory dla śrub zakryte
- Zapięcia ze stali lub stali nierdzewnej z ruchomą klamrą trójkątną do 6500 N, regulowane, otwory dla śrub widoczne
- Zapięcie ze stali nierdzewnej DIN 3133
- Zapięcia ze stali lub stali nierdzewnej z klamrą do 300 N, otwory dla śrub zakryte
- Zapięcia ze stali z klamrą do 30500 N, regulowane, otwory dla śruby boczne, wersja ciężka
- Zapięcia regulowane otwory dla śrub widoczne
- Zapięcia ze stali lub stali nierdzewnej z klamrą do 3000 N, otwory dla śrub zakryte
- Zapięcia regulowane otwory pod śruby zakryte
- Zapięcia regulowane otwory dla śrub ukryte forma C
- Zapięcia regulowane otwory dla śrub zakryte forma A
- Zapięcia regulowane otwory dla śrub zakryte forma B
- Zapięcia regulowane otwory dla śrub zakryte forma C
- Hak dociskowy forma A
- Hak dociskowy forma B
- Hak dociskowy forma C
- Zapięcia regulowane otwory dla śrub ukryte forma A
- Zapięcia regulowane otwory dla śrub ukryte forma B
- Zapięcia ze stali lub stali nierdzewnej z klamrą, otwory dla śrub zakryte
- Zapięcia regulowane otwory pod śruby widoczne
- Zapięcia ze stali lub stali nierdzewnej z pałąkiem blaszanym do 1000 N, regulowane, otwory dla śruby widoczne, wersja krótka
- Zapięcia ze stali nierdzewnej ze spustem
- Zapięcia ze stali lub stali nierdzewnej z pałąkiem blaszanym do 1000 N, regulowane, otwory dla śruby zakryte, wersja krótka
- Zapięcia zatrzaskowe
- Wyzwalacz cynkowy
- Linki opancerzone
- Zamki zatrzaskowe z tworzywa sztucznego z uchwytem, składane
- Zamki zatrzaskowe ze stali nierdzewnejz cięgnem Bowdena i uchwytem, składane
- Zamki zatrzaskowe ze stali nierdzewnejz uchwytem, składane
- Zamki zatrzaskowe z tworzywa sztucznego z uchwytem
- Zamknięcie zatrzaskowe z tworzywa sztucznego z wgłębieniem pod palec, zatrzaskowe
- Zamknięcie zatrzaskowe z tworzywa sztucznego z wgłębieniem pod palec, zatrzaskowe, kształt C, średnie
- Zamknięcie zatrzaskowe z tworzywa sztucznego z wgłębieniem pod palec, zatrzaskowe, kształt D, duże
- Zamknięcie zatrzaskowe z tworzywa sztucznego z wgłębieniem pod palec, kształt A, z kluczem
- Zamknięcie zatrzaskowe z tworzywa sztucznego z wgłębieniem pod palec, kształt B, bez klucza
- Zamknięcie zatrzaskowe z tworzywa sztucznego z wgłębieniem pod palec, zatrzaskowe, kształt A, mini
- Zamknięcie zatrzaskowe z tworzywa sztucznego z wgłębieniem pod palec, zatrzaskowe, kształt B, małe
- Zamki zatrzaskowe z tworzywa sztucznego z przyciskiem
- Zamki zatrzaskowe z tworzywa sztucznego z przyciskiem, obracane
- Technika transportu wewnętrznego
- Kółka, rolki
- Kółka kierujące ze stali nierdzewnej, z otworem grzbietowym do obszarów higienicznych
- Kółka kierujące i podpierające z blachy stalowej ze standardowymi oponami z pełnej gumy, wersja ciężka
- Zestawy kołowe podnoszone zintegrowane z nóżkami poziomującymi i otworem centralnym lub płytką do przykręcania
- Kółka kierujące i podpierające z blachy stalowej z okładziną bieżną Extrathane, wersja średnia
- Stalowe kółka kierujące i podpierające do urządzeń, bieżnik z elastycznej gumy pełnej do profili aluminiowych
- Stalowe kółka kierujące i podpierające do urządzeń, bieżnik z elastycznej gumy pełnej do profili aluminiowych, forma A
- Stalowe kółka kierujące i podpierające do urządzeń, bieżnik z elastycznej gumy pełnej do profili aluminiowych, forma B
- Stalowe kółka kierujące i podpierające do urządzeń, bieżnik z elastycznej gumy pełnej do profili aluminiowych, forma C
- Kółka gumowe standardowe na felgach z blachy stalowej
- Kółka kierujące i podpierające z blachy stalowej, przewodzące prąd, z gumową okładziną bieżną, wersja ciężka
- Kółka podnoszone z wbudowaną nóżką poziomującą do profili aluminiowych
- Kółka kierujące i podpierające z blachy stalowej z okładziną bieżną Extrathane, wersja ciężka
- Kółka gumowe z powłoką bieżną Elastik
- Kółka kierujące i podpierające z blachy stalowej, z oponami z pełnej gumy, wersja standardowa
- Kółka podnoszone z wbudowaną stopką antywibracyjną antystatyczną do profili aluminiowych
- Kółka kierujące i podpierające stalowe, spawane, z okładziną bieżną Extrathane, wersja ciężka
- Kółka z poliamidu z natryskową okładziną
- Kółka kierujące i podpierające z blachy stalowej, przewodzące prąd, z gumową okładziną bieżną, wersja standardowa
- Kółka podpierające z blachy stalowej, przewodzące prąd, z gumową okładziną bieżną, wersja standardowa
- Kółka kierujące z blachy stalowej, przewodzące prąd, z gumową okładziną bieżną, wersja standardowa
- Kółka kierujące z blachy stalowej ze stop-fix, przewodzące prąd, z gumową okładziną bieżną, wersja standardowa
- Zestawy kołowe zintegrowane ze stopką antywibracyjną
- Kółka kierujące i podpierające z blachy stalowej z częścią toczną z poliamidu, wersja standardowa
- Kółka prowadzące
- Kółka kierujące i podpierające z blachy stalowej z wulkanizowanymi elastycznymi oponami z pełnej gumy, wersja standardowa
- Kółka podpierające z blachy stalowej z wulkanizowanymi elastycznymi oponami z pełnej gumy, wersja standardowa
- Kółka kierujące z blachy stalowej z wulkanizowanymi elastycznymi oponami z pełnej gumy, wersja standardowa
- Kółka kierujące z blachy stalowej ze stop-fix, z wulkanizowanymi elastycznymi oponami z pełnej gumy, wersja standardowa
- Kółka podnoszone z wbudowaną stopką antywibracyjną do profili aluminiowych
- Kółka kierujące i podpierające z blachy stalowej z częścią toczną z poliamidu, wersja ciężka
- Kółka aluminiowe z natryskową okładziną
- Kółka kierujące i podpierające z blachy stalowej ze zbrojonymi drutem stalowym oponami z pełnej gumy, wersja ciężka
- Kółka kierujące z blachy stalowej ze stop-top, ze zbrojonymi drutem stalowym oponami z pełnej gumy, wersja ciężka
- Kółka podpierające z blachy stalowej ze zbrojonymi drutem stalowym oponami z pełnej gumy, wersja ciężka
- Kółka kierujące z blachy stalowej ze zbrojonymi drutem stalowym oponami z pełnej gumy, wersja ciężka
- Kółka kierujące i podpierające do urządzeń przewodzące prąd, z gumową okładziną bieżną, wersja standardowa
- Kółka podpierające do urządzeń ze stop fix, przewodzące prąd, z gumową okładziną bieżną, wersja standardowa
- Kółka kierujące do urządzeń, przewodzące prąd, z gumową okładziną bieżną, wersja standardowa
- Kółka kierujące do urządzeń ze stop-fix, przewodzące prąd, z gumową okładziną bieżną, wersja standardowa
- Kółka kierujące i podpierające z blachy stalowej z częścią toczną z poliamidu, wersja ciężka, łożysko ślizgowe i kulkowe
- Kółka podpierające z blachy stalowej z częścią toczną z poliamidu, wersja ciężka, łożysko ślizgowe i kulkowe
- Kółka kierujące z blachy stalowej z częścią toczną z poliamidu, wersja ciężka, łożysko ślizgowe i kulkowe
- Kółka kierujące z blachy stalowej ze stop-top, z częścią toczną z poliamidu, wersja ciężka, łożysko ślizgowe i kulkowe
- Rolki transportowe do dużych obciążeń
- Kółka kierujące i podpierające z blachy stalowej z odporną na ścieranie okładziną poliuretanową, wersja standardowa
- Kółka podpierające z blachy stalowej z odporną na ścieranie okładziną poliuretanową, wersja standardowa
- Kółka kierujące z blachy stalowej z odporną na ścieranie okładziną poliuretanową, wersja standardowa
- Kółka kierujące z blachy stalowej ze stop-fix, z odporną na ścieranie okładziną poliuretanową, wersja standardowa
- Kółka kierujące ze stali nierdzewnej z otworem grzbietowym, z poliuretanową okładziną bieżną, do obszarów sterylnych
- Kółka kierujące i podpierające ze stali nierdzewnej z częścią toczną z poliamidu, wersja standardowa
- Kółka do dużych obciążeń tarcza kółka spawana
- Kółka kierujące i podpierające z blachy stalowej z elastyczną powłoką bieżną z pełnej gumy, wersja średnia
- Stalowe kółka kierujące i podpierające do urządzeń, bieżnik z TPU do profili aluminiowych
- Zestawy kołowe wersja kompaktowa
- Kółka z poliamidu
- Kółka kierujące i podpierające z blachy stalowej z poliuretanowo-elastomerową okładziną bieżną, wersja ciężka
- Stalowe kółka kierujące i podpierające do urządzeń, elektroprzewodzący bieżnik z TPU do profili aluminiowych
- Stalowe kółka kierujące i podpierające do urządzeń, elektroprzewodzący bieżnik z TPU do profili aluminiowych, forma C
- Stalowe kółka kierujące i podpierające do urządzeń, elektroprzewodzący bieżnik z TPU do profili aluminiowych, forma A
- Stalowe kółka kierujące i podpierające do urządzeń, elektroprzewodzący bieżnik z TPU do profili aluminiowych, forma B
- Kółka zwrotne i podpierające z blachy stalowej do obszarów sterylnych
- Kółka kierujące i podpierające do urządzeń, z oponami z pełnej gumy, wersja standardowa
- Kółka z poliamidu wersja ciężka
- Kółka zwrotne i podpierające z blachy stalowej z oponami z gumy miękkiej
- Stalowe kółka kierujące i podpierające do urządzeń, bieżnik z TPE do profili aluminiowych
- Kółka zwrotne i podpierające ze stali nierdzewnej do obszarów sterylnych
- Zestawy kołowe przewodzące prąd - wersja standardowa
- Kółka z duroplastu ogniotrwałe
- Kółka zwrotne z blachy stalowej, z otworem grzbietowym i oponami z gumy miękkiej
- Stalowe kółka kierujące i podpierające do urządzeń, elektroprzewodzący bieżnik z TPE do profili aluminiowych
- Stalowe kółka kierujące i podpierające do urządzeń, elektroprzewodzący bieżnik z TPE do profili aluminiowych, forma C
- Stalowe kółka kierujące i podpierające do urządzeń, elektroprzewodzący bieżnik z TPE do profili aluminiowych, forma A
- Stalowe kółka kierujące i podpierające do urządzeń, elektroprzewodzący bieżnik z TPE do profili aluminiowych, forma B
- Kulowe elementy transportowe
- Kulowe elementy transportowe z zatrzaskiem
- Kulowe elementy transportowe z trzpieniem gwintowanym
- Kulowe elementy transportowe stalowe z zaciskiem
- Rolki kulowe mini
- Pierścienie montażowe
- Kulowy element transportowy z obudową stalową
- Kulowe elementy transportowe z obudową stalową, kula z tworzywa sztucznego
- Kulowe elementy transportowe z oprawą z tworzywa sztucznego
- Kulowe elementy transportowe sprężynujące
- Kulowe elementy transportowe z masywną obudową stalową
- Kulowe elementy transportowe do dużego obciążenia
- Kulowe elementy transportowe do dużego obciążenia odpowiednie do stosowania na zewnątrz
- Kulowe elementy transportowe z otworami mocującymi, bez obudowy
- Ucha transportowe
- Ucho transportowe do przyspawania
- Gwintowany sworzeń nośny samozabezpieczający ze stali nierdzewnej z obracaną szeklą
- Śruby transportowe VDI 3366
- Szekla prosta
- Ucho transportowe stalowe z kabłąkiem U, obracane o 360 stopni
- Czop transportowy VDI 3366
- Szekla omega
- Śruby z uchem transportowym DIN 580
- Ucho transportowe
- Śruby z uchem transportowym ~ DIN 580
- Ucho transportowe z samoczynnym blokowaniem
- Nakrętki z uchem transportowym DIN 582
- Ucho transportowe z samoczynnym blokowaniem, nierdzewne
- Nakrętki z uchem transportowym ~ DIN 582
- Tuleje mocujące do trzpieni transportowych, stal nierdzewna
- Śruby z uchem transportowym obrotowe, o dużej wytrzymałości – klasa jakości 10
- Tuleje mocujące do trzpieni transportowych, stal nierdzewna, gładkie
- Śruby z uchem transportowym stal nierdzewna, obrotowe o dużej wytrzymałości
- Gwintowany sworzeń nośny samozabezpieczający ze stali
- Ucho transportowe obrotowe 360 stopni – klasa jakości 8
- Gwintowany sworzeń nośny samozabezpieczający ze stali nierdzewnej
- Ucho transportowe stalowe, obrotowe 360 stopni klasa jakości 10
- Gwintowany sworzeń nośny samozabezpieczający ze stali z obracaną szeklą
- Rolki prowadzące łożyska
- Rolki prowadzące stalowe z kołnierzem dwustronnym
- Trzpień ze stali lub ze stali nierdzewnej do rolek prowadzących
- Rolki prowadzące z tworzywa sztucznego cylindryczne bez trzpieni ze stali nierdzewnej i z nimi
- Rolki prowadzące z tworzywa sztucznego wypukłe bez trzpieni i z nimi ze stali nierdzewnej
- Rolki prowadzące z tworzywa sztucznego cylindryczne bez trzpieni
- Rolki prowadzące stalowe cylindryczne
- Rolki prowadzące stalowe wklęsłe
- Rolki prowadzące stalowe forma Y
- Rolki prowadzące stalowe z kołnierzem jednostronnym
- Kółka, rolki
- Dociskacze, napinacze suwakowe
- Dociskacze szybkomocujące
- Dociskacze pionowe z blokadą przylgą poziomą i przestawną śrubą dociskową
- Miniaturowe dociskacze poziome z prawą przylgą poziomą i przestawną śrubą dociskową
- Miniaturowe dociskacze pionowe z przylgą poziomą i stałą śrubą dociskową
- Dociskacze poziome z blokadą z przylgą poziomą i przestawną śrubą dociskową
- Dociskacze pionowe z przylgą poziomą i przestawną śrubą dociskową, stal nierdzewna
- Dociskacze poziome z przylgą pionową i masywnym ramieniem
- Dociskacze szybkomocujące z czarnej stali, pionowe z przylgą poziomą i przestawnym wrzecionem dociskowym
- Dociskacze szybkomocujące z czarnej stali, pionowe z przylgą poziomą i przestawnym wrzecionem dociskowym, forma A, małe
- Dociskacze szybkomocujące z czarnej stali, pionowe z przylgą poziomą i przestawnym wrzecionem dociskowym, forma B, średnie
- Dociskacze szybkomocujące z czarnej stali, pionowe z przylgą poziomą i przestawnym wrzecionem dociskowym, forma C, duże
- Dociskacze poziome z przylgą poziomą i przestawną śrubą dociskową, stal nierdzewna
- Dociskacze pionowe z blokadą z przylgą poziomą i przestawną śrubą dociskową, stal nierdzewna
- Miniaturowe dociskacze poziome z przylgą poziomą i stałą śrubą dociskową
- Dociskacze pionowe z przylgą poziomą i stałą śrubą dociskową
- Dociskacze poziome z blokadą z przylgą poziomą i przestawną śrubą dociskową, stal nierdzewna
- Dociskacz szybkomocujący antystatyczny pionowy z przylgą poziomą i nastawną śrubą dociskową
- Dociskacze szybkomocujące czarne, poziome z przylgą poziomą i przestawnym trzpieniem dociskowym
- Dociskacze szybkomocujące czarne, poziome z przylgą poziomą i przestawnym trzpieniem dociskowym, forma C, duże
- Dociskacze szybkomocujące czarne, poziome z przylgą poziomą i przestawnym trzpieniem dociskowym, forma A, małe
- Dociskacze szybkomocujące czarne, poziome z przylgą poziomą i przestawnym trzpieniem dociskowym, forma B, średnie
- Dociskacze pionowe z przylgą poziomą i masywnym ramieniem
- Dociskacz szybkomocujący antystatyczny poziomy z przylgą poziomą i nastawną śrubą dociskową
- Dociskacze pionowe z przylgą pionową i przestawną śrubą dociskową
- Dociskacze poziome z przylgą poziomą i stałą śrubą dociskową
- Dociskacze poziome ze stopką kątową i przestawną śrubą dociskową
- Dociskacze poziome z przylgą pionową i przestawną śrubą dociskową
- Dociskacze pionowe z blokadą z przylgą pionową i przestawną śrubą dociskową
- Dociskacze poziome z przylgą poziomą i masywnym ramieniem
- Dociskacze pionowe z blokadą z przylgą poziomą i przestawną śrubą dociskową
- Dociskacze poziome z blokadą z przylgą pionową i przestawną śrubą dociskową
- Dociskacze pionowe z przylgą pionową i przestawną śrubą dociskową, stal nierdzewna
- Dociskacze poziome stalowe z czujnikiem siły
- Dociskacze szybkomocujące stalowe poziome ciężkie z przestawną śrubą dociskową
- Dociskacze krzywkowe pionowe z przylgą poziomą
- Dociskacze poziome z przylgą pionową i przestawną śrubą dociskową, stal nierdzewna
- Dociskacze pionowe z blokadą z przylgą pionową i przestawną śrubą dociskową, stal nierdzewna
- Dociskacze poziome stalowe z blokadą i czujnikiem siły
- Dociskacze pionowe z przylgą pionową i stałą śrubą dociskową
- Dociskacze pionowe ciężkie z masywnym ramieniem
- Dociskacze poziome z blokadą z przylgą pionową i przestawną śrubą dociskową, stal nierdzewna
- Dociskacz szybkomocujący antystatyczny pionowy z przylgą pionową i nastawną śrubą dociskową
- Dociskacze poziome ze stali nierdzewnej z czujnikiem siły
- Dociskacze szybkomocujące stalowe, pionowe ciężkie z przestawną śrubą dociskową
- Miniaturowe dociskacze poziome z przylgą poziomą i przestawną śrubą dociskową
- Dociskacz szybkomocujący antystatyczny poziomy z przylgą pionową i nastawną śrubą dociskową
- Miniaturowe dociskacze poziome z przylgą pionową i przestawną śrubą dociskową
- Dociskacze poziome ze stali nierdzewnej z blokadą i czujnikiem siły
- Dociskacze pionowe ciężkie ze stałą śrubą dociskową
- Dociskacze poziome ciężkie z przestawną śrubą dociskową
- Dociskacze pionowe z przylgą poziomą i przestawną śrubą dociskową
- Miniaturowe dociskacze poziome z lewą przylgą poziomą i przestawną śrubą dociskową
- Dociskacze poziome z przylgą poziomą i przestawną śrubą dociskową
- Dociskacze pionowe z przylgą pionową i masywnym ramieniem
- Zapięcia z kabłąkiem
- zapięcia z hakiem
- Zapięcia z hakiem płaskie z zaczepem
- Zapięcia z pętlą płaskie z zaczepem
- Zapięcia z pętlą płaskie ciężkie z zaczepem
- Zapięcia z hakiem ze stali lub stali nierdzewnej, poziome, z długą drogą mocowania i elementem separującym
- Zapięcia z hakiem ze stali lub stali nierdzewnej, poziome z elementem separującym
- Dociskacze hakowe
- Zapięcia z pętlą ze stali lub stali nierdzewnej, poziome, z zaczepem, czerwona rękojeść z tworzywa sztucznego
- Zapięcia z pętlą stalowe, poziome, wersja ciężka z zaczepem, czerwona rękojeść z tworzywa sztucznego
- Zapięcia z pętlą pionowe z zaczepem
- Zapięcia z pętlą ze stali lub stali nierdzewnej, poziome, wersja ciężka z zaczepem, czerwona rękojeść z tworzywa sztucznego
- zapięcia z hakiem
- Napinacze suwakowe
- Napinacz suwakowy ze staliSiła zacisku do 3000 N
- Napinacz suwakowy ze stali, poziomySiła zacisku do 3000 N
- Napinacz suwakowy ze stali, wersja ciężka, z możliwością spawaniaSiła zacisku do 22 250 N
- Napinacz suwakowy ze staliSiła zacisku do 6675 N
- Miniaturowe napinacze suwakowe ze stali lub stali nierdzewnej ze wspornikiem
- Napinacz suwakowy ze staliSiła zacisku do 3575 N
- Napinacze suwakowe ze wspornikiem
- Napinacz suwakowy ze stali, wersja ciężkaSiła zacisku do 33 350 N
- Napinacze suwakowe bez podstawy
- Napinacze suwakowe ciężkie
- Napinacz suwakowy ze stali lub stali nierdzewnejSiła zacisku do 3150 N
- Napinacze suwakowe ciężkie z przekładaną dźwignią
- Napinacz suwakowy ze stali lub stali nierdzewnejSiła zacisku do 2670 N
- Napinacze suwakowe mini
- Napinacz suwakowy ze stali lub stali nierdzewnejSiła zacisku do 1350 N
- Miniaturowe napinacze suwakowe z podstawą
- Napinacz suwakowy ze stali, obrotowySiła zacisku do 2000 N
- Napinacze suwakowe z podstawą
- Dociskacze pneumatyczne
- Akcesoria do dociskaczy szybkomocujących
- Nakładki na rękojeści
- Podkładki do śrub dociskowych
- Elementy mocujące do dociskaczy z czujnikiem siły
- Rękojeści ochronne
- Adapter aluminiowy
- Łącznik wtykowy z przyłączem gwintowanym ekranowany
- Łącznik wtykowy z przyłączem gwintowanym, forma C
- Łącznik wtykowy z przyłączem gwintowanym, forma D
- Łącznik wtykowy z przyłączem gwintowanym, forma E
- Łącznik wtykowy z przyłączem gwintowanym, forma F
- Łącznik wtykowy z przyłączem gwintowanym, forma G
- Łącznik wtykowy z przyłączem gwintowanym, forma A
- Łącznik wtykowy z przyłączem gwintowanym, forma B
- Śruby ze stopką dociskową
- Płyta adaptacyjna okrągła
- Czujnik siły do dociskacza szybkomocującego
- Stopki dociskowe - neopren
- Nakrętki kuliste
- Śruby dociskowe stałe
- Czujniki stanu ze stali nierdzewnej z uchwytem do dociskacza
- Śruby dociskowe ze stopką przegubową
- Zestaw adapterów kątowych ze stali, ocynkowane i pasywowane
- Śruby dociskowe ze stopką neoprenową
- Zestaw adapterów kątowych ze stali, ocynkowane i pasywowane, do napinaczy szybkomocujących
- Poduszki z neoprenu
- Nakładki z tworzywa sztucznego, okrągłe z prostokątnym mocowaniem
- Nakładki ochronne
- Nakładki z tworzywa sztucznego, okrągłe z okrągłym mocowaniem
- Kołpaki ochronne antystatyczne
- Nakładki z tworzywa sztucznego, prostokątne z prostokątnym mocowaniem
- Nakładki neoprenowe
- Dociskacze szybkomocujące
- Narzędzia, sprzęt warsztatowy
- Narzędzia
- Regulowany klucz czołowy otworowy, zagięty
- Regulowany klucz czołowy otworowy
- Przegubowy klucz hakowy z noskiem
- Klucz hakowy z czopem DIN 1810B
- Pneumatyczne narzędzia montażowe do wstawek gwintowanych
- Klucze oczkowe
- Nasadki i wstawki z tworzywa sztucznego
- Klucz zaciskowyz osłonami szczęk
- Osłony szczękdo klucza zaciskowego
- Klucz hakowy z noskiem DIN 1810A rozszerzony
- Zapotrzebowanie warsztatowe
- Misy zaczepowe z tworzywa sztucznego, antystatyczne do rowków profilowych typu I oraz B oraz do profilu zawieszanego
- Uchwyt pojemnikowy z tworzywa sztucznego do profili aluminiowych, zamknięty lub otwarty
- Uchwyt pojemnikowy z tworzywa sztucznego, antystatyczny do profili aluminiowych, zamknięty
- Pojemnik zaczepowy z tworzywa sztucznego do rowków profilowych typu I oraz B oraz do profilu zawieszanego
- Pojemnik zaczepowy z tworzywa sztucznego, antystatyczny do profilu zawieszanego
- Adapter z tworzywa sztucznego do rowka profilowego, odchylany
- Adapter z tworzywa sztucznego, antystatyczny do rowka profilowego, odchylany
- Misy zaczepowe z tworzywa sztucznego do rowków profilowych typu I oraz B oraz do profilu zawieszanego
- Narzędzia
- Rękojeści nastawne, dźwignie mocujące, dźwignie mimośrodowe
- Dźwignie mimośrodowe
- Dźwignie mimośrodowe ze stali z gwintem zewnętrznym, podkładka dociskowa z tworzywa sztucznego i śruba dwustronna ze stali
- Dźwignie mimośrodowe ze stali nierdzewnej z gwintem wewnętrznym, podkładka dociskowa z tworzywa sztucznego
- Dźwignie mimośrodowe z tworzywa sztucznego z gwintem wewnętrznym, podkładka dociskowa z tworzywa sztucznego
- Podkładka ze stali nierdzewnej do dźwigni mimośrodowej
- Dźwignie mimośrodowe z tworzywa sztucznego z gwintem wewnętrznym, podkładka dociskowa z tworzywa sztucznego i metalu
- Dźwignie mimośrodowe aluminiowe z gwintem wewnętrznym, podkładka dociskowa z tworzywa sztucznego i metalu
- Dźwignia mimośrodowa nierdzewna z gwintem wewnętrznym, podkładka dociskowa nierdzewna
- Dźwignie mimośrodowe stalowe z gwintem wewnętrznym, podkładka dociskowa z tworzywa sztucznego i metalu
- Dźwignie mimośrodowe ze stali nierdzewnej z gwintem zewnętrznym, podkładka dociskowa i śruba dwustronna ze stali nierdzewnej
- Dźwignie mimośrodowe ze stali nierdzewnej z gwintem wewnętrznym, podkładka dociskowa z tworzywa sztucznego i metalu
- Dźwignie mimośrodowe aluminiowe z trzpieniami rozprężnymi ze stali z podkładką dociskową z tworzywa sztucznego
- Dźwignie mimośrodowe aluminiowe z gwintem wewnętrznym, podkładka dociskowa z tworzywa sztucznego
- Dźwignie mimośrodowe ze stali z gwintem wewnętrznym, podkładka dociskowa z tworzywa sztucznego
- Rękojeści nastawne
- Rękojeść nastawna z tworzywa sztucznego z gwintem zewnętrznym i funkcją zabezpieczającą, wstawka gwintowa ze stali nierdzewnej
- Rękojeści nastawne z cynkowego odlewu ciśnieniowego z gwintem zewnętrznym, wstawka gwintowa stalowa oksydowana
- Rękojeści nastawne z gwintem zewnętrznym i kołpakiem ochronnym, części stalowe nierdzewne, satynowane
- Rękojeści nastawne z tworzywa sztucznego z gwintem zewnętrznym i przyciskiem, wstawka gwintowa ze stali nierdzewnej
- Rękojeści nastawne z kołpakiem ochronnym, gwint zewnętrzny, satynowane
- Rękojeści nastawne z tworzywa sztucznego ergonomiczne z gwintem wewnętrznym, wstawka gwintowa ze stali nierdzewnej
- Rękojeści nastawne z cynkowego odlewu ciśnieniowego płaskie z gwintem zewnętrznym, wstawka gwintowa ze stali nierdzewnej
- Rękojeści nastawne ECO z tworzywa sztucznego z gwintem zewnętrznym, wstawka gwintowa stalowa pasywowana na niebiesko
- Rękojeści nastawne z cynkowego odlewu ciśnieniowego z gwintem wewnętrznym, wstawka gwintowa stalowa pasywowana na niebiesko
- Rękojeści nastawne cynkowe z gwintem wewnętrznym, wstawka gwintowana stalowa pasywowana na niebiesko, chromowane
- Rękojeści nastawne cynkowe z gwintem wewnętrznym, części stalowe pasywowane na niebiesko, satynowane
- Rękojeści nastawne cynkowe z gwintem wewnętrznym, części stalowe pasywowane na niebiesko, matowe strukturalne
- Rękojeści nastawne cynkowe z gwintem wewnętrznym, części stalowe pasywowane na niebiesko, chromowany na wysoki połysk
- Rękojeści nastawne cynkowe z gwintem wewnętrznym, wstawka gwintowana stalowa pasywowana na niebiesko, satynowane
- Rękojeści nastawne cynkowe z gwintem wewnętrznym, wstawka gwintowana stalowa pasywowana na niebiesko, matowe strukturalne
- Rękojeści nastawne z gwintem zewnętrznym i kołpakiem ochronnym, części stalowe nierdzewne, matowe strukturalne
- Rękojeści nastawne z tworzywa sztucznego z gwintem zewnętrznym i przedłużonym kołnierzem, wstawka gwintowa ze stali nierdzewnej
- Rękojeści nastawne z kołpakiem ochronnym, gwint zewnętrzny, matowe strukturalne
- Rękojeści nastawne z tworzywa sztucznego ergonomiczne z gwintem zewnętrznym, wstawka gwintowa ze stali nierdzewnej
- Rękojeści nastawne cynkowe z gwintem wewnętrznym i łożyskiem osiowym do zwiększania siły mocowania, satynowane
- Rękojeści nastawne ECO z tworzywa sztucznego z gwintem wewnętrznym, wstawka gwintowana ze stali nierdzewnej
- Rękojeści nastawne z cynkowego odlewu ciśnieniowego z gwintem zewnętrznym, wstawka gwintowa stalowa pasywowana na niebiesko
- Rękojeści nastawne cynkowe z gwintem zewnętrznym, wstawka gwintowana stalowa pasywowana na niebiesko, chromowane
- Rękojeści nastawne cynkowe z gwintem zewnętrznym, części stalowe pasywowane na niebiesko, satynowane
- Rękojeści nastawne cynkowe z gwintem zewnętrznym, części stalowe pasywowane na niebiesko, matowe strukturalne
- Rękojeści nastawne cynkowe z gwintem zewnętrznym, części stalowe pasywowane na niebiesko, chromowany na wysoki połysk
- Rękojeści nastawne cynkowa z gwintem zewnętrznym, wstawka gwintowa stalowa pasywowana na niebiesko, satynowane
- Rękojeści nastawne cynkowa z gwintem zewnętrznym, wstawka gwintowa stalowa pasywowana na niebiesko, matowe strukturalne
- Rękojeści nastawne stalowe, z gwintem wewnętrznym, kolor rubinowy, wstawka gwintowana stalowa oksydowana
- Rękojeści nastawne ze stali nierdzewnej z gwintem zewnętrznym i przedłużonym kołnierzem, wstawka gwintowa ze stali nierdzewnej
- Rękojeści nastawne z kołpakiem ochronnym, gwint wewnętrzny, części stalowe nierdzewne, satynowane
- Rękojeści nastawne z tworzywa sztucznego z gwintem zewnętrznym i stopką dociskową, wstawka gwintowa stalowa oksydowana
- Rękojeści nastawne z tworzywa sztucznego z gwintem zewnętrznym i kulką, wstawka gwintowa stalowa oksydowana
- Rękojeści nastawne z tworzywa sztucznego z gwintem zewnętrznym i kulką, powierzchnia gładka, wstawka gwintowa stalowa oksydowana
- Rękojeści nastawne z tworzywa sztucznego z gwintem zewnętrznym i kłem, wstawka gwintowa stalowa oksydowana
- Rękojeści nastawne z tworzywa sztucznego z gwintem zewnętrznym i nasadzaną kopułką, wstawka gwintowa stalowa oksydowana
- Rękojeści nastawne cynkowe z gwintem wewnętrznym i łożyskiem osiowym do zwiększania siły mocowania, matowe strukturalne
- Rękojeści nastawne ECO z tworzywa sztucznego z gwintem zewnętrznym, wstawka gwintowana ze stali nierdzewnej
- Rękojeści nastawne z cynkowego odlewu ciśnieniowego z gwintem wewnętrznym, wstawka gwintowa ze stali nierdzewnej
- Rękojeści nastawne z gwintem wewnętrznym, części stalowe nierdzewne, niepowlekane
- Rękojeści nastawne z gwintem wewnętrznym, części stalowe ze stali nierdzewnej, chromowany na wysoki połysk
- Rękojeści nastawne z gwintem wewnętrznym, wstawka gwintowana ze stali nierdzewnej, satynowane
- Rękojeści nastawne z gwintem wewnętrznym, wstawka gwintowa ze stali nierdzewnej, matowe strukturalne
- Rękojeści nastawne z gwintem wewnętrznym, wstawka gwintowa ze stali nierdzewnej, niepowlekane
- Rękojeści nastawne cynkowe z gwintem wewnętrznym, wstawka gwintowana ze stali nierdzewnej, chromowane
- Rękojeści nastawne z gwintem wewnętrznym, części stalowe nierdzewne, satynowane
- Rękojeści nastawne z gwintem wewnętrznym, części stalowe nierdzewne, matowe strukturalne
- Rękojeści nastawne stalowe, z gwintem zewnętrznym, rubinowe, wstawka gwintowana stalowa oksydowana
- Dźwignia zaciskowa z gwintem wewnętrznym i kołnierzem do podkładki uszczelniającej Hygienic USIT®
- Rękojeści nastawne z kołpakiem ochronnym, gwint wewnętrzny, części stalowe nierdzewne, matowe strukturalne
- Rękojeści nastawne z tworzywa sztucznego z gwintem wewnętrznym, wstawka gwintowa stalowa oksydowana
- Rękojeści nastawne z tworzywa sztucznego stałe, wstawka gwintowa stalowa pasywowana na niebiesko
- Rękojeści nastawne z tworzywa sztucznego stałe z gwintem wewnętrznym, wstawka gwintowa stalowa pasywowana na niebiesko
- Rękojeści nastawne z tworzywa sztucznego stałe z gwintem zewnętrznym, wstawka gwintowa stalowa pasywowana na niebiesko
- Rękojeści nastawne z tworzywa sztucznego stałe z otworem dokładnym, wstawka gwintowa stalowa pasywowana na niebiesko
- Rękojeść nastawna cynkowa gwint wewnętrzny, z łożyskiem osiowym do zwiększania siły mocowania, chromowany na wysoki połysk
- Rękojeści nastawne z tworzywa sztucznego antystatyczne z gwintem wewnętrznym, wstawka gwintowa stalowa oksydowana
- Rękojeści nastawne z cynkowego odlewu ciśnieniowego z gwintem zewnętrznym, wstawka gwintowa ze stali nierdzewnej
- Rękojeści nastawne z gwintem zewnętrznym, części stalowe ze stali nierdzewnej
- Rękojeści nastawne z gwintem zewnętrznym, części stalowe nierdzewne, matowe strukturalne
- Rękojeści nastawne z gwintem zewnętrznym, części stalowe nierdzewne, niepowlekane
- Rękojeści nastawne z gwintem zewnętrznym, części stalowe ze stali nierdzewnej, chromowany na wysoki połysk
- Rękojeści nastawne z cynkowego odlewu ciśnieniowego z gwintem wewnętrznym, satynowane, wstawka gwintowana stalowa oksydowana
- Dźwignia zaciskowa z gwintem zewnętrznym i kołnierzem do podkładki uszczelniającej Hygienic USIT®
- Rękojeści nastawne z kołpakiem ochronnym, gwint zewnętrzny, części stalowe nierdzewne, satynowane
- Rękojeści nastawne z tworzywa sztucznego z gwintem zewnętrznym, wstawka gwintowa stalowa oksydowana
- Rękojeści nastawne z gwintem wewnętrznym i kołpakiem ochronnym, satynowane
- Rękojeści nastawne cynkowe z gwintem zewnętrznym i łożyskiem osiowym do zwiększania siły mocowania, satynowane
- Rękojeści nastawne z tworzywa sztucznego antystatyczne z gwintem zewnętrznym, wstawka gwintowa stalowa oksydowana
- Rękojeści nastawne stalowe z gwintem wewnętrznym, wstawka gwintowa stalowa oksydowana
- Rękojeści nastawne z cynkowego odlewu ciśnieniowego z gwintem zewnętrznym, satynowane, wstawka gwintowana stalowa oksydowana
- Rękojeści nastawne 2K z gwintem wewnętrznym, wstawka gwintowa stalowa oksydowana
- Rękojeści nastawne z kołpakiem ochronnym, gwint zewnętrzny, części stalowe nierdzewne, matowe strukturalne
- Rękojeści nastawne z tworzywa sztucznego z gwintem wewnętrznym, wstawka gwintowa stalowa pasywowana na niebiesko
- Rękojeści nastawne z gwintem wewnętrznym i kołpakiem ochronnym, matowe strukturalne
- Rękojeści nastawne cynkowe z gwintem zewnętrznym i łożyskiem osiowym do zwiększania siły mocowania, matowe strukturalne
- Rękojeści nastawne z tworzywa sztucznego antybakteryjne z gwintem wewnętrznym, wstawka gwintowa ze stali nierdzewnej
- Rękojeści nastawne stalowe z gwintem zewnętrznym, wstawka gwintowa stalowa oksydowana
- Rękojeści nastawne z cynkowego odlewu ciśnieniowego z gwintem wewnętrznym, satynowane, wstawka gwintowana ze stali nierdzewnej
- Rękojeści nastawne 2K z gwintem zewnętrznym, wstawka gwintowa stalowa oksydowana
- Rękojeści nastawne ze stali nierdzewnej z gwintem wewnętrznym i kołpakiem ochronnym, wstawka gwintowa ze stali nierdzewnej
- Rękojeści nastawne z tworzywa sztucznego z gwintem zewnętrznym, wstawka gwintowa stalowa pasywowana na niebiesko
- Rękojeści nastawne z gwintem zewnętrznym i kołpakiem ochronnym, satynowane
- Rękojeść nastawna cynkowa gwint zewnętrzny, z łożyskiem osiowym do zwiększania siły mocowania, chromowany na wysoki połysk
- Rękojeści nastawne z tworzywa sztucznego antybakteryjne z gwintem zewnętrznym, wstawka gwintowa ze stali nierdzewnej
- Rękojeści nastawne ze stali nierdzewnej z gwintem wewnętrznym, wstawka gwintowa ze stali nierdzewnej
- Rękojeści nastawne z cynkowego odlewu ciśnieniowego z gwintem zewnętrznym, satynowane, wstawka gwintowana ze stali nierdzewnej
- Rękojeści nastawne 2K z gwintem wewnętrznym, wstawka gwintowa ze stali nierdzewnej
- Rękojeści nastawne ze stali nierdzewnej z gwintem zewnętrznym i kołpakiem ochronnym, wstawka gwintowa ze stali nierdzewnej
- Rękojeści nastawne z tworzywa sztucznego z gwintem wewnętrznym bezpieczne, wstawka gwintowa stalowa pasywowana na niebiesko
- Rękojeści nastawne z tworzywa sztucznego z gwintem wewnętrznym, wstawka gwintowa ze stali nierdzewnej
- Rękojeści nastawne z gwintem zewnętrznym i kołpakiem ochronnym, matowe strukturalne
- Rękojeści nastawne z tworzywa sztucznego z gwintem wewnętrznym i przyciskiem, wstawka gwintowa stalowa oksydowana
- Rękojeści nastawne ze stali nierdzewnej z gwintem zewnętrznym, wstawka gwintowa ze stali nierdzewnej
- Rękojeści nastawne stalowe z gwintem wewnętrznym, powlekane lakierem młotkowym, wstawka gwintowana stalowa oksydowana
- Rękojeści nastawne 2K z gwintem zewnętrznym, wstawka gwintowa ze stali nierdzewnej
- Rękojeści nastawne z cynkowego odlewu ciśnieniowego płaskie z gwintem wewnętrznym, wstawka gwintowa stalowa oksydowana
- Rękojeści nastawne z tworzywa sztucznego z gwintem zewnętrznym bezpieczne, wstawka gwintowa stalowa pasywowana na niebiesko
- Rękojeści nastawne z tworzywa sztucznego z gwintem zewnętrznym, wstawka gwintowa ze stali nierdzewnej
- Rękojeści nastawne z gwintem wewnętrznym i kołpakiem ochronnym, części stalowe nierdzewne, satynowane
- Rękojeści nastawne z tworzywa sztucznego z gwintem zewnętrznym i przyciskiem, wstawka gwintowa stalowa oksydowana
- Rękojeści nastawne z kołpakiem ochronnym, gwint wewnętrzny, satynowane
- Rękojeści nastawne stalowe z gwintem zewnętrznym, powlekane lakierem młotkowym, wstawka gwintowana stalowa oksydowana
- Rękojeści nastawne z tworzywa sztucznego ergonomiczne z gwintem wewnętrznym, wstawka gwintowa stalowa pasywowana na niebiesko
- Rękojeści nastawne z cynkowego odlewu ciśnieniowego płaskie z gwintem zewnętrznym, wstawka gwintowa stalowa oksydowana
- Rękojeść nastawna z tworzywa sztucznego z gwintem wewnętrznym i funkcją zabezpieczającą, wstawka gwintowa ze stali nierdzewnej
- Rękojeści nastawne z cynkowego odlewu ciśnieniowego z gwintem wewnętrznym, wstawka gwintowa stalowa oksydowana
- Rękojeści nastawne z gwintem wewnętrznym i kołpakiem ochronnym, części stalowe nierdzewne, matowe strukturalne
- Rękojeści nastawne z tworzywa sztucznego z gwintem wewnętrznym i przyciskiem, wstawka gwintowa ze stali nierdzewnej
- Rękojeści nastawne z kołpakiem ochronnym, gwint wewnętrzny, matowe strukturalne
- Rękojeści nastawne z tworzywa sztucznego ergonomiczne z gwintem zewnętrznym, wstawka gwintowa stalowa pasywowana na niebiesko
- Rękojeści nastawne z cynkowego odlewu ciśnieniowego płaskie z gwintem wewnętrznym, wstawka gwintowa ze stali nierdzewnej
- Dźwignie mocujące
- dźwignie mocujące płaskie
- Dźwignie zaciskowe DIN 99
- Dźwignie nastawne z gwintem wewnętrznym
- Dźwignie przełączające
- Dźwignie nastawne z gwintem zewnętrznym
- Dźwignie nastawne nierdzewne
- Dźwignie nastawne nierdzewne z gwintem wewnętrznym
- Dźwignie przełączające płaskie
- Dźwignie nastawne nierdzewne z gwintem zewnętrznym
- Klucze z grzechotką
- Dźwignie nastawne bezpieczne z gwintem wewnętrznym
- Dźwignie nastawne bezpieczne z gwintem zewnętrznym
- Dźwignie nastawne płaskie z gwintem wewnętrznym
- Dźwignie nastawne płaskie z gwintem zewnętrznym
- Dźwignie nastawne płaskie ze stali nierdzewnej z gwintem wewnętrznym
- Dźwignie nastawne płaskie ze stali nierdzewnej z gwintem zewnętrznym
- dźwignie mocujące płaskie
- Dźwignie mimośrodowe
- Elementy mocujące
- Łapy hakowe
- Łapy hakowe z kołnierzem
- Słupy dystansowe
- Łapy hakowe z wydłużonym elementem dociskowym
- Łapy hakowe z nasadką
- Sprężyny dociskowe do łap dociskowych
- Łapy hakowe z pierścieniem oporowym i dźwignią mimośrodową
- Łapy hakowe z kołnierzem i wydłużonym elementem dociskowym
- Łapy hakowe z kołnierzem i rękojeścią nastawną z łożyskiem osiowym do zwiększania siły mocowania
- Docisk nasadzany
- Łapy hakowe
- Łapy hakowe z obsadą boczną
- Obsady łap hakowych
- Łapy hakowe z obsadą boczną z wydłużoną łapą dociskową
- Dociski odchylane
- Dociski odchylane ciężkie nadają się do automatyzacji
- Docisk odchylany hydrauliczny kompaktowy podwójnego
- Element mocujący elastyczny
- Dociski odchylane ciężkie wydłużona droga mocowania z kołnierzem nadają się do automatyzacji
- Ramię mocujące do docisków odchylanych hydraulicznych kompaktowych
- Śruba naprężająca z pierścieniem zaciskowym do elementu mocującego elastycznego
- Dociski odchylane ciężkie, wydłużona droga mocowania nadają się do automatyzacji
- Docisk odchylany hydrauliczny podwójnego
- Pierścień zaciskowy do elementu mocującego elastycznego
- Dociski odchylane pneumatyczne
- Ramię mocujące do docisków odchylanych hydraulicznych
- Łapa hakowa szybkomocująca
- Przedłużenia do elementu mocującego elastycznego
- Dociski odchylane pneumatyczne przykręcane
- Miniaturowy dociskacz odchylany z dźwignią mimośrodową
- Ramię mocujące do zacisków szybkomocujących
- Listwa rowkowa do elementu mocującego elastycznego
- Dociski odchylane pneumatyczne przykręcane z kołnierzem
- Dociski z dźwignią obrotową pneumatyczną podwójnego działania
- Ramie do zaciskow
- Zacisk pływający
- Kołnierz montażowy aluminiowy
- Dociski z dźwignią obrotową hydrauliczne podwójnego
- Ramie do zaciskow z ograniczeniem momentu
- Zacisk pływający z oddzielnym zaciskiem przedmiotu obrabianego i blokadą
- Ramię mocujące do docisków odchylanych
- Dźwignie mocujące do docisków z dźwignią obrotową
- Miniaturowy dociskacz z dźwignią mimośrodową
- Szczęka mocująca do zacisku pływającego
- Adapter do docisków odchylanych
- Napinacz dźwigniowy pneumatyczny przykręcany z kołnierzem
- Miniaturowy dociskacz szybkomocujący
- Dociski odchylane
- Dociski odchylane pneumatyczne z korpusem blokowym
- Napinacze dźwigniowe hydrauliczne podwójnego działania
- Docisk odchylany miniaturowy z zatrzaskiem
- Łapa mocująca do docisków odchylnych
- Elementy mocujące stalowe
- Dociskacze hakowe, zacisk szybkomocujący
- Sworznie mocujące
- Sworznie mocujące z trzpieniem gwintowanym
- Zacisk szybkomocujący (ciężki)
- Sworznie mocujące (ciężkie)
- Zacisk szybkomocujacy
- Sworznie mocujące z trzpieniem gwintowanym (ciężkie)
- Zaciski szybkomocujące
- Dociskacze hakowe z możliwością automatyzacji
- Mechanizm mocujący „actima”
- Sworznie mocujące z trzpieniem gwintowanym do dociskaczy hakowych z możliwością automatyzacji
- Mechanizm mocujący „arness”
- Dociskacze hakowe z wbudowanym sworzniem mocującym z trzpieniem gwintowanym z możliwością automatyzacji
- Cylinder wkręcany hydrauliczny podwójnego działania
- Jednostka przedłużająca
- Cylinder wkręcany hydrauliczny pojedynczego działania, z wycofaniem za pomocą sprężyny
- Zaciski szybkomocujące pneumatyczne
- Siłowniki blokowe hydrauliczne ze zgarniaczem metalowym podwójnego
- Sworznie mocujące do pneumatycznych zacisków szybkomocujących
- Dociski boczne
- Docisk boczny stalowy, płaski
- Dociski boczne z podporą
- Zaciski boczne
- Łapy hakowe pneumatyczne
- Dociski boczne
- Dociski boczne hydrauliczne pojedynczego działania, z wycofaniem za pomocą sprężyny
- Elementy separujące docisków bocznych
- Dociskacz boczny nadaje się do automatyzacji
- Dociski „gripper” ze stali narzędziowej, czworokątnez otworem fazowanym
- Dociskacze boczne stalowe z końcówką dociskową
- Mechanizm mocujący z wkładką mocującą do dociskowego systemu mocującego
- Ogranicznik stały z wkładką mocującą do dociskowego systemu mocującego
- Mechanizm mocujący z wkładką wahliwą do dociskowego systemu mocującego
- Ogranicznik stały z wkładką wahliwą do dociskowego systemu mocującego
- Docisk boczny
- Płyta adaptacyjna do dociskowego systemu mocującego
- Ograniczniki do docisków bocznych
- Pierścienie adaptacyjne
- Docisk boczny palcowy
- Mimośród zaciskowy, zacisk mimośrodowy
- Zaciski mimośrodowe z dźwignią dwustronną
- Dociski boczne z mimośrodem
- Kostki dociskowe mimośrodowe pochyłe
- Zaciski mimośrodowe z dźwignią
- Zaciski mimośrodowe stal
- Kostki dociskowe mimośrodowe nastawne
- Zacisk mimośrodowy mosiężny
- Zaciski mimośrodowe stalowe z dźwignią nastawną
- Elementy separujące z podporą
- Mimośrodowe moduły mocujące
- Blacha mocująca stal nierdzewna do zacisków mimośrodowych
- Dociski
- Zaciski do mimośrodowych modułów mocujących
- Zaciski mimośrodowe kształtowe
- Kostka mocująca okrągła
- Zaciski mimośrodowe z tarczką sześciokątną zmienne
- Kostki mocujące
- Śruby z mimośrodem spiralnym
- Śruby zapasowe do zacisków mimośrodowych
- Zaciski mimośrodowe z tarczką ząbkowaną
- Sworznie stal lub stal nierdzewna
- Zaciski mimośrodowe z tarczką sześciokątną
- Dźwignie mimośrodowe pojedyncze
- Kostki dociskowe mimośrodowe boczne
- Zaciski mimośrodowe do rowków teowych
- Dźwignie mimośrodowe podwójne
- Zaciski mimośrodowe
- Kostki dociskowe mimośrodowe z podporą
- Docisk do rowków teowych
- Rozpieracze klinowe
- Tuleje centrujące rozprężne
- Dociskacz centrujący stal, okrągły
- Tuleja centrująca rozprężna okrągła
- Elementy mocujące do przedmiotów okrągłych
- Narzędzie montażowe do okrągłego elementu mocującego
- Trzpienie rozprężne
- Śruby zapasowe do trzpieni rozprężnych
- Trzpienie rozprężnez bocznym zaciskiem
- Trzpienie rozprężne do małych otworów
- Trzpienie rozprężne do małych otworów, do zautomatyzowanego mocowania
- Tuleje centrujące rozprężne
- Dociskacze centrujące z elementami kulowymi lub sześciokątnymi
- Jednostki mocujące
- Zestaw elementów dociskowych do napinaczy suwakowych kompaktowych
- Łapy dociskowe ze śrubami
- Łapy dociskowe nastawne ze śrubami zagięte
- Łapy mocujące regulowane bezstopniowo
- Łapy nasuwane
- Napinacz suwakowy 3-stopniowy
- Podpora dystansowa do łap nasuwanych
- Łapy dociskowe odsadzone z jednostką regulującą
- Elementy dociskowe do łap nasuwanych
- Jednostki mocujące
- Elementy dociskowe z tworzywa sztucznego do napinaczy suwakowych
- Podpory dystansowe forma P
- Napinacze suwakowe kompaktowe
- Łapy dociskowe regulowane
- Podwyższenia ze sprężystym elementem zatrzaskowym do napinaczy suwakowych kompaktowych
- Podpory dystansowe do łap dociskowych
- Elementy mocujące do systemów rastrowych
- Sworznie mocujące ze stali lub stali nierdzewnej z kątownikiem zaciskowym
- Sworznie mocujące ze stali lub stali nierdzewnej z płytą adaptacyjną
- Podpora obrotowa ze stali z trzpieniem gwintowanym
- Płytka stalowa otwarta
- Kątownik stalowy otwarty
- Sworznie mocujące ze stali
- Sworznie mocujące ze stali lub stali nierdzewnej z podkładką
- Łapa dociskowa
- Regulowane łapy dociskowe
- Łapa dociskowa prosta
- Łapy dociskowe rozwidlone DIN 6315, stal i aluminium
- Łapy dociskowe rozwidlone, z noskiem stal i aluminium
- Łapy odgięte
- Łapy dociskowe odgięte stal
- Łapa dociskowa
- Łapy dociskowe odgięte DIN 6316, stal i aluminium
- Łapa dociskowa dwustronne
- Łapy dociskowe regulowane bezstopniowo
- Łapy dociskowe z czujnikiem siły
- Element dociskowy podwójny
- Łapy dociskowe płaskie podobne do DIN 6314, stal i aluminium
- Element spreżynowy do łap dociskowych
- Łapa dociskowa ze spłaszczoną kulką
- Łapy hakowe
- Osłona higieniczna
- Uchwyty, pokrętła
- Uchwyty dynamometryczne
- Ramiona dźwigni
- Nakrętki radełkowane
- śruby radełkowane
- pokrętła radełkowane
- Nakrętki radełkowane wysokie stal i stal nierdzewna DIN 466
- Kółka radełkowane
- Śruby radełkowane wysokie stal i stal nierdzewna DIN 464
- Kółka radełkowane części stalowe ze stali nierdzewnej
- Śruby radełkowane niskie ze stali i stali nierdzewnej DIN 653
- Pokrętła do nastawiania
- Pokrętła radełkowane
- Pokrętła radełkowane, forma B, z oznaczeniem kreskowym
- Pokrętła radełkowane, forma C, ze skalą standardową
- Pokrętła radełkowane z gwintem wewnętrznym
- Pokrętła radełkowane z gwintem zewnętrznym
- Pokrętła radełkowane, forma C, z otworem nieprzelotowym gwintowanym
- Pokrętła radełkowane, forma E, z tuleją gwintowaną
- Pokrętła radełkowane, forma L, z gwintem zewnętrznym
- Pokrętła radełkowane z gwintem wewnętrznym
- Pokrętła radełkowane, forma A, bez skali
- Nakrętki radełkowane stal i stal nierdzewna DIN 6303
- Pokrętła radełkowane biopolimerowe
- Nakrętki radełkowane z tworzywa sztucznego
- Pokrętła radełkowane antystatyczne
- Nakrętki radełkowane z tworzywa sztucznego antystatyczne
- Pokrętła radełkowane z tworzywa sztucznego z możliwością wykrywania detektorami metalu
- Śruby radełkowane z tworzywa sztucznego
- Pokrętła radełkowane z tworzywa sztucznego z możliwością wykrywania wzrokowego
- Śruby radełkowane z tworzywa sztucznego antystatyczne
- Pokrętła radełkowane aluminiowe
- Nakrętki radełkowane ze stali lub stali nierdzewnej szybkomocujące
- Pokrętła radełkowane do śrub z sześciokątem zewnętrznym
- Nakrętki radełkowane płaskie stal i stal nierdzewna DIN 467
- Pokrętła radełkowane do śrub z gniazdem sześciokątnym
- pokrętła radełkowane
- śruby radełkowane
- Pokrętła krzyżowe
- pokrętła gwiaździste
- pokrętła mocujące
- Pokrętła wysokie
- Pokrętła gwiaździste podobne do DIN 6336, stal nierdzewna
- Pokrętła gwiaździste podobne do DIN 6336, stal nierdzewna, typ B, otwór przelotowy
- Pokrętła gwiaździste podobne do DIN 6336, stal nierdzewna, typ C, otwór nieprzelotowy
- Pokrętła gwiaździste podobne do DIN 6336, stal nierdzewna, typ D, nawiercony gwint
- Pokrętła gwiaździste podobne do DIN 6336, stal nierdzewna, typ E, otwór nieprzelotowy gwintowany
- Pokrętła gwiaździste podobne do DIN 6336, stal nierdzewna, typ L, z gwintem zewnętrznym
- Pokrętła gwiaździste biopolimerowe podobne do DIN 6336
- Pokrętła krzyżowe podobne do DIN 6335, z aluminium
- Pokrętła krzyżowe podobne do DIN 6335, aluminium, typ C, otwór nieprzelotowy
- Pokrętła krzyżowe podobne do DIN 6335, aluminium, typ D, nawiercony gwint
- Pokrętła krzyżowe podobne do DIN 6335, aluminium, typ E, otwór nieprzelotowy gwintowany
- Pokrętła krzyżowe podobne do DIN 6335, aluminium, typ L, z gwintem zewnętrznym
- Pokrętła krzyżowe podobne do DIN 6335, aluminium, typ A, półfabrykat
- Pokrętła krzyżowe podobne do DIN 6335, aluminium, typ B, otwór przelotowy
- Pokrętła gwiaździste pięcioramienne
- Pokrętła mocujące ergonomiczne
- Pokrętła gwiaździste DIN 6336, z żeliwa szarego
- Pokrętła gwiaździste DIN 6336, żeliwo szare, typ A, półfabrykat
- Pokrętła gwiaździste DIN 6336, żeliwo szare, typ B, otwór przelotowy
- Pokrętła gwiaździste DIN 6336, żeliwo szare, typ C, otwór nieprzelotowy
- Pokrętła gwiaździste DIN 6336, żeliwo szare, typ D, gwint i powiercenie
- Pokrętła gwiaździste DIN 6336, żeliwo szare, typ E, otwór nieprzelotowy gwintowany
- Pokrętła gwiaździste DIN 6336, z żeliwa szarego, typ L, z gwintem zewnętrznym
- Pokrętła gwiaździste biopolimer zbliżone do DIN 6336, części stalowe ze stali nierdzewnej
- Pokrętła krzyżowe podobne do DIN 6335, stal nierdzewna
- Pokrętła krzyżowe podobne do DIN 6335, stal nierdzewna, typ B, otwór przelotowy
- Pokrętła krzyżowe podobne do DIN 6335, stal nierdzewna, typ C, otwór nieprzelotowy
- Pokrętła krzyżowe podobne do DIN 6335, stal nierdzewna, typ D, nawiercony gwint
- Pokrętła krzyżowe podobne do DIN 6335, stal nierdzewna, typ E, otwór nieprzelotowy gwintowany
- Pokrętła krzyżowe podobne do DIN 6335, stal nierdzewna, typ L, z gwintem zewnętrznym
- Pokrętła trójkątne
- Pokrętła gwiaździste pięcioramienne antybakteryjne części stalowe ze stali nierdzewnej
- Pokrętła gwiaździste podobne do DIN 6336
- Pokrętła gwiaździste podobne do DIN 6336 gwint wewnętrzny, typ K
- Pokrętła gwiaździste podobne do DIN 6336, gwint zewnętrzny, typ L
- Pokrętła gwiaździste podobne do DIN 6336, gwint wewnętrzny bez pokrywy, forma D
- Pokrętła gwiaździste podobne do DIN 6336, bez tulei z otworem pasowanym, forma G
- Pokrętła gwiaździste podobne do DIN 6336, z tulejką pozycjonującą, forma H
- Pokrętła gwiaździste podobne do DIN 6336, gwint wewnętrzny z pokrywą, forma K
- Pokrętła gwiaździste podobne do DIN 6336, z łbem sześciokątnym, forma S
- Pokrętła gwiaździste antybakteryjne podobne do DIN 6336, części stalowe ze stali nierdzewnej
- Pokrętła krzyżowe DIN 6335, z żeliwa szarego
- Pokrętła krzyżowe DIN 6335, żeliwo szare, typ L, z gwintem zewnętrznym
- Pokrętła krzyżowe podobne do DIN 6335, żeliwo szare, typ A, półfabrykat
- Pokrętła krzyżowe DIN 6335, żeliwo szare, typ B, otwór przelotowy
- Pokrętła krzyżowe podobne do DIN 6335, żeliwo szare, typ C, otwór nieprzelotowy
- Pokrętła krzyżowe podobne do DIN 6335, żeliwo szare, forma D, nawiercony gwint
- Pokrętła krzyżowe podobne do DIN 6335, żeliwo szare, typ E, otwór nieprzelotowy gwintowany
- Pokrętła trójkątne obsadzone
- Pokrętła gwiaździste pięcioramienne z tworzywa sztucznego, wkładka gwintowana z mosiądzu lub stali
- Pokrętła gwiaździste podobne do DIN 6336, części stalowe ze stali nierdzewnej
- Pokrętła gwiaździste podobne do DIN 6336, części stalowe ze stali nierdzewnej, forma K, z tuleją gwintowaną
- Pokrętła gwiaździste podobne do DIN 6336, części stalowe ze stali nierdzewnej, forma L, z gwintem zewnętrznym
- Pokrętła gwiaździste podobne do DIN 6336, elementy stalowe ze stali nierdzewnej, gwint wewnętrzny bez pokrywy, forma D
- Pokrętła gwiaździste podobne do DIN 6336, elementy stalowe ze stali nierdzewnej, gwint wewnętrzny z pokrywą, forma K
- Pokrętła gwiaździste podobne do DIN 6336, części stalowe ze stali nierdzewnej, gwint wewnętrzny, typ L
- Pokrętła gwiaździste antystatyczne podobne do DIN 6336
- Pokrętła krzyżowe z żeliwa szarego powlekane tworzywem sztucznym wg DIN 6335
- Pokrętło trójkątne ergonomiczne
- Pokrętła gwiaździste pięcioramienne z tworzywa sztucznego (Duroplast), wkładka gwintowana ze stali
- Pokrętła gwiaździste z tworzywa sztucznego z odsadzoną tuleją stalową
- Pokrętła gwiaździste
- Pokrętła krzyżowe soft
- Pokrętło trójkątne 2K ergonomiczne
- Pokrętła gwiaździste pięcioramienne z tworzywa sztucznego z pokrywą, wkładka gwintowana ze stali lub stali nierdzewnej
- Pokrętła gwiaździste z obsadzoną piastą
- Pokrętła gwiaździste z linką zabezpieczającą DIN 6336
- Pokrętła krzyżowe podobne do DIN 6335
- Pokrętła gwiaździste czteroramienne
- Uchwyty gwiaździste z tworzywa sztucznego z możliwością wykrywania detektorami metalu z obsadzoną tuleją stalową
- Pokrętła krzyżowe z tworzywa sztucznego z obsadzoną tuleją stalową
- Pokretla gwiaździste z linką zabezpieczającą DIN 6336, części stalowe ze stali nierdzewnej
- Pokrętła gwiaździste pięcioramienne z gwintem wewnętrznym
- Pokrętła krzyżowe
- Pokrętła gwiaździste z tworzywa sztucznego z możliwością wykrywania wzrokowego z obsadzoną tuleją stalową
- Pokrętła krzyżowe z tworzywa sztucznego antybakteryjne z obsadzoną tuleją stalową
- Linka zabezpieczająca
- Pokrętła gwiaździste pięcioramienne z gwintem zewnętrznym
- Pokrętła krzyżowe podobne do DIN 6335, części stalowe ze stali nierdzewnej
- Pokrętła gwiaździste z tworzywa sztucznego z łożyskiem osiowym do zwiększania siły mocowania
- Pokrętła krzyżowe z tworzywa sztucznego odporne na wysokie temperatury z obsadzoną tuleją stalową
- Pokrętła krzyżowe szybkomocujące
- Pokrętło gwiaździste pięcioramienne ergonomiczne
- Szybkomocujące pokrętła krzyżowe z żeliwa szarego
- Pokrętła gwiaździste z wydłużonym kołnierzem
- Pokrętła krzyżowe z tworzywa sztucznego z możliwością wykrywania WZROKOWEGO z obsadzoną tuleją stalową
- Pokrętła gwiaździste z wydłużoną piastą
- Pokrętła gwiaździste pięcioramienne z tworzywa sztucznego, z kluczem
- Pokrętła gwiaździste podobne do DIN 6336, z aluminium
- Pokrętła gwiaździste podobne do DIN 6336, aluminium, typ A, półfabrykat
- Pokrętła gwiaździste podobne do DIN 6336, aluminium, typ B, otwór przelotowy
- Pokrętła gwiaździste podobne do DIN 6336, aluminium, typ C, otwór nieprzelotowy
- Pokrętła gwiaździste podobne do DIN 6336, aluminium, typ D, nawiercony gwint
- Pokrętła gwiaździste podobne do DIN 6336, aluminium, typ E, otwór nieprzelotowy gwintowany
- Pokrętła gwiaździste podobne do DIN 6336, aluminium, typ L, z gwintem zewnętrznym
- Pokrętła gwiaździste z tworzywa szcztucznego DIN 6336
- Pokrętła krzyżowe z tworzywa sztucznego, z możliwością wykrywania detektorem metalu, z wystającą tuleją stalową
- Uchwyty gwiazdowe z tworzywa sztucznego, z funkcją zabezpieczającą
- pokrętła mocujące
- pokrętła gwiaździste
- Przyciski
- Przyciski grzybkowe biopolimerowe z gwintem wewnętrznym
- Przyciski grzybkowe biopolimerowe z gwintem zewnętrznym
- Przyciski grzybkowe antybakteryjne z gwintem wewnętrznym części stalowe ze stali nierdzewnej
- Przyciski grzybkowe antybakteryjne z gwintem zewnętrznym części stalowe ze stali nierdzewnej
- Przyciski grzybkowe ze stali nierdzewnej z gwintem wewnętrznym i niskim kołnierzem
- Przyciski grzybkowe antystatyczne z gwintem wewnętrznym
- Przyciski grzybkowe z gwintem wewnętrznym
- Przyciski grzybkowe antystatyczne z gwintem zewnętrznym
- Przyciski grzybkowe z gwintem wewnętrznym
- Przyciski grzybkowe
- Przyciski grzybkowez gwintem zewnętrznym
- Przyciski grzybkowe z gwintem wewnętrznym z wysokim kołnierzem do podkładki uszczelniającej Hygienic USIT®
- Przyciski grzybkowe z gwintem zewnętrznym z wysokim kołnierzem do podkładki uszczelniającej Hygienic USIT®
- Przyciski grzybkowe z gwintem zewnętrznym
- Pokrętła motylkowe
- uchwyty T
- śruby z uchwytem
- Pokrętła motylkowe antystatyczne
- Nakrętki z uchwytem
- Uchwyty T z termoplastu
- Pokrętła motylkowe z przelotowym gwintem wewnętrznym
- Śruby z uchwytem
- Uchwyty T, możliwość wykrywania detektorami metalu
- Pokrętła motylkowe jednoskrzydłowe
- Uchwyty T
- Uchwyty T z możliwością wykrywania wzrokowego
- Pokrętła motylkowe „Miniwing”, stal nierdzewna
- Uchwyty T z tworzywa sztucznego
- Pokrętła motylkowe do śrub z gniazdem sześciokątnym
- Uchwyty T antystatyczne
- Pokrętła motylkowe „Miniwing”
- Uchwyty T stal nierdzewna
- Pokrętła motylkowe nierdzewne
- Uchwyty T antybakteryjne
- Pokrętła motylkowe „Miniwing” biopolimerowe
- Uchwyty T z gwintem wewnętrznym ze stali nierdzewnej do podkładki uszczelniającej Hygienic USIT®
- Nakrętki skrzydełkowe do podkładki uszczelniającej Hygienic USIT®
- Pokrętła motylkowe „Miniwing” antybakteryjne części stalowe ze stali nierdzewnej
- Uchwyty T ze stali nierdzewnej, z gwintem zewnętrznym do podkładki uszczelniającej Hygienic USIT® Freudenberg Process Seals
- Śruby skrzydełkowe do podkładki uszczelniającej Hygienic USIT®
- Pokrętła motylkowe „Miniwing” antystatyczne
- Śruby skrzydełkowe
- Nakrętki skrzydełkowe wąskie w wersji Hygienic DESIGN
- Uchwyty skrzydełkowe „Miniwing” z tworzywa sztucznego z możliwością wykrywania detektorami metalu
- Nakrętki skrzydełkowe
- Pokrętła motylkowe
- Uchwyty skrzydełkowe „Miniwing” z tworzywa sztucznego z możliwością wykrywania wzrokowego
- Pokrętła motylkowe z tworzywa sztucznego z pokrywą, wkładka gwintowana ze stali lub stali nierdzewnej
- Pokrętła motylkowe antybakteryjne części stalowe ze stali nierdzewnej
- Pokrętła motylkowe „Miniwing” z przelotowym gwintem wewnętrznym
- Pokrętła motylkowe z tworzywa sztucznego, wkładka gwintowana z mosiądzu lub stali
- śruby z uchwytem
- uchwyty T
- Uchwyty kuliste
- Zatrzaski kulkowe, trzpienie ustalające, trzpienie montażowe z kulką, rygle blokujące
- Zatrzaski kulkowe
- Dociski boczne ze sprężyną z tworzywa sztucznego
- Zatrzaski trzpieniowe z gniazdem sześciokątnym i trzpieniem dociskowym z POM, spłaszczone, stal
- Sprężynowe zatrzaski z gniazdem sześciokątnym i trzpieniem dociskowym, stal, z zabezpieczeniem gwintu
- Sprężynowe zatrzaski z gniazdem sześciokątnym i trzpieniem dociskowym, siła podstawowa, z zabezpieczeniem gwintu
- Sprężynowe zatrzaski z gniazdem sześciokątnym i trzpieniem dociskowym, siła zmniejszona, z zabezpieczeniem gwintu
- Sprężynowe zatrzaski z gniazdem sześciokątnym i trzpieniem dociskowym, siła wzmocniona, z zabezpieczeniem gwintu
- Zatrzaski kulkowe z nacięciem do wkrętaka i trzpieniem dociskowym, stalowe
- Zatrzaski kulkowe gładkie, samozaciskowe, tworzywo sztuczne
- Dociski boczne wciskane bez trzpienia
- Zatrzaski trzpieniowe z gniazdem sześciokątnym i trzpieniem dociskowym, ze stali nierdzewnej
- Sprężynowe zatrzaski z gniazdem sześciokątnym i trzpieniem dociskowym spłaszczonym, stal, z zabezpieczeniem gwintu
- Zatrzaski kulkowe z nacięciem do wkrętaka i trzpieniem dociskowym, ze stali nierdzewnej
- Zatrzaski kulkowe gładkie, z uszczelnieniem
- Dociski boczne osadzane na gwint
- Zatrzaski trzpieniowe z gniazdem sześciokątnym i trzpieniem dociskowym, spłaszczone, stal nierdzewna
- Sprężynowe zatrzaski z gniazdem sześciokątnym i trzpieniem dociskowym z POM, stal, z zabezpieczeniem gwintu
- Zatrzaski trzpieniowe z czujnikiem położenia krańcowego
- Zatrzaski kulkowe gładkie, bez kołnierza, stal nierdzewna
- Sworznie sprężyste
- Zatrzaski trzpieniowe z gniazdem sześciokątnym i trzpieniem dociskowym z POM, ze stali nierdzewnej
- Sprężynowe zatrzaski z gniazdem sześciokątnym i trzpieniem dociskowym z POM spłaszczonym, stal, z zabezpieczeniem gwintu
- Zatrzaski kulkowez główką
- Zatrzaski kulkowe z gniazdem sześciokątnym, stal
- Sworznie sprężyste z zabezpieczeniem przed przekręceniem
- Zatrzaski trzpieniowe z gniazdem sześciokątnym i trzpieniem dociskowym z POM, spłaszczone, stal nierdzewna
- Sprężynowe zatrzaski z gniazdem sześciokątnym i trzpieniem dociskowym, stal nierdzewna, z zabezpieczeniem gwintu
- Zatrzaski kulkowe gładkie, dwustronne
- Zatrzaski kulkowe z gniazdem sześciokątnym, stal nierdzewna
- Sprężynowe zatrzaski kulkowe z nacięciem, stal, z zabezpieczeniem gwintu
- Sprężynowe zatrzaski z gniazdem sześciokątnym i trzpieniem dociskowym spłaszczonym, stal nierdzewna, z zabezpieczeniem gwintu
- Zatrzaski kulkowe gładkie
- Zatrzaski kulkowe z gniazdem sześciokątnym i kulką ceramiczną, stal nierdzewna
- Sprężynowe zatrzaski kulkowe z nacięciem, stal nierdzewna, z zabezpieczeniem gwintu
- Zatrzaski kulkowe z nacięciem do wkrętaka, stal
- Sprężynowe zatrzaski z gniazdem sześciokątnym i trzpieniem dociskowym z POM, stal nierdzewna, z zabezpieczeniem gwintu
- Zatrzaski sprężynowe
- Zatrzaski trzpieniowe z gniazdem sześciokątnym i trzpieniem dociskowym, długie
- Sprężynowe zatrzaski z nacięciem i trzpieniem dociskowym, stal, z zabezpieczeniem gwintu
- Zatrzaski kulkowe z nacięciem do wkrętaka, stal nierdzewna
- Zatrzaski trzpieniowez główką
- Mechanizmy zatrzaskowe
- Zatrzaski trzpieniowe z gniazdem sześciokątnym i trzpieniem dociskowym, stalowe
- Sprężynowe zatrzaski z nacięciem i trzpieniem dociskowym, stal nierdzewna, z zabezpieczeniem gwintu
- Zatrzaski kulkowe z nacięciem do wkrętaka, kulka z POM
- Zatrzaski kulkowe gładkie, stal nierdzewna
- Mechanizmy zatrzaskowe kulowe
- Zatrzaski trzpieniowe z gniazdem sześciokątnym i trzpieniem dociskowym, spłaszczone, stal
- Sprężynowe zatrzaski kulkowe z gniazdem sześciokątnym, stal, z zabezpieczeniem gwintu
- Zatrzaski kulkowe z nacięciem do wkrętaka, kulka ze stali nierdzewnej
- Zatrzaski kulkowe gładkie długie, stal nierdzewna
- Dociski boczne
- Zatrzaski trzpieniowe z gniazdem sześciokątnym i trzpieniem dociskowym z POM, stalowe
- Sprężynowe zatrzaski kulkowe z gniazdem sześciokątnym, stal nierdzewna, z zabezpieczeniem gwintu
- Zatrzaski kulkowe z nacięciem do wkrętaka i kulką ceramiczną, stal nierdzewna
- Zatrzaski kulkowegładkie, tworzywo sztuczne
- Trzpienie ustalające
- Trzpienie ustalające ze stali lub stali nierdzewnej z uchwytem grzybkowym z tworzywa sztucznego i zabezpieczeniem gwintu
- Trzpienie ustalające ze stali lub stali nierdzewnej, wersja gładka, bez kołnierza, z trzpieniem gwintowanym
- Elementy uruchamiające ze stali nierdzewnej do zdalnego sterowania, z uchwytem T, systemy linki opancerzonej
- Elementy uruchamiające ze stali nierdzewnej do zdalnego sterowania, bez zatrzasku, z uchwytem T, systemy linki opancerzonej
- Elementy uruchamiające ze stali nierdzewnej do zdalnego sterowania, z zatrzaskiem i uchwytem T, systemy linki opancerzonej
- Elementy uruchamiające ze stali nierdzewnej do zdalnego sterowania, z krzywką obrotową i uchwytem T, systemy linki opancerzonej
- Trzpienie ustalające ze stali lub stali nierdzewnej z pierścieniem ciągnącym ze stali nierdzewnej
- Trzpienie ustalające stalowe z uchwytem grzybkowym z tworzywa sztucznego i oznaczeniem pozycji blokady
- Trzpienie ustalające ze stali lub stali nierdzewnej, wersja gładka, bez kołnierza z pierścieniem ciągnącym ze stali nierdzewnej
- Elementy uruchamiające ze stali nierdzewnej do zdalnego sterowania, z pokrętłem gwiaździstym, systemy linki opancerzonej
- Trzpienie ustalające ze stali lub stali nierdzewnej bez kołnierza z uchwytem grzybkowym z tworzywa sztucznego
- Trzpienie ustalające ze stali lub stali nierdzewnej z uchwytem grzybkowym z tworzywa sztucznego i blokadą
- Trzpienie ustalające ze stali lub stali nierdzewnej z uchwytem T z tworzywa sztucznego
- Elementy uruchamiające ze stali nierdzewnej do zdalnego sterowania, z rękojeścią nastawną, systemy linki opancerzonej
- Trzpienie ustalające ze stali nierdzewnej bez kołnierza z uchwytem grzybkowym ze stali nierdzewnej
- Trzpienie ustalające ze stali lub stali nierdzewnej, wersja krótka z uchwytem grzybkowym z tworzywa sztucznego
- Trzpienie ustalające precyzyjne stalowe z uchwytem kulistym z tworzywa sztucznego i stożkowym kołkiem ustalającym
- Trzpienie ustalające ze stali lub stali nierdzewnej z dźwignią mimośrodową z tworzywa sztucznego
- Trzpienie ustalające ze stali lub stali nierdzewnej, bez kołnierza, z uchwytem grzybkowym z tworzywa sztucznego, z pokrywą
- Trzpienie ustalające ze stali nierdzewnej, wersja krótka z uchwytem grzybkowym ze stali nierdzewnej
- Trzpienie ustalające ze stali nierdzewnej, wersja krótka z uchwytem grzybkowym ze stali nierdzewnej i rowkiem blokującym
- Trzpienie ustalające ze stali nierdzewnej, wersja krótka z uchwytem grzybkowym ze stali nierdzewnej
- Trzpienie ustalające ze stali nierdzewnej, wersja krótka z uchwytem grzybkowym ze stali nierdzewnej i przeciwnakrętką
- Trzpienie ustalające precyzyjne stalowe z uchwytem kulistym z tworzywa sztucznego i cylindrycznym kołkiem ustalającym
- Trzpienie ustalające pneumatyczne ze stali nierdzewnej
- Trzpienie ustalające pneumatyczne ze stali nierdzewnej, forma A, jednostronnego działania, wysuwane pneumatycznie
- Trzpienie ustalające pneumatyczne ze stali nierdzewnej, forma B, jednostronnego działania, wsuwane pneumatycznie
- Trzpienie ustalające pneumatyczne ze stali nierdzewnej, forma C, dwustronnego działania
- Trzpienie ustalające ze stali lub stali nierdzewnej wersja krótka z dźwignią imośrodową z tworzywa sztucznego
- Trzpienie ustalające ze stali nierdzewnej z uchwytem grzybkowym ze stali nierdzewnej
- Trzpienie ustalające ze stali nierdzewnej z uchwytem grzybkowym ze stali nierdzewnej
- Trzpienie ustalające ze stali nierdzewnej z uchwytem grzybkowym ze stali nierdzewnej i przeciwnakrętką
- Trzpienie ustalające ze stali nierdzewnej z uchwytem grzybkowym ze stali nierdzewnej i rowkiem zatrzaskowym
- Trzpienie ustalające ze stali nierdzewnej z uchwytem grzybkowym ze stali nierdzewnej, rowkiem zatrzaskowym i przeciwnakrętką
- Trzpienie ustalające stalowe z regulacją obrotową, pokrętłem z tworzywa sztucznego i stożkowym kołkiem ustalającym
- Trzpienie ustalające pneumatyczne ze stali lub stali nierdzewnej
- Trzpienie ustalające ze stali lub stali nierdzewnej z uchwytem grzybkowym z tworzywa sztucznego i przewodowym czujnikiem stanu
- Trzpienie ustalające ze stali lub stali nierdzewnej do elementów cienkościennych z uchwytem grzybkowym z tworzywa sztucznego
- Miniaturowe trzpienie ustalające ze stali lub stali nierdzewnej z uchwytem grzybkowym z tworzywa sztucznego
- Tuleje stalowe stożkowe
- Trzpienie ustalające ze stali lub stali nierdzewnej bez kołnierza z trzpieniem gwintowanym
- Trzpienie ustalające ze stali lub stali nierdzewnej z czujnikiem stanu i uchwytem grzybkowym
- Trzpienie ustalające ze stali lub stali nierdzewnej z uchwytem grzybkowym z tworzywa sztucznego, z pokrywą
- Trzpienie ustalające ze stali lub stali nierdzewnej z uchwytem z zaczepem z tworzywa sztucznego
- Trzpienie ustalające ze stali lub stali nierdzewnej z uchwytem z zaczepem z tworzywa sztucznego, forma A
- Trzpienie ustalające ze stali lub stali nierdzewnej z uchwytem z zaczepem z tworzywa sztucznego, forma B
- Trzpienie ustalające ze stali lub stali nierdzewnej z uchwytem z zaczepem z tworzywa sztucznego, forma C
- Trzpienie ustalające ze stali lub stali nierdzewnej z uchwytem z zaczepem z tworzywa sztucznego, forma D
- Trzpienie ustalające ECO ze stali lub stali nierdzewnej z uchwytem grzybkowym z tworzywa sztucznego i zabezpieczeniem gwintu
- Pokrętła zaciskowe z zatrzaskiem ze stali z pokrętłem gwiaździstym z tworzywa sztucznego
- Stopka magnetycznado anten WLAN
- Trzpienie ustalające ECO ze stali lub stali nierdzewnej z uchwytem grzybkowym z tworzywa sztucznego
- Trzpienie ustalające ECO ze stali lub stali nierdzewnej z uchwytem grzybkowym z tworzywa sztucznego
- Trzpienie ustalające ECO ze stali lub stali nierdzewnej z uchwytem grzybkowym z tworzywa sztucznego i przeciwnakrętką
- Trzpienie ustalające ECO ze stali lub stali nierdzewnej z uchwytem grzybkowym z tworzywa sztucznego i rowkiem zatrzaskowym
- Trzpienie ustalające ze stali nierdzewnej z uchwytem grzybkowym z tworzywa sztucznego, sterowane zdalnie
- Trzpienie ustalające ECO ze stali lub stali nierdzewnej, wersja krótka z uchwytem grzybkowym z tworzywa sztucznego
- Pokrętła zaciskowe z zatrzaskiem ze stali z pokrętłem gwiaździstym z tworzywa sztucznego i optycznym oznaczeniem blokady
- Kabel przedłużającydo anten WLAN
- Trzpienie ustalające ze stali lub stali nierdzewnej bez kołnierza z pierścieniem ciągnącym ze stali nierdzewnej
- Trzpienie ustalające ze stali nierdzewnej do zdalnego sterowania, systemy linki opancerzonej
- Trzpienie ustalające ze stali nierdzewnej do zdalnego sterowania, systemy linki opancerzonej, z sześciokątem
- Trzpienie ustalające ze stali nierdzewnej do zdalnego sterowania, systemy linki opancerzonej, gwint przelotowy
- Trzpienie ustalające ze stali nierdzewnej do zdalnego sterowania, systemy linki opancerzonej, gładkie
- Trzpienie ustalające stalowe z hakiem ciągnącym
- Trzpienie ustalające stalowe z pokrętłem gwiaździstym pięcioramiennym z tworzywa sztucznego
- Trzpienie ustalające ze stali lub stali nierdzewnej z uchwytem grzybkowym z tworzywa sztucznego
- Trzpienie ustalające ze stali lub stali nierdzewnej z uchwytem grzybkowym z tworzywa sztucznego
- Trzpienie ustalające ze stali lub stali nierdzewnej z uchwytem grzybkowym z tworzywa sztucznego i przeciwnakrętką
- Trzpienie ustalające ze stali lub stali nierdzewnej z uchwytem grzybkowym z tworzywa sztucznego i rowkiem zatrzaskowym
- Trzpienie ustalające ze stali lub stali nierdzewnej, wersja gładka, bez kołnierza z uchwytem grzybkowym z tworzywa sztucznego
- Elementy uruchamiające ze stali nierdzewnej do zdalnego sterowania, z uchwytem grzybkowym, systemy linki opancerzonej
- Trzpienie ustalające ze stali lub stali nierdzewnej z trzpieniem gwintowanym
- Trzpienie ustalające z uchwytem jednoskrzydłowym
- Rygiel, z sześciokątem
- Trzpienie ryglujące z zabezpieczeniem gwintu
- Rygiel, stal nierdzewna z sześciokątem
- Trzpienie ryglujące stal nierdzewna z zabezpieczeniem gwintu
- Trzpień ustalający z uchwytem jednoskrzydłowym stal z prowadnicą ewnętrzną
- Trzpień ustalający z uchwytem jednoskrzydłowym stal z prowadnicą wewnętrzną, forma A, bez kapturka rygla, bez nakrętki
- Trzpień ustalający z uchwytem jednoskrzydłowym, stal z prowadnicą wewnętrzną, forma B, bez kapturka rygla, z nakrętką
- Trzpień ustalający z uchwytem jednoskrzydłowym, stal z prowadnicą wewnętrzną, forma C, z kapturkiem rygla, bez nakrętki
- Trzpień ustalający z uchwytem jednoskrzydłowym, stal z prowadnicą wewnętrzną, forma D, z kapturkiem rygla, z nakrętką
- Rygle zamykające
- Trzpienie ustalające z uchwytem jednoskrzydełkowym
- Trzpienie ustalające z uchwytem jednoskrzydełkowym, typ A, C
- Rygle, forma E, bez kapturka rygla
- Trzpienie ustalające z uchwytem jednoskrzydełkowym, typ B, D
- Rygle, forma F, z kapturkiem rygla
- Trzpienie ustalające z uchwytem jednoskrzydełkowym, formy A i C
- Rygle, forma A, bez kapturka rygla, bez nakrętki
- Trzpienie ustalające z uchwytem jednoskrzydełkowym, formy B i D
- Rygle, forma B, bez kapturka rygla, z nakrętką
- Rygle, forma C, z kapturkiem rygla, bez nakrętki
- Rygle, forma D, z kapturkiem rygla, z nakrętką
- Rygle z ogranicznikiem, forma A, bez kapturka rygla, bez nakrętki
- Rygle z ogranicznikiem, forma B, bez kapturka rygla, z nakrętką
- Rygle z ogranicznikiem, forma C, z kapturkiem rygla, bez nakrętki
- Rygle z ogranicznikiem, forma D, z kapturkiem rygla, z nakrętką
- Rygiel ze sprężyną powrotną stal lub mosiądz rygiel do góry lub do dołu
- Rygiel blokujący ze stali z czworokątem
- Rygiel ze sprężyną powrotną aluminium rygiel w lewo lub w prawo
- Trzpień ustalający z uchwytem jednoskrzydłowym stal nierdzewna z prowadnicą wewnętrzną
- Rygiel ze sprężyną powrotną stal nierdzewna rygiel do góry lub do dołu
- Trzpienie ustalające z uchwytem jednoskrzydełkowym, stal nierdzewna
- Rygle ze stali nierdzewnej, forma D, z kapturkiem rygla, z nakrętką
- Rygle ze stali nierdzewnej z ogranicznikiem, forma A, bez kapturka rygla, bez nakrętki
- Rygle ze stali nierdzewnej z ogranicznikiem, forma B, bez kapturka rygla, z nakrętką
- Rygle ze stali nierdzewnej z ogranicznikiem, forma C, z kapturkiem rygla, bez nakrętki
- Rygle ze stali nierdzewnej z ogranicznikiem, forma D, z kapturkiem rygla, z nakrętką
- Trzpienie ustalające z uchwytem jednoskrzydełkowym, stal nierdzewna, forma A
- Rygle ze stali nierdzewnej, forma E, bez kapturka rygla
- Trzpienie ustalające z uchwytem jednoskrzydełkowym, stal nierdzewna, forma B
- Rygle ze stali nierdzewnej, forma F, z kapturkiem rygla
- Rygle ze stali nierdzewnej, forma A, bez kapturka rygla, bez nakrętki
- Rygle ze stali nierdzewnej, forma B, bez kapturka rygla, z nakrętką
- Rygle ze stali nierdzewnej, forma C, z kapturkiem rygla, bez nakrętki
- Trzpień ryglujący ze stali nierdzewnej z czworokątem
- Trzpienie ustalające stal nierdzewna z uchwytem jednoskrzydełkowym
- Trzpienie montażowe
- Zamknięcia obrotowe ze stali nierdzewnej z regulacją i pokrętłem z tworzywa sztucznego lub stali nierdzewnej
- Trzpienie montażowe z uchwytem z tworzywa sztucznego
- Trzpienie montażowe z uchwytem T z cynkowego odlewu ciśnieniowego
- Trzpienie montażowe z uchwytem grzybkowym ze stali nierdzewnej
- Zamknięcia zaciskowe ze stali nierdzewnej
- Trzpienie montażowe z uchwytem L z tworzywa sztucznego
- Trzpienie montażowe z uchwytem T z cynkowego odlewu ciśnieniowego, o dużej wytrzymałości na ścinanie
- Trzpienie montażowe
- Zamknięcia obrotowe ze stali nierdzewnej w wersji ciężkiejz regulacją i pokrętłem z tworzywa sztucznego lub stali nierdzewnej
- Trzpienie montażowe z uchwytem L z tworzywa sztucznego, o dużej wytrzymałości na ścinanie
- Trzpienie montażowe z uchwytem T z tworzywa sztucznego i blokadą łba
- Trzpienie montażowe o dużej wytrzymałości na ścinanie
- Trzpienie blokujące ze stali nierdzewnej z uchwytem grzybkowym ze stali nierdzewnej
- Trzpienie montażowe z uchwytem z tworzywa sztucznego, o dużej wytrzymałości na ścinanie
- Trzpienie montażowe z uchwytem teowym aluminiowym
- Trzpień montażowy zamykany
- Trzpienie montażowe ze stali nierdzewnej z uchwytem z tworzywa sztucznego i magnetyczną blokadą jednostronną
- Trzpienie montażowe z uchwytem T z tworzywa sztucznego
- Trzpienie montażowe z uchwytem L aluminiowym
- Trzpienie montażowe z uchwytem grzybkowym, ze stali nierdzewnej, o dużej wytrzymałości na ścinanie
- Trzpienie montażowe ze stali nierdzewnej z uchwytem grzybkowym z tworzywa sztucznego
- Trzpienie montażowe z uchwytem T z tworzywa sztucznego, o dużej wytrzymałości na ścinanie
- Trzpienie montażowe ze stali lub stali nierdzewnej bez łba, z gwintem
- Trzpienie montażowe z uchwytem grzybkowym ze stali nierdzewnej, nastawne
- Trzpienie montażowe stalowe z kółkiem z drutu ze stali nierdzewnej
- Trzpienie montażowe zamykane z uchwytem z tworzywa sztucznego
- Trzpienie montażowe ze stali z gwintem
- Trzpienie montażowe z uchwytem grzybkowym ze stali nierdzewnej, o dużej wytrzymałości na ścinanie, regulowane
- Trzpienie montażowe stalowe z blokadą bezpieczeństwa
- Trzpienie montażowe zamykane z uchwytem teowym z tworzywa sztucznego
- Trzpienie montażowe ze stali nierdzewnej z gwintem
- Trzpienie montażowe ze stali nierdzewnej z uchwytem pierścieniowym ze stali nierdzewnej
- Trzpienie montażowe stalowe z blokadą jednostronną
- Trzpienie montażowe z uchwytem L z cynkowego odlewu ciśnieniowego
- Trzpienie montażowe z regulacją obrotową i pokrętłem z tworzywa sztucznego lub stali nierdzewnej
- Trzpienie montażowe z blokadą łba
- Trzpienie montażowe z uchwytem L z cynkowego odlewu ciśnieniowego, o dużej wytrzymałości na ścinanie
- Trzpienie montażowe stalowe, ciężka wersja wykonaniaz regulacją obrotową i pokrętłem ze stali nierdzewnej
- Trzpienie montażowe z uchwytem z tworzywa sztucznego i blokadą łba
- Trzpienie montażowe z uchwytem L z tworzywa sztucznego i blokadą łba
- Linki zabezpieczające
- Akcesoria do zatrzasków kulkowych
- Płytka dystansowa do mechanizmu zatrzaskowego
- Adapter kątowy do mechanizmu zatrzaskowego
- Zamknięcie magnetyczne
- Adapter kątowy do zamknięcia magnetycznego
- Tuleje mimośrodowe i narzędzia montażowe do osadzania docisków bocznych
- Narzędziemontażowe
- Narzędzie montażowe do docisków bocznych ze sprężyną z tworzywa sztucznego
- Dociski mimośrodowe z otworem centrującym
- Klucz montażowy
- Gniazda do zatrzasków
- Akcesoria do trzpieni ustalających i trzpieni ustalających z uchwytem jednoskrzydłowym
- Pierścienie dystansowe stal nierdzewna
- Uchwyt czujnika z rowkiem teowym do siłowników okrągłych
- Rozdzielacz cięgna Bowdena do trzpieni ustalających ze zdalnym sterowaniem
- Zestawy montażowe ze stali lub stali nierdzewnej do części o cienkich ściankach
- Cięgna Bowdena do trzpieni ustalających sterowanych zdalnie
- Tuleje stożkowe ze stali lub stali nierdzewnej, do trzpieni ustalających premium
- Liny stalowe z końcówką
- Tuleje walcowe ze stali lub stali nierdzewnej, do trzpieni ustalających premium
- Pancerze cięgna z rurą wewnętrzną
- Tuleje stalowe stożkowe do trzpieni ustalających precyzyjnych
- Tuleje krańcowe
- Tuleje stalowe walcowe do trzpieni ustalających precyzyjnych
- Śruby ustalające
- Tarczka wkręcana
- Złączki wkręcane zacisk z wkrętem bez łba
- Elementy montażowe
- Tuleje pozycjonujące ze stali lub stali nierdzewnej z czujnikiem stanu
- Tuleje pozycjonujące ze stali lub stali nierdzewnej z czujnikiem stanu, forma C, z gwintem i stożkiem zachodzącym
- Tuleje pozycjonujące ze stali lub stali nierdzewnej z czujnikiem stanu, forma D, gładki
- Tuleje pozycjonujące ze stali lub stali nierdzewnej z czujnikiem stanu, forma A, gwint przelotowy
- Tuleje pozycjonujące ze stali lub stali nierdzewnej z czujnikiem stanu, forma B, z gwintem i kołnierzem
- Zaczepy zamykające stal lub mosiądz do rygli ze sprężyną powrotną
- Tuleje pozycjonujące ze stali lub stali nierdzewnej do czujnika stanu
- Tuleje pozycjonujące ze stali lub stali nierdzewnej do czujnika stanu, forma C, z gwintem i stożkiem zachodzącym
- Tuleje pozycjonujące ze stali lub stali nierdzewnej do czujnika stanu, forma D, gładki
- Tuleje pozycjonujące ze stali lub stali nierdzewnej do czujnika stanu, forma A, gwint przelotowy
- Tuleje pozycjonujące ze stali lub stali nierdzewnej do czujnika stanu, forma B, z gwintem i kołnierzem
- Zaczepy zamykające aluminium do rygli ze sprężyną powrotną
- Tuleje pozycjonujące do trzpieni ustalających
- Czujnik pola magnetycznego
- Akcesoria do trzpieni montażowych blokujących
- Tuleje mocujące ze stali nierdzewnej do trzpieni montażowych z blokadą łba
- Tuleja
- Tuleje mocujące ze stali nierdzewnej z kołnierzem do trzpieni montażowych
- Trzpień blokujący do tulei
- Pierścienie dystansowe ze stali nierdzewnej do zamknięć zaciskowych
- Sworznie mocujące ze stali nierdzewnej
- Sworznie mocujące ze stali nierdzewnej, do zamknięć obrotowych
- Tuleje magnetyczne
- Tuleje mocujące do trzpieni montażowych
- Kołek do tulei magnetycznej
- Tuleja mocująca stalowa do trzpienia montażowego
- Tuleje mocujące do trzpieni montażowych z zabezpieczeniem gwintu
- Tuleje mocujące ze stali nierdzewnej do czujnika stanu do trzpieni montażowych z załączaniem obrotowym
- Tuleje mocujące ze stali nierdzewnej z czujnikiem stanu
- Tuleje mocujące ze stali nierdzewnej z czujnikiem stanu do trzpieni montażowych z załączaniem obrotowym
- Tuleje mocujące ze stali nierdzewnej do czujnika stanu
- Tuleja z zamknięciem obrotowym
- Brama sieciowa, moduł Bluetooth
- Zatrzaski kulkowe
- Zatrzaski kulkowe oraz trzpieniowe, trzpienie ustalające, trzpienie montażowe z kulką, rygle blokujące
- Trzpienie ustalające
- Trzpienie ustalające ze stali lub stali nierdzewnej z czujnikiem stanu i uchwytem grzybkowym
- Pokrętła zaciskowe z zatrzaskiem ze stali z pokrętłem gwiaździstym z tworzywa sztucznego
- Trzpienie ustalające ECO ze stali lub stali nierdzewnej z uchwytem grzybkowym z tworzywa sztucznego
- Trzpienie ustalające ECO ze stali lub stali nierdzewnej z uchwytem grzybkowym z tworzywa sztucznego
- Trzpienie ustalające ECO ze stali lub stali nierdzewnej z uchwytem grzybkowym z tworzywa sztucznego i przeciwnakrętką
- Trzpienie ustalające ECO ze stali lub stali nierdzewnej z uchwytem grzybkowym z tworzywa sztucznego i rowkiem zatrzaskowym
- Trzpienie ustalające ECO ze stali lub stali nierdzewnej, wersja krótka z uchwytem grzybkowym z tworzywa sztucznego
- Pokrętła zaciskowe z zatrzaskiem ze stali z pokrętłem gwiaździstym z tworzywa sztucznego i optycznym oznaczeniem blokady
- Trzpienie ustalające ze stali lub stali nierdzewnej z uchwytem grzybkowym z tworzywa sztucznego
- Trzpienie ustalające ze stali lub stali nierdzewnej z uchwytem grzybkowym z tworzywa sztucznego
- Trzpienie ustalające ze stali lub stali nierdzewnej z uchwytem grzybkowym z tworzywa sztucznego i przeciwnakrętką
- Trzpienie ustalające ze stali lub stali nierdzewnej z uchwytem grzybkowym z tworzywa sztucznego i rowkiem zatrzaskowym
- Trzpienie ustalające ze stali lub stali nierdzewnej bez kołnierza z pierścieniem ciągnącym ze stali nierdzewnej
- Trzpienie ustalające stalowe z hakiem ciągnącym
- Trzpienie ustalające stalowe z pokrętłem gwiaździstym pięcioramiennym z tworzywa sztucznego
- Trzpienie ustalające ze stali lub stali nierdzewnej z uchwytem grzybkowym z tworzywa sztucznego i zabezpieczeniem gwintu
- Trzpienie ustalające ze stali lub stali nierdzewnej, wersja gładka, bez kołnierza z uchwytem grzybkowym z tworzywa sztucznego
- Trzpienie ustalające ze stali lub stali nierdzewnej z trzpieniem gwintowanym
- Trzpienie ustalające stalowe z uchwytem grzybkowym z tworzywa sztucznego i oznaczeniem pozycji blokady
- Trzpienie ustalające ze stali lub stali nierdzewnej, wersja gładka, bez kołnierza, z trzpieniem gwintowanym
- Elementy uruchamiające ze stali nierdzewnej do zdalnego sterowania, z uchwytem grzybkowym, systemy linki opancerzonej
- Trzpienie ustalające ze stali lub stali nierdzewnej z pierścieniem ciągnącym ze stali nierdzewnej
- Trzpienie ustalające ze stali lub stali nierdzewnej z uchwytem grzybkowym z tworzywa sztucznego i blokadą
- Trzpienie ustalające ze stali lub stali nierdzewnej, wersja gładka, bez kołnierza z pierścieniem ciągnącym ze stali nierdzewnej
- Elementy uruchamiające ze stali nierdzewnej do zdalnego sterowania, z uchwytem T, systemy linki opancerzonej
- Elementy uruchamiające ze stali nierdzewnej do zdalnego sterowania, bez zatrzasku, z uchwytem T, systemy linki opancerzonej
- Elementy uruchamiające ze stali nierdzewnej do zdalnego sterowania, z zatrzaskiem i uchwytem T, systemy linki opancerzonej
- Elementy uruchamiające ze stali nierdzewnej do zdalnego sterowania, z krzywką obrotową i uchwytem T, systemy linki opancerzonej
- Trzpienie ustalające ze stali lub stali nierdzewnej, bez kołnierza, z uchwytem grzybkowym z tworzywa sztucznego
- Trzpienie ustalające ze stali lub stali nierdzewnej, wersja krótka z uchwytem grzybkowym z tworzywa sztucznego
- Trzpienie ustalające ze stali lub stali nierdzewnej z uchwytem T z tworzywa sztucznego
- Elementy uruchamiające ze stali nierdzewnej do zdalnego sterowania, z pokrętłem gwiaździstym, systemy linki opancerzonej
- Trzpienie ustalające ze stali nierdzewnej bez kołnierza z uchwytem grzybkowym ze stali nierdzewnej
- Trzpienie ustalające ze stali nierdzewnej, wersja krótka z uchwytem grzybkowym ze stali nierdzewnej
- Trzpienie ustalające precyzyjne stalowe z uchwytem kulistym z tworzywa sztucznego i stożkowym kołkiem ustalającym
- Elementy uruchamiające ze stali nierdzewnej do zdalnego sterowania, z rękojeścią nastawną, systemy linki opancerzonej
- Trzpienie ustalające ze stali lub stali nierdzewnej, bez kołnierza, z uchwytem grzybkowym z tworzywa sztucznego, z pokrywą
- Trzpienie ustalające ze stali nierdzewnej z uchwytem grzybkowym ze stali nierdzewnej
- Trzpienie ustalające ze stali nierdzewnej z uchwytem grzybkowym ze stali nierdzewnej
- Trzpienie ustalające ze stali nierdzewnej z uchwytem grzybkowym ze stali nierdzewnej i przeciwnakrętką
- Trzpienie ustalające ze stali nierdzewnej z uchwytem grzybkowym ze stali nierdzewnej i rowkiem zatrzaskowym
- Trzpienie ustalające ze stali nierdzewnej z uchwytem grzybkowym ze stali nierdzewnej, rowkiem zatrzaskowym i przeciwnakrętką
- Trzpienie ustalające precyzyjne stalowe z uchwytem kulistym z tworzywa sztucznego i cylindrycznym kołkiem ustalającym
- Trzpienie ustalające ze stali lub stali nierdzewnej z dźwignią mimośrodową z tworzywa sztucznego
- Trzpienie ustalające pneumatyczne ze stali nierdzewnej
- Trzpienie ustalające pneumatyczne ze stali nierdzewnej, forma A, jednostronnego działania, wysuwane pneumatycznie
- Trzpienie ustalające pneumatyczne ze stali nierdzewnej, forma B, jednostronnego działania, wsuwane pneumatycznie
- Trzpienie ustalające pneumatyczne ze stali nierdzewnej, forma C, dwustronnego działania
- Trzpienie ustalające ze stali nierdzewnej z uchwytem grzybkowym ze stali nierdzewnej i przedłużonym trzpieniem ustalającym
- Trzpienie ustalające stalowe z regulacją obrotową, pokrętłem z tworzywa sztucznego i stożkowym kołkiem ustalającym
- Trzpienie ustalające ze stali lub stali nierdzewnej wersja krótka z dźwignią imośrodową z tworzywa sztucznego
- Trzpienie ustalające pneumatyczne ze stali lub stali nierdzewnej
- Trzpienie ustalające ze stali lub stali nierdzewnej do elementów cienkościennych z uchwytem grzybkowym z tworzywa sztucznego
- Tuleje stalowe stożkowe
- Trzpienie ustalające ze stali lub stali nierdzewnej z uchwytem grzybkowym z tworzywa sztucznego i przewodowym czujnikiem stanu
- Trzpienie ustalające ze stali lub stali nierdzewnej bez kołnierza z trzpieniem gwintowanym
- Trzpienie ustalające ze stali lub stali nierdzewnej z uchwytem grzybkowym z tworzywa sztucznego, z pokrywą
- Trzpienie ustalające ECO ze stali lub stali nierdzewnej z uchwytem grzybkowym z tworzywa sztucznego i zabezpieczeniem gwintu
- Trzpienie ustalające z uchwytem jednoskrzydłowym
- Rygiel, z sześciokątem
- Trzpienie ryglujące z zabezpieczeniem gwintu
- Rygiel, stal nierdzewna z sześciokątem
- Trzpienie ryglujące stal nierdzewna z zabezpieczeniem gwintu
- Trzpień ustalający z uchwytem jednoskrzydłowym stal z prowadnicą ewnętrzną
- Trzpień ustalający z uchwytem jednoskrzydłowym stal z prowadnicą wewnętrzną, forma A, bez kapturka rygla, bez nakrętki
- Trzpień ustalający z uchwytem jednoskrzydłowym, stal z prowadnicą wewnętrzną, forma B, bez kapturka rygla, z nakrętką
- Trzpień ustalający z uchwytem jednoskrzydłowym, stal z prowadnicą wewnętrzną, forma C, z kapturkiem rygla, bez nakrętki
- Trzpień ustalający z uchwytem jednoskrzydłowym, stal z prowadnicą wewnętrzną, forma D, z kapturkiem rygla, z nakrętką
- Rygiel ze sprężyną powrotną stal lub mosiądz rygiel do góry lub do dołu
- Trzpienie ustalające z uchwytem jednoskrzydełkowym
- Trzpienie ustalające z uchwytem jednoskrzydełkowym, typ A, C
- Rygle, forma E, bez kapturka rygla
- Trzpienie ustalające z uchwytem jednoskrzydełkowym, typ B, D
- Rygle, forma F, z kapturkiem rygla
- Trzpienie ustalające z uchwytem jednoskrzydełkowym, formy A i C
- Rygle, forma A, bez kapturka rygla, bez nakrętki
- Trzpienie ustalające z uchwytem jednoskrzydełkowym, formy B i D
- Rygle, forma B, bez kapturka rygla, z nakrętką
- Rygle, forma C, z kapturkiem rygla, bez nakrętki
- Rygle, forma D, z kapturkiem rygla, z nakrętką
- Rygle z ogranicznikiem, forma A, bez kapturka rygla, bez nakrętki
- Rygle z ogranicznikiem, forma B, bez kapturka rygla, z nakrętką
- Rygle z ogranicznikiem, forma C, z kapturkiem rygla, bez nakrętki
- Rygle z ogranicznikiem, forma D, z kapturkiem rygla, z nakrętką
- Rygiel ze sprężyną powrotną aluminium rygiel w lewo lub w prawo
- Rygiel blokujący ze stali z czworokątem
- Rygiel ze sprężyną powrotną stal nierdzewna rygiel do góry lub do dołu
- Trzpień ustalający z uchwytem jednoskrzydłowym stal nierdzewna z prowadnicą wewnętrzną
- Trzpienie ustalające z uchwytem jednoskrzydełkowym, stal nierdzewna
- Rygle ze stali nierdzewnej, forma D, z kapturkiem rygla, z nakrętką
- Rygle ze stali nierdzewnej z ogranicznikiem, forma A, bez kapturka rygla, bez nakrętki
- Rygle ze stali nierdzewnej z ogranicznikiem, forma B, bez kapturka rygla, z nakrętką
- Rygle ze stali nierdzewnej z ogranicznikiem, forma C, z kapturkiem rygla, bez nakrętki
- Rygle ze stali nierdzewnej z ogranicznikiem, forma D, z kapturkiem rygla, z nakrętką
- Trzpienie ustalające z uchwytem jednoskrzydełkowym, stal nierdzewna, forma A
- Rygle ze stali nierdzewnej, forma E, bez kapturka rygla
- Trzpienie ustalające z uchwytem jednoskrzydełkowym, stal nierdzewna, forma B
- Rygle ze stali nierdzewnej, forma F, z kapturkiem rygla
- Rygle ze stali nierdzewnej, forma A, bez kapturka rygla, bez nakrętki
- Rygle ze stali nierdzewnej, forma B, bez kapturka rygla, z nakrętką
- Rygle ze stali nierdzewnej, forma C, z kapturkiem rygla, bez nakrętki
- Trzpień ryglujący ze stali nierdzewnej z czworokątem
- Trzpienie ustalające stal nierdzewna z uchwytem jednoskrzydełkowym
- Trzpienie montażowe
- Trzpienie montażowe z uchwytem grzybkowym ze stali nierdzewnej, kołek hartowany
- Trzpienie montażowe ze stali nierdzewnej z uchwytem z tworzywa sztucznego i magnetyczną blokadą jednostronną
- Trzpienie montażowe zamykane z uchwytem z tworzywa sztucznego
- Trzpienie montażowe ze stali z gwintem
- Trzpienie montażowe ze stali nierdzewnej z uchwytem grzybkowym z tworzywa sztucznego
- Trzpienie montażowe ze stali nierdzewnej z uchwytem pierścieniowym ze stali nierdzewnej
- Trzpienie montażowe zamykane z uchwytem teowym z tworzywa sztucznego
- Trzpienie montażowe ze stali nierdzewnej z gwintem
- Trzpienie montażowe stalowe z kółkiem z drutu ze stali nierdzewnej
- Trzpienie montażowe z blokadą łba
- Trzpienie montażowe z uchwytem L z cynkowego odlewu ciśnieniowego
- Trzpienie montażowe z regulacją obrotową i pokrętłem z tworzywa sztucznego lub stali nierdzewnej
- Trzpienie montażowe stalowe z blokadą bezpieczeństwa
- Trzpienie montażowe z uchwytem z tworzywa sztucznego i blokadą łba
- Trzpienie montażowe z uchwytem L z cynkowego odlewu ciśnieniowego, o dużej wytrzymałości na ścinanie
- Trzpienie montażowe z uchwytem grzybkowym ze stali nierdzewnej
- Trzpienie montażowe ze stali nierdzewnej, wsuwane, z regulacją obrotową i pokrętłem ze stali nierdzewnej
- Trzpienie montażowe stalowe z blokadą jednostronną
- Trzpienie montażowe z uchwytem z tworzywa sztucznego i kołnierzem z metalu lub tworzywa sztucznego
- Trzpienie montażowe z uchwytem L z tworzywa sztucznego i blokadą łba
- Trzpienie montażowe
- Trzpienie montażowe stalowe, ciężka wersja wykonaniaz regulacją obrotową i pokrętłem ze stali nierdzewnej
- Trzpienie montażowe z uchwytem L z tworzywa sztucznego
- Trzpienie montażowe z uchwytem T z cynkowego odlewu ciśnieniowego
- Trzpienie montażowe o dużej wytrzymałości na ścinanie
- Trzpienie montażowe ze stali nierdzewnej, wsuwane, wersja ciężka z regulacją obrotową i pokrętłem ze stali nierdzewnej
- Trzpienie montażowe z uchwytem L z tworzywa sztucznego, o dużej wytrzymałości na ścinanie
- Trzpienie montażowe z uchwytem T z cynkowego odlewu ciśnieniowego, o dużej wytrzymałości na ścinanie
- Trzpień montażowy zamykany
- Zamknięcia obrotowe ze stali nierdzewnej z regulacją i pokrętłem z tworzywa sztucznego lub stali nierdzewnej
- Trzpienie montażowe z uchwytem z tworzywa sztucznego
- Trzpienie montażowe z uchwytem T z tworzywa sztucznego i blokadą łba
- Trzpienie montażowe z uchwytem grzybkowym, ze stali nierdzewnej, o dużej wytrzymałości na ścinanie
- Zamknięcia zaciskowe ze stali nierdzewnej
- Trzpienie montażowe z uchwytem z tworzywa sztucznego, o dużej wytrzymałości na ścinanie
- Trzpienie montażowe z uchwytem teowym aluminiowym
- Trzpienie montażowe z uchwytem grzybkowym ze stali nierdzewnej, nastawne
- Zamknięcia obrotowe ze stali nierdzewnej w wersji ciężkiejz regulacją i pokrętłem z tworzywa sztucznego lub stali nierdzewnej
- Trzpienie montażowe z uchwytem T z tworzywa sztucznego
- Trzpienie montażowe z uchwytem L aluminiowym
- Trzpienie montażowe z uchwytem grzybkowym ze stali nierdzewnej, o dużej wytrzymałości na ścinanie, regulowane
- Trzpienie blokujące ze stali nierdzewnej z uchwytem grzybkowym ze stali nierdzewnej
- Trzpienie montażowe z uchwytem T z tworzywa sztucznego, o dużej wytrzymałości na ścinanie
- Trzpienie montażowe ze stali lub stali nierdzewnej bez łba, z gwintem
- Linki zabezpieczające
- Akcesoria do zatrzasków kulkowych oraz trzpieniowych
- Narzędzie montażowe do docisków bocznych osadzane na gwint
- Klucz montażowy
- Gniazda do zatrzasków
- Zamknięcie magnetyczne
- Tuleje mimośrodowe i narzędzia montażowe do osadzania docisków bocznych
- Narzędzie montażowe do docisków bocznych
- Narzędzie montażowe do docisków bocznych ze sprężyną z tworzywa sztucznego
- Dociski mimośrodowe z otworem centrującym
- Akcesoria do trzpieni ustalających i trzpieni ustalających z uchwytem jednoskrzydłowym
- Zestawy montażowe ze stali lub stali nierdzewnej do części o cienkich ściankach
- Tuleje stożkowe ze stali lub stali nierdzewnej, do trzpieni ustalających premium
- Tuleje walcowe ze stali lub stali nierdzewnej, do trzpieni ustalających premium
- Tuleje stalowe stożkowe do trzpieni ustalających precyzyjnych
- Cięgna Bowdena do trzpieni ustalających sterowanych zdalnie
- Tuleje stalowe walcowe do trzpieni ustalających precyzyjnych
- Liny stalowe z końcówką
- Tarczka wkręcana
- Pancerze cięgna z rurą wewnętrzną
- Elementy montażowe
- Tuleje pozycjonujące ze stali lub stali nierdzewnej z czujnikiem stanu
- Tuleje pozycjonujące ze stali lub stali nierdzewnej z czujnikiem stanu, forma A, gwint przelotowy
- Tuleje pozycjonujące ze stali lub stali nierdzewnej z czujnikiem stanu, forma B, z gwintem i kołnierzem
- Tuleje pozycjonujące ze stali lub stali nierdzewnej z czujnikiem stanu, forma C, z gwintem i stożkiem zachodzącym
- Tuleje pozycjonujące ze stali lub stali nierdzewnej z czujnikiem stanu, forma D, gładki
- Aluminiowe elementy montażowe do trzpieni ustalających i rygli
- Tuleje pozycjonujące ze stali lub stali nierdzewnej do czujnika stanu
- Tuleje pozycjonujące ze stali lub stali nierdzewnej do czujnika stanu, forma A, gwint przelotowy
- Tuleje pozycjonujące ze stali lub stali nierdzewnej do czujnika stanu, forma B, z gwintem i kołnierzem
- Tuleje pozycjonujące ze stali lub stali nierdzewnej do czujnika stanu, forma C, z gwintem i stożkiem zachodzącym
- Tuleje pozycjonujące ze stali lub stali nierdzewnej do czujnika stanu, forma D, gładki
- Zaczepy zamykające stal lub mosiądz do rygli ze sprężyną powrotną
- Tuleje pozycjonujące do trzpieni ustalających
- Pierścienie dystansowe stal nierdzewna
- Akcesoria do trzpieni montażowych blokujących
- Tuleje mocujące ze stali nierdzewnej do czujnika stanu do trzpieni montażowych z załączaniem obrotowym
- Tuleje mocujące ze stali nierdzewnej z kołnierzem do trzpieni montażowych
- Tuleje mocujące ze stali nierdzewnej z czujnikiem stanu do trzpieni montażowych z załączaniem obrotowym
- Tuleja z zamknięciem obrotowym
- Tuleja
- Pierścienie dystansowe ze stali nierdzewnej do zamknięć zaciskowych
- Sworznie mocujące ze stali nierdzewnej
- Sworznie mocujące ze stali nierdzewnej, do zamknięć obrotowych
- Tuleje mocujące do trzpieni montażowych z zabezpieczeniem gwintu
- Tuleje mocujące ze stali nierdzewnej z czujnikiem stanu
- Tuleje mocujące do trzpieni montażowych
- Tuleje mocujące ze stali nierdzewnej do czujnika stanu
- Tuleja mocująca stalowa do trzpienia montażowego
- Tuleje mocujące ze stali nierdzewnej do trzpieni montażowych z blokadą łba
- Brama sieciowa, moduł Bluetooth
- Trzpienie ustalające
- Uchwyty pałąkowe, uchwyty kasetowe, uchwyty profilowane
- Uchwyty pałąkowe
- uchwyty łukowe
- Uchwyty pałąkowe z tworzywa sztucznego z obustronnym skosem
- Uchwyty kabłąkowe ze stali nierdzewnej, owalne
- Uchwyty pałąkowe z tworzywa sztucznego kwadratowe
- Uchwyty pałąkowe żeliwne okrągłe
- Uchwyty pałąkowe z aluminium powlekane proszkowo lub anodowane, profil owalny, montaż po stronie obsługi
- Uchwyty łukowe z tworzywa sztucznego, profil U z otworem fasolkowym
- Uchwyty pałąkowe z tworzywa sztucznego, montaż po stronie obsługi
- Uchwyty pałąkowe z tworzywa sztucznego z obustronnym skosem i miękką powierzchnią wewnętrzną
- Uchwyty pałąkowe aluminiowe okrągłe
- Uchwyty pałąkowe aluminiowe kwadratowe
- Uchwyty pałąkowe z tworzywa sztucznego wygięte
- Uchwyty pałąkowe aluminiowe owalne z otworem przelotowym
- Uchwyty pałąkowe ze stali nierdzewnej z pierścieniem uszczelniającym Hygienic DESIGN
- Uchwyty pałąkowe z tworzywa sztucznego odpornego na działanie wysokich temperatur, montaż po stronie obsługi
- Uchwyty pałąkowe z tworzywa sztucznego z miękkimi powierzchniami chwytnymi
- Podkładki zamykające aluminiowe, płaskie, do uchwytów pałąkowych okrągłych
- Uchwyty pałąkowe aluminiowe z ramieniem uchwytu z tworzywa sztucznego, montaż po stronie obsługi
- Zaślepki do profili z tworzywa sztucznego do uchwytów pałąkowych wygiętych
- Uchwyty pałąkowe aluminiowe owalne zdejmowane
- Uchwyty pałąkowe stalowe chromowane, profil okrągły, montaż od tyłu
- Uchwyty pałąkowe biopolimerowe
- Uchwyty pałąkowe z aluminium, anodowane na częściowy połysk, montaż od tyłu
- Uchwyty pałąkowe do podkładki uszczelniającej Hygienic USIT®
- Uchwyty pałąkowe aluminiowe z ramieniem uchwytu z tworzywa sztucznego i żłobkowanym żebrem poprzecznym uchwytu, montaż od tyłu
- Uchwyty pałąkowe z aluminium anodowane, okrągłe wygięte, profil okrągły Ø 10, montaż od tyłu
- Uchwyty pałąkowe z tworzywa sztucznego antybakteryjne
- Uchwyty pałąkowe aluminiowe owalne pochylone
- Uchwyty pałąkowe ze stali nierdzewnej, owalne pochylone
- Uchwyty pałąkowe z aluminium lakierowane, montaż od strony obsługi lub od tyłu
- Uchwyty pałąkowe ze stali nierdzewnej 1.4404, profil okrągły polerowany lub piaskowany, montaż od tyłu
- Uchwyty pałąkowe aluminiowe z ramieniem uchwytu z tworzywa sztucznego i pokrywą, montaż po stronie obsługi
- Uchwyty pałąkowe z aluminium anodowane, okrągłe wygięte, profil okrągły Ø 16 i 18, montaż od tyłu
- Uchwyty pałąkowe z tworzywa sztucznego antystatyczne
- Uchwyty pałąkowe aluminiowe, owalne pochylone
- Uchwyty pałąkowe aluminiowe z obustronnym skosem
- Podkładka ze stali nierdzewnej
- Uchwyty pałąkowe aluminiowe z ramieniem uchwytu z tworzywa sztucznego, montaż od tyłu
- Podkładki zamykające aluminiowe, stożkowe, do uchwytów pałąkowych okrągłych
- Uchwyty pałąkowe z tworzywa sztucznego, montaż od strony obsługi lub od tyłu
- Uchwyty pałąkowe z aluminium anodowane, profil owalny 20x10, montaż od tyłu
- Uchwyty pałąkowe nierdzewne
- Uchwyty pałąkowe ze stali nierdzewnej 1.4404, profil okrągły bębnowany, montaż od tyłu
- Uchwyty trzpieniowe aluminiowe okrągłe
- Uchwyty pałąkowe z tworzywa sztucznego pochylone
- Uchwyty pałąkowe stalowe okrągłe wygięte
- Uchwyty pałąkowe z tworzywa sztucznego odpornego na działanie wysokich temperatur, montaż od tyłu
- Uchwyty pałąkowe aluminiowe owalne
- Uchwyty pałąkowe ze stali nierdzewnej z obustronnym skosem
- Uchwyty pałąkowe ze stali nierdzewnej okrągłe z szeroką podkładką
- Uchwyty trzpieniowe ze stali nierdzewnej okrągłe
- Uchwyty pałąkowe z tworzywa sztucznego mocowane z jednej strony
- Uchwyty pałąkowe ze stali, profil okrągły chromowany matowo lub powlekany proszkowo, montaż od tyłu
- Uchwyty pałąkowe z tworzywa sztucznego z możliwością wykrywania detektorami metalu
- Uchwyty pałąkowe ze stali nierdzewnej 1.4301 lub 1.4404, profil owalny 21x13, montaż od tyłu
- Uchwyty pałąkowe z tworzywa sztucznego okrągłe z jednostronnym skosem
- Uchwyty trzpieniowe stalowe okrągłe
- Uchwyty pałąkowe z tworzywa sztucznego owalne
- Uchwyty łukowe z tworzywa sztucznego, pełny materiał
- Uchwyty pałąkowe ze stali lub stali nierdzewnej okrągłe składane
- Uchwyty pałąkowe z tworzywa sztucznego z możliwością wykrywania wzrokowego
- Uchwyty kabłąkowe ze stali nierdzewnej, owalne z otworem przelotowym
- Uchwyty pałąkowe z tworzywa sztucznego wąskie
- Uchwyty pałąkowe stalowe okrągłe chromowane
- Uchwyty pałąkowe
- Uchwyty łukowe z tworzywa sztucznego, profil U
- Uchwyty pałąkowe z tworzywa sztucznego składane
- Uchwyty pałąkowe z tworzywa sztucznego wąskie z obustronnym skosem
- Uchwyty pałąkowe ze stali nierdzewnej 1.4404, profil owalny polerowany, montaż od tyłu
- Uchwyty pałąkowe aluminiowe wąskie
- Uchwyty pałąkowe stalowe okrągłe z żebrem poprzecznym uchwytu z powłoką z tworzywa sztucznego
- Uchwyty pałąkowe z aluminium anodowane, profil owalny 12x8, montaż od tyłu
- Uchwyty łukowe z tworzywa sztucznego
- Uchwyty pałąkowe z tworzywa sztucznego okrągłe z obustronnym skosem
- uchwyty łukowe
- Uchwyty rurowe
- Uchwyty rurowe ze stali nierdzewnej z klamrą zaciskową aluminiową
- Uchwyty rurowe aluminiowe z ramieniem uchwytu z tworzywa sztucznego
- Uchwyty rurowe ze stali nierdzewnej z ramieniem uchwytu z tworzywa sztucznego
- Uchwyty rurowe aluminiowe z ramieniem uchwytu z tworzywa sztucznego, pochylone
- Uchwyty rurowe ze stali nierdzewnej z ramieniem uchwytu z drobnego odlewu
- Uchwyty rurowe z aluminium lub stali nierdzewnej z ramieniem uchwytu z tworzywa sztucznego i obustronnym skosem
- Uchwyty rurowe Carbon z ramieniem uchwytu ze stali nierdzewnej
- Uchwyty rurowe aluminiowe z klamrą zaciskową z tworzywa sztucznego
- Uchwyty rurowe Bighand aluminiowe z ramieniem uchwytu z tworzywa sztucznego
- Uchwyty rurowe aluminiowe z ramieniem uchwytu aluminiowym
- Uchwyty rurowe z tworzywa sztucznego z ramieniem uchwytu z tworzywa sztucznego
- Uchwyty rurowe aluminiowe wygięte z ramieniem uchwytu aluminiowym
- Uchwyty rurowe aluminiowe okrągłe
- Uchwyty rurowe aluminiowe wygięte z ramieniem uchwytu z tworzywa sztucznego
- Uchwyty rurowe aluminiowe owalne
- Uchwyty rurowe aluminiowe z czarnym ramieniem uchwytu powlekanym proszkowo
- Uchwyty rurowe aluminiowe regulowane
- Uchwyty rurowe z aluminium lub stali nierdzewnej z ramieniem uchwytu z tworzywa sztucznego
- Uchwyty rurowe aluminiowe z ramieniem uchwytu z tworzywa sztucznego i obustronnym skosem
- Uchwyty profilowane
- Uchwyty kasetowe
- uchwyty składane
- Uchwyty kasetowe z tworzywa sztucznego przykręcane
- Uchwyty kasetowe z tworzywa sztucznego
- Uchwyty kasetowe z tworzywa sztucznego zatrzaskiwane
- Uchwyty kasetowe aluminiowe
- Uchwyty kasetowe aluminiowe składane
- Uchwyty kasetowe ze stali nierdzewnej składane
- Uchwyty składane ze stali nierdzewnej DIN 3136
- uchwyty składane
- Uchwyty funkcyjne
- Uchwyty pałąkowe z tworzywa sztucznego z funkcją elektrycznego przełączania i przyciskiem
- Uchwyty rurowe z tworzywa sztucznego z funkcją elektrycznego przełączania i przyciskiem
- Uchwyty rurowe z tworzywa sztucznego z funkcją elektrycznego przełączania i dwoma przyciskami
- Uchwyty ze stali z jednostką ryglującą
- Uchwyty pałąkowe
- Elementy podporowe, ustalające i pozycjonujące
- Podstawki wahliwe
- śruby dociskowe
- Podstawki wahliwe nastawne uszczelnione pierścieniem „O”
- Podstawki wahliwe nastawne, uszczelnione o-ringiem, typ C, kulka stalowa spłaszczona, gładka
- Podstawki wahliwe nastawne, uszczelnione o-ringiem, typ F, kulka stalowa spłaszczona, ryflowana
- Podstawki wahliwe nastawne, uszczelnione o-ringiem, typ K, kulka z POM spłaszczona, gładka
- Podstawki wahliwe nastawne, uszczelnione o-ringiem, typ O, kulka ze stali nierdzewnej z powierzchnią diamentową
- Podstawki wahliwe nastawne, uszczelnione o-ringiem, typ P, kulka ze stali nierdzewnej z powierzchnią poliuretanową
- Wkręty dociskowe z kulką z gwintem drobnozwojnym
- Podstawki wahliwe nastawne uszczelnione pierścieniem „O”, z wymiennymi wstawkami
- Podstawki wahliwe nastawne, uszczelnione o-ringiem, z wymiennymi wstawkami, typ C, wstawka stalowa spłaszczona, gładka
- Podstawki wahliwe nastawne, uszczelnione o-ringiem, z wymiennymi wstawkami, typ F, zacisk spłaszczony rowkowany
- Podstawki wahliwe nastawne, uszczelnione o-ringiem, z wymiennymi wstawkami, typ K, wstawka z POM spłaszczona, gładka
- Wkręty dociskowe, stal nierdzewna z pełną kulką
- Podstawki wahliwe nastawne uszczelnione pierścieniem „O”, z gniazdem sześciokątnym
- Podstawki wahliwe nastawne, uszczelnione o-ringiem, z gniazdem sześciokątnym, typ C, kulka stalowa spłaszczona, gładka
- Podstawki wahliwe nastawne, uszczelnione o-ringiem, z gniazdem sześciokątnym, typ F, kulka stalowa spłaszczona, rowkowana
- Podstawki wahliwe nastawne, uszczelnione o-ringiem, z gniazdem sześciokątnym, typ K, kulka z POM spłaszczona, gładka
- Wkręty dociskowe z kulką z pełną kulką
- Podstawki wahliwe nastawneuszczelnione pierścieniem „O”, z wymiennymi wstawkami i gniazdem sześciokątnym
- Śruby dociskowe bez łba z pełną kulką, z zabezpieczeniem gwintu
- Podstawki wahliwe
- Podstawki wahliwe, forma K, tłoczona, kula spłaszczona, końcówka z węglika
- Podstawki wahliwe, forma C, z gwintem zewnętrznym, kulka spłaszczona, gładka
- Podstawki wahliwe, forma D, z gwintem zewnętrznym, kula spłaszczona z POM
- Podstawki wahliwe, forma F, z gwintem zewnętrznym, kulka spłaszczona, w kratkę
- Podstawki wahliwe, forma M, z gwintem zewnętrznym, kulka spłaszczona, w kratkę
- Podstawki wahliwe, forma G, kulka spłaszczona, gładka
- Podstawki wahliwe, forma H, tłoczona, kula spłaszczona z POM
- Podstawki wahliwe, forma J, kulka spłaszczona, w kratkę
- Śruby dociskowe z kulką, stal nierdzewna
- Śruby dociskowe bez łba ze spłaszczoną kulką, z zabezpieczeniem gwintu
- Podstawki wahliwe kąt wychyłu 12°
- Śruby dociskowe z kulką
- Śruby dociskowe z kulką typ A, z pełną kulką
- Śruby dociskowe z kulką, forma B, z kulką spłaszczoną
- Śruby dociskowe z kulką, forma F, z kulką spłaszczoną, ryflowaną
- Śruby dociskowe z kulką typ BV, ze spłaszczoną kulką z ograniczonym wychyłem
- Śruby dociskowe z kulką forma FV, ze spłaszczoną kulką, ryflowane, z ograniczonym wychyłem
- Wkręty dociskowe
- Podstawki wahliwe kąt wychyłu 14° i 20°
- Wkręty dociskowe, stal nierdzewna ze spłaszczoną kulką
- Wkręty dociskowe ze stali nierdzewnej
- Podstawki wahliwe z pierścieniem uszczelniającym
- Podstawki wahliwe uszczelnione o-ringiem, typ C, kulka stalowa spłaszczona, gładka
- Podstawki wahliwe, uszczelnione o-ringiem, typ F, kulka stalowa spłaszczona, w kratkę
- Podstawki wahliwe, uszczelnione o-ringiem, typ K, kulka z POM spłaszczona, gładka
- Podstawki wahliwe, uszczelnione o-ringiem, typ O, kulka ze stali nierdzewnej z powierzchnią diamentową
- Podstawki wahliwee, uszczelnione o-ringiem, typ P, kulka ze stali nierdzewnej z powierzchnią poliuretanową
- Wkręty dociskowe ze spłaszczoną kulką
- Śruby dociskowe z zabezpieczeniem gwintu
- Podstawki wahliwe uszczelnione pierścieniem „O”, z wymiennymi wstawkami
- Podstawki wahliwe, uszczelnione o-ringiem, z wymiennymi wstawkami, typ F, zacisk spłaszczony, rowkowany
- Podstawki wahliwe, uszczelnione o-ringiem, z wymiennymi wstawkami, typ K, wstawka z POM spłaszczona, gładka
- Podstawki wahliwe, uszczelnione o-ringiem, z wymiennymi wstawkami, typ M, wstawka spłaszczona, ryflowana z węglika spiekanego
- Podstawki wahliwe, uszczelnione o-ringiem, z wymiennymi wstawkami, typ O, wstawka ze stali nierdzewnej z powierzchnią diamentową
- Podstawki wahliwe, uszczelnione o-ringiem, z wymiennymi wstawkami, typ C, wstawka stalowa spłaszczona,gładka
- Podstawki wahliwe, uszczelnione o-ringiem, z wymiennymi wstawkami, typ E, wstawka ze stali nierdzewnej spłaszczona, gładka
- Śruby dociskowe z kulką bez łba, wersja krótka
- Wkręty dociskowe ze szpicem
- Podstawki wahliwe samopowrotne
- Podstawki wahliwe samopowrotne, forma C, nakładka gładka
- Podstawki wahliwe samopowrotne, forma F, wstawka ryflowana
- Podstawki wahliwe samopowrotne, forma C, z gwintem zewnętrznym, kulka spłaszczona, gładka
- Podstawki wahliwe samopowrotne, forma F, z gwintem zewnętrznym, kulka spłaszczona, z ryflowaniem
- Podstawki wahliwe samopowrotne, forma G, kulka spłaszczona, powierzchnia gładka
- Podstawki wahliwe samopowrotne, forma J, kulka spłaszczona, powierzchnia ryflowana
- Wkręty dociskowe, stal szlachetna ze spłaszczoną kulką i ograniczonym wychyłem
- Podstawki wahliwe nastawne
- Wkręty dociskowe ze spłaszczoną kulką i ograniczonym wychyłem
- Podstawki wahliwe nastawne uszczelnione pierścieniem „O”
- śruby dociskowe
- Nakładki dociskowe
- Kołki ustalające
- kołki podporowe
- Kołki pozycjonujące cylindryczne nieszlifowane
- Nóżki do przyrządów z gwintem wewnętrznym
- Nóżki do przyrządów z gwintem wewnętrznym, forma A powierzchnia gładka hartowana
- Nóżki do przyrządów z gwintem wewnętrznym, forma B powierzchnia gładka szlifowana i hartowana
- Nóżki do przyrządów z gwintem wewnętrznym, forma C powierzchnia kulista hartowana
- Nóżki do przyrządów z gwintem wewnętrznym, forma D, powierzchnia ryflowana ulepszana cieplnie
- Śruby separujące stalowe, klasa wytrzymałości 10.9.
- Kołki pozycjonujące ścięte szlifowane
- Słupy dystansowe
- Podpórki dystansowe
- Kołki pozycjonujące ścięte nieszlifowane
- Kołki podporowe stalowe, ulepszone i oksydowane
- Elementy podporowe wkręcane hydraulicznie pojedynczego działania, z wycofaniem za pomocą sprężyny
- Kołki pozycjonujące rozprężne
- Podstawki stożkowe z czopem pozycjonującym
- Kołki pozycjonującez wprowadzeniem kulistym, typ A
- Zatrzaski trzpieniowe, stal nierdzewna z czujnikiem położenia krańcowego
- Kołki podporowe stalowe, hartowane i szlifowane, bez centrowania
- Nóżki z trzpieniem gwintowanym DIN 6320 (wersja 1971)
- Kołki pozycjonujące z wprowadzeniem kulistym, typ A
- Przylgi drzwiowe z tworzywa sztucznego do profilu aluminiowego z odbojnikiem lub z zamknięciem magnetycznym
- Kołki podporowe z czujnikiem przylegania
- Podstawki z gwintem zewnętrznym
- Kołki pozycjonujące z wprowadzeniem kulistym, typ B
- Ogranicznik zaciskowy przesuwny do profili
- Kołki pozycjonujące i podporowe DIN 6321
- Podstawki z gwintem wewnętrznym
- Kołki pozycjonujące ściętez wprowadzeniem kulistym, typ C
- Kołki ustalające z gwintem wewnętrznym
- Śruby podpierające
- Kołki pozycjonujące ścięte z wprowadzeniem kulistym, typ C
- Kołki ustalające z nasadką kulistą spłaszczoną, forma C, jednostronny gwint wewnętrzny z otworem nieprzelotowym
- Kołki ustalające z nasadką kulistą spłaszczoną, forma C, obustronny gwint wewnętrzny z otworem nieprzelotowym
- Kołki ustalające z nasadką kulistą spłaszczoną, forma C, obustronny gwint wewnętrzny z otworem przelotowym
- Tuleje montażowe do kołków ustalających
- Kołki podporowe stalowe, hartowane, oksydowane i szlifowane
- Kołki pozycjonujące ścięte z wprowadzeniem kulistym, typ D
- Kołki ustalające z nasadką kulistą spłaszczoną, forma D, jednostronny gwint wewnętrzny z otworem nieprzelotowym
- Kołki ustalające z nasadką kulistą spłaszczoną, forma D, obustronny gwint wewnętrzny z otworem nieprzelotowym
- Kołki ustalające z nasadką kulistą spłaszczoną, forma D, obustronny gwint wewnętrzny z otworem przelotowym
- Nóżki
- Nóżki z gwintem wewnętrznym i powierzchnią płaską, forma D
- Nóżki pozycjonujące z gwintem wewnętrznym i powierzchnią kulistą, forma E
- Nóżki pozycjonujące z gwintem wewnętrznym i powierzchnią ryflowaną, forma F
- Nóżki pozycjonujące, forma A powierzchnia gładka hartowana
- Nóżki pozycjonujące, forma B powierzchnia gładka szlifowana i hartowana
- Nóżki pozycjonujące, forma C, powierzchnia kulista hartowana
- Nóżki z gwintem zewnętrznym i powierzchnią gładką, forma A
- Nóżki pozycjonujące, forma D, powierzchnia ryflowana ulepszana cieplnie
- Nóżki z gwintem zewnętrznym i powierzchnią kulistą, forma B
- Nóżki z gwintem zewnętrznym i powierzchnią w kratkę, forma C
- Nóżki z gwintem zewnętrznym i powierzchnią rowkowaną, węglik spiekany, typ K
- Nóżki z gwintem zewnętrznym i wstawką z POM, forma L
- Śruby podpierające nastawne z przeciwnakrętką
- Kołki pozycjonujące cylindryczne szlifowane
- Nóżki do przyrządów z gwintem zewnętrznym
- Kołki podporowe stalowe lub mosiężne, spłaszczony łeb
- kołki podporowe
- Elementy poziomujące nastawne
- Elementy poziomujące nastawne, ze stali lub stali nierdzewnej, z podkładką wahliwą, wersja niska
- Podkładki kuliste, podkładki stożkowe Norma DIN 6319, wersja 10
- Elementy poziomujące nastawne, ze stali lub stali nierdzewnej, z podkładką wahliwą i przeciwnakrętką, wersja niska
- Podkładki kuliste i podkładki stożkowe połączone stal lub stal nierdzewna, zbliżone do DIN 6319
- Elementy poziomujące nastawne, ze stali lub stali nierdzewnej, z podkładką wahliwą
- Podkładki wahliwe
- Elementy poziomujące nastawne, ze stali lub stali nierdzewnej, z podkładką wahliwą i przeciwnakrętką
- Elementy poziomujące nastawne
- Stopy poziomujące
- Elementy poziomujące nastawne z nakrętką zabezpieczającą
- Stopy poziomujące z kulkowym talerzem wyrównawczym
- Elementy poziomujące nastawne niskie
- Elementy poziomujące nastawne z podkładką wahliwą
- Elementy poziomujące nastawne niskie, z nakrętką zabezpieczającą
- Elementy poziomujące nastawne z podkładką wahliwą i nakrętką zabezpieczającą
- Elementy poziomujące nastawne, ze stali lub stali nierdzewnej
- System pozycjonowania i mocowania
- Trzpień mocujący nierdzewne Ball Lock
- Trzpień pozycjonujący pneumatyczny
- Zestaw naprawczy do trzpieni mocujących nierdz.
- Tuleje mocujące stalowe, niklowane, do trzpieni pozycjonujących, pneumatyczne
- Trzpień mocujący z systemem szybkiego pozycjonowania
- Tuleje mocujące stalowe, hartowane i oksydowane, do trzpieni pozycjonujących pneumatycznych
- Tuleje centrujące
- Trzpienie mocujące pneumatyczne stal nierdzewna
- Tuleje centrujące nierdzewne
- Tuleje do trzpieni mocujących pneumatycznych stal nierdzewna
- Tuleje pozycjonujące forma A (montowane od tyłu)
- Adaptery pozycjonujące okrągłe, pneumatyczne stal nierdzewna
- Tuleje pozycjonujące nierdzewne forma A (montowane od tyłu)
- Adaptery pozycjonujące kołnierzowe, pneumatyczne stal nierdzewna
- Tuleje pozycjonujące forma B (montowane od przodu)
- Dociskacz centrujący pneumatyczny, stal nierdzewna
- Tuleje pozycjonujące nierdzewne forma B (montowane od przodu)
- Trzpień pozycjonujący Ball Lock stalowy z dźwignią zaciskową
- Trzpień mocujący Ball Lock
- Trzpień mocujący z systemowym napinaczem kolinowym
- Trzpień pozycjonujący Ball Lock stalowy z pokrętłem gwiaździstym
- Zestaw naprawczy
- Zestaw naprawczy do trzpieni pozycjonujących
- Podstawki wahliwe
- Koła ręczne, korby i uchwyty do kół ręcznych, wskaźniki położenia
- Wskaźniki położenia
- Koła ręczne do montażu wskaźników położenia
- Bardzo precyzyjne wskaźniki położenia dokładność wskazania 10 µm, kompaktowa budowa
- Bardzo precyzyjne wskaźniki położenia dokładność wskazania 10 µm
- Miniaturowe czujniki magnetyczne pasywne
- Czujniki z pustym wałem magnetyczny system pomiaru
- Tulejki redukcyjne
- Taśma magnetyczna – liniał inkrementalny skok biegunowy: 5 mm
- Wskaźniki położenia
- Płytki pośrednie
- Wskaźniki położenia z wałem pustym ze stali nierdzewnej
- Płytki montażowe
- Wskaźniki położenia dowolnie programowalne
- Gałki nastawcze z cyfrowym wskaźnikiem położenia
- Wskaźnik położenia z tworzywa sztucznego elektroniczny Interfejs IO-Link
- Analogowo-cyfrowe wskaźniki położenia do kół ręcznych
- Miniaturowe czujniki magnetyczne, pasywne Interfejs IO-Link
- Korby
- Korbki z rękojeścią bezpieczną
- Korbki podobne do DIN 468
- Korbki proste podobne do DIN 469
- Korbki aluminiowe
- Korbki aluminiowe z rękojeścią składaną
- Korbki aluminiowe z rękojeścią obrotową
- Korbki aluminiowe z rękojeścią bezpieczną
- Korbki ze stali nierdzewne z rękojeścią składaną
- Korbki ze stali nierdzewnej z rękojeścią obrotową
- Korbki z rękojeścią składaną
- Korbki z rękojeścią obrotową
- Koła ręczne
- Kółka do pozycjonowania
- Koła ręczne 2-ramienne aluminiowe z uchwytem cylindrycznym składanym
- Koła ręczne 2-ramienne aluminiowe z uchwytem cylindrycznym składanym, forma A, z otworem dokładnym i poprzecznym
- Koła ręczne 2-ramienne aluminiowe z uchwytem cylindrycznym składanym, forma C, z otworem dokładnym i rowkiem wpustowym
- Koła ręczne 2-ramienne aluminiowe z uchwytem cylindrycznym składanym, forma E, z otworem dokładnym
- Koła ręczne pełne aluminiowe z uchwytem cylindrycznym składanym
- Koła ręczne pełne aluminiowe z uchwytem cylindrycznym składanym, forma E, z otworem dokładnym
- Koła ręczne pełne aluminiowe z uchwytem cylindrycznym składanym, forma A, z otworem dokładnym i poprzecznym
- Koła ręczne pełne aluminiowe z uchwytem cylindrycznym składanym, forma C, z otworem dokładnym i rowkiem wpustowym
- Kółka delta
- Kółka ręczne 2-ramienne z tworzywa sztucznego
- Koła ręczne pełne, z aluminium
- Koła ręczne z blachy stalowej
- Kółka ręczne 2-ramienne z tworzywa sztucznego, z rękojeścią obrotową
- Koła ręczne pełne, podobne do DIN 950, z aluminium
- Koła ręczne z blachy ze stali szlachetnej
- Kółka ręczne 2-ramienne z tworzywa sztucznego, z rękojeścią składaną
- Koła ręczne pełne z rękojeścią obrotową
- Koła ręczne pełne z rękojeścią obrotową forma D, wstępnie nawiercone
- Koła ręczne pełne z rękojeścią obrotową forma E, z otworem pasowanym
- Koła ręczne pełne z obrotową rękojeścią, części ze stali nierdzewnej forma D, wstępnie nawiercone
- Koła ręczne pełne z rękojeścią obrotową, części ze stali nierdzewnej forma E, z otworem pasowanym
- Pokrętła 2-szprychowe aluminiowe, polerowane
- Koła ręczne pełne bez rękojeści
- Koła ręczne pełne bez rękojeści, tuleja ze stali forma D, wstępnie nawiercone
- Koła ręczne pełne bez rękojeści, tuleja ze stali forma E, z otworem pasowanym
- Koła ręczne pełne bez rękojeści, tuleja ze stali nierdzewnej, forma D, wstępnie nawiercane
- Koła ręczne pełne bez rękojeści, tuleja ze stali nierdzewnej, forma E, z otworem pasowanym
- Pokrętła 2-szprychowe aluminiowe, powlekane proszkowo
- Koła ręczne
- Koła ręczne DIN 950 z żeliwa szarego
- Koła ręczne z rękojeścią obrotową
- Koła ręczne DIN 950, z aluminium
- Koła ręczne ze składaną rękojeścią cylindryczną
- Koła ręczne DIN 950 ze stali nierdzewnej
- Koła ręczne z rękojeścią bezpieczną
- Koła ręczne 2-ramienne aluminiowe
- Koła ręczne 2-ramienne aluminiowe, forma C, z otworem dokładnym i rowkiem wpustowym
- Koła ręczne 2-ramienne aluminiowe, forma E, z otworem dokładnym
- Koła ręczne 2-ramienne aluminiowe, forma A, z otworem dokładnym i poprzecznym
- Koła ręczne 2-ramienne aluminiowe, forma B, z otworem dokładnym, rowkiem wpustowym i otworem poprzecznym
- Koła ręczne pełne aluminiowe
- Koła ręczne pełne aluminiowe, forma A, z otworem dokładnym i poprzecznym
- Koła ręczne pełne aluminiowe, forma B, z otworem dokładnym, rowkiem wpustowym i otworem poprzecznym
- Koła ręczne pełne aluminiowe, forma C, z otworem dokładnym i rowkiem wpustowym
- Koła ręczne pełne aluminiowe, forma E, z otworem dokładnym
- Pokrętła z występami
- Koła ręczne 2-ramienne aluminiowe z obrotowym uchwytem cylindrycznym
- Koła ręczne 2-ramienne aluminiowe z obrotowym uchwytem cylindrycznym, forma E, z otworem dokładnym
- Koła ręczne 2-ramienne aluminiowe z obrotowym uchwytem cylindrycznym, forma A, z otworem dokładnym i poprzecznym
- Koła ręczne 2-ramienne aluminiowe z obrotowym uchwytem cylindrycznym, forma C, z otworem dokładnym i rowkiem wpustowym
- Koła ręczne aluminiowe z obrotowym uchwytem cylindrycznym
- Koła ręczne aluminiowe z obrotowym uchwytem cylindrycznym, forma C, z otworem dokładnym i rowkiem wpustowym
- Koła ręczne aluminiowe z obrotowym uchwytem cylindrycznym, forma E, z otworem dokładnym
- Koła ręczne aluminiowe z obrotowym uchwytem cylindrycznym, forma A, z otworem dokładnym i poprzecznym
- Koła ręczne aluminiowe z obrotowym uchwytem cylindrycznym, forma B, z otworem dokładnym, rowkiem wpustowym i otworem poprzecznym
- Uchwyty do kół ręcznych
- Rękojeści stożkowe stałe
- Rękojeści cylindryczne obrotowe stal nierdzewna
- Rękojeści obrotowe
- Rękojeści cylindryczne z tworzywa sztucznego,obrotowe
- Rękojeści obrotowe owalne
- Rękojeści cylindryczne z tworzywa sztucznego, składane
- Rękojeści stożkowe
- Rękojeści cylindryczne z tworzywa sztucznego, bezpieczne samopowrotne
- Przyciski stożkowe
- Rękojeści stałe, DIN 39, forma E, stal
- Przyciski owalne
- Rękojeści stałe, DIN 39, forma E, ze stali nierdzewnej
- Rękojeści stożkowe obrotowe
- Rękojeści z gałką kulistą, obrotowe
- Rękojeści stałe, DIN 39, forma E, aluminium
- Podkładki
- Korbki trójkuliste stalowe
- Rękojeści obrotowe DIN 98, forma E, stal
- Rękojeści cylindryczne obrotowe z gniazdem sześciokątnym
- Rękojeści obrotowe podobne do DIN 98, Forma E, stal nierdzewna
- Rękojeści cylindryczne obrotowe
- Rękojeści obrotowepodobne do DIN 98, forma E, aluminium
- Rękojeści cylindryczne składane
- Wskaźniki położenia
- Elementy do maszyn i przyrządów
- Uszczelki
- Śruby
- nakrętki
- podkładki
- Śruby z łbem sześciokątnym ze stali nierdzewnej z kołnierzem i podkładkami uszczelniającymi Hygienic USIT® zestaw
- Śruby z łbem stożkowym, z gniazdem sześciokątnym DIN EN ISO 10642
- Podkładki DIN 433 stal lub stal nierdzewna
- Kołki walcowe DIN 6325
- Nakrętki sześciokątne DIN 934
- Śruby do rowków teowych DIN 787
- Podkładki do śrub z ciężkimi tulejami mocującymi DIN 7349
- Śruba z łbem sześciokątnym i cienkim trzpieniem w wersji Hygienic DESIGN
- Śruby z łbem sześciokątnym ze stali nierdzewnej, z niskim łbem oraz podkładkami uszczelniającymi, do zestawu Hygienic USIT®
- Podkładki specjalne do przyrządów rozszerzone DIN 6372
- Regulowany uchwyt dystansowy ze stali nierdzewnej z pierścieniem uszczelniającym w wersji Hygienic DESIGN
- Kołki walcowe z gwintem wewnętrznym DIN EN ISO 8735
- Nakrętki sześciokątne z zabezpieczeniem rozszerzona DIN 980
- Śruby do rowków teowych DIN 787, 12.9
- Podkładki do elementów zaciskowych,stal lub aluminium, DIN 6340
- Kompaktowe nakrętki kołpakowe w wersji Hygienic DESIGN
- Śruby z łbem sześciokątnym ze stali nierdzewnej z pierścieniem uszczelniającym w wersji Hygienic DESIGN
- Nakrętki dociskowe z przetyczką stałą lub przesuwną DIN 6305 wzgl. DIN 6307
- Trzpienie stożkowe ISO 2339 ze stali lub stali nierdzewnej forma B
- Śruby dwustronne
- Nakrętki sześciokątne z poliamidowym zabezpieczeniem, wysoka rozszerzona DIN 982
- Nakrętki sześciokątne, forma niska DIN 439
- Kołki ustalające ISO 2338
- Śruby z łbem sześciokątnym, ze stali nierdzewnej w wersji Hygienic DESIGN
- Nakrętki sześciokątne, ze stali nierdzewnej z pierścieniem uszczelniającym w wersji Hygienic DESIGN
- Śruby dociskowez przetyczką stałą lub przesuwną DIN 6304 wzgl. DIN 6306
- Śruby zaczepowe typu 48 ze stali lub stali nierdzewnej
- Nakrętki okrągłe rowkowe, DIN 1804
- Nakrętki sześciokątne z poliamidowym zabezpieczeniem, niska rozszerzona DIN 985
- Nakrętki sześciokątne 1,5 D wysokie z kołnierzem rozszerzone DIN 6331
- Zaślepki z tworzywa sztucznego do nakrętek i śrub sześciokątnych
- Śruby oczkowe DIN 444, forma B z długim gwintem
- Pierścienie uszczelniające w wersji Hygienic DESIGN
- Nakrętki sześciokątne z gniazdem kulowym
- Haki śrubowe typu 11E i 4E stal
- Nakrętki okrągłe rowkowe z zabezpieczeniem elastycznym
- Podkładki o dużej średnicy zewnętrznej DIN 9021
- Podkładki uszczelniające i podkładki Hygienic USIT®
- Nakrętki sześciokątne 1,5 D wysokie rozszerzone DIN 6330
- Trzpienie gwintowane z gniazdem sześciokątnym i czopem DIN EN ISO 4028
- Śruby ze spłaszczonym łbem półkolistym, zgodne z DIN EN ISO 7380
- Trzpienie gwintowane z gniazdem sześciokątnym i końcem ostrymDIN EN ISO 4027
- Nakrętki kwadratowe DIN 557
- Pierścienie zabezpieczające do wałów DIN 471
- Podkładki okrągłe płaskie DIN 988
- Śruby z łbem sześciokątnym ze stali nierdzewnej z kołnierzem do podkładek uszczelniających i podkładek USIT®
- Podkładki obrotowe do przyrządów DIN 6371
- Nakrętki okrągłe rowkowe ze stali, DIN 70852
- Nakrętki sześciokątne z kołnierzem DIN 6923
- Podkładki DIN EN ISO 7089 A
- Nakrętki kwadratowe niska forma DIN 562
- Śruby oczkowe DIN 444, forma B
- Pierścienie zabezpieczające do otworów DIN 472
- Śruby z łbem walcowym z gniazdem sześciokątnym gwint do głowicy, DIN 912
- Śruby z łbem sześciokątnym ze stali nierdzewnej, z niskim łbem, do podkładek uszczelniających Hygienic USIT®
- Śruby z płaskim łbem DIN 923
- Nakrętki rowkowe ze stali lub stali nierdzewnej, DIN 981
- Aluminiowe zaślepki do otworów i śrub z gniazdem sześciokątnym
- Śruba z łbem walcowym z gniazdem sześciokątnym DIN EN ISO 4762 z zabezpieczeniem gwintu
- Nakrętki sześciokątne zbliżone do DIN 934
- Trzpienie gwintowane z ogranicznikiem wkręcania
- Podkładka zabezpieczająca wału DIN 6799
- Śruby z łbem walcowym z gniazdem sześciokątnym z niskim łbem, DIN 6912
- Nakrętki kołpakowe ze stali nierdzewnej, z kołnierzem do podkładek uszczelniających i podkładek USIT®
- Śruby pasowane z nasadką podobne do ISO 7379
- Podkładki zabezpieczające ze stali DIN 70952
- Sześciokątne nakrętki kołpakowe, forma wysoka, DIN 1587 stal lub stal nierdzewna
- Śruby z łbem walcowym z gniazdem sześciokątnym rozszerzona DIN EN ISO 4762, stal lub stal nierdzewna
- Podkladki ustalające do śrub z cienkim trzpieniem
- Zestawy szpilekdo wklejania, z ogranicznikiem wkręcania
- Zabezpieczenia KL ze stali
- Śruby z łbem sześciokątnym z kołnierzem DIN EN 1665
- podkładki z tworzywa sztucznego zamontowane w sposób nierozerwalny
- Śruby pasowane z długim czopem gwintowanym i łbem sześciokątnym podobne do DIN 609
- Podkładki zabezpieczające ze stali DIN 462
- Sześciokątne nakrętki kołpakowe, forma niska, DIN 917 stal lub stal nierdzewna
- Śruby z łbem sześciokątnym DIN 931
- Łożysko osiowe do zwiększania siły mocowania
- Zabezpieczenia SL ze stali
- Śruby z łbem sześciokątnym z kołnierzem do podkładki uszczelniającej Hygienic USIT®
- Nakrętki kołpakowe ze stali nierdzewnej, z kołnierzem i podkładkami uszczelniającymi Hygienic USIT® zestaw
- Wkręty bez łba z gniazdem sześciokątnym DIN EN ISO 4026
- Blachy zabezpieczające ze stali lub stali nierdzewnej DIN 5406
- Tuleje dystansowe ze stali nierdzewnej z pierścieniem uszczelniającym w wersji Hygienic DESIGN
- Śruby z łbem sześciokątnym DIN 933
- Śruby dwustronne DIN 6379
- Pręty gwintowane DIN 976-1, stal lub stal nierdzewna
- Śruba z łbem kulistym w wersji Hygienic DESIGN
- podkładki
- nakrętki
- Wstawki gwintowe
- Narzędzia montażowe do wkładek gwintowanych samogwintujących
- Wstawki gwintowe
- Skrzynie z asortymentem i zestawy naprawcze HeliCoil®plus
- Narzędzia montażowe do wstawek gwintowych
- Wkładki gwintowane HeliCoil®plus
- Wstawki gwintowe wzmocnione
- Narzędzia montażowe do wstawek gwintowych wzmocnionych
- Wstawki gwintowe pełne
- Wstawki gwintowez samoczynnym blokowaniem
- Wstawki gwintowe wzmocnionez samoczynnym blokowaniem
- Zestaw naprawczy
- Wkładki gwintowane samogwintujące z otworami nacinającymi
- Wkładki gwintowane samogwintujące ze szczeliną nacinającą
- Tulejki wiertarskie
- Tulejki wiertarskie cylindryczne DIN 179
- Tulejki wiertarskie z kołnierzem DIN 172
- Tulejki wiertarskie cylindryczne stalowe DIN 179
- Tulejki wiertarskie cylindryczne stal nierdzewna DIN 179
- Tulejki wiertarskie z kołnierzem stalowe DIN 172
- Tulejki wiertarskie stal nierdzewna DIN 172
- Osprzęt do profili aluminiowych
- Nakrętki do rowków teowych wsuwane ze sprężyną typ B
- Zestawy połączeniowe automatyczne typ B
- Nakrętki do rowków teowychrozszerzona DIN 508
- Nakrętki młoteczkowe
- Zestaw montażowy typ B
- Nakrętki do rowków teowych, długie
- Śruby z łbem młoteczkowym
- Łącznik do profili typ B
- Teowy kamień żłobkowy stal lub stal nierdzewna
- Łączniki bezpośrednie do rowków teowychtyp I
- Wstawki gwintowane stalowe samogwintujące typ B
- Nakrętki rombowe do rowków teowych
- Łączniki profilowe do rowków teowychtyp I
- Narzędzia montażowe stalowe samogwintujące typ B, do wkładek gwintowanych stalowych
- Wpusty pasowane DIN 6885 A
- Nakrętki sześciokątne z kołnierzem
- Zestawy montażowe do nakładek i kątowników
- Nakrętki do rowków teowych wsuwane typ I
- Zestawy połączeniowe standardowe typ I
- Podstawa na rzep do montażu śrubowego
- Nakrętki do rowków teowych wsuwane z progiem typ I
- Śruba centralna typ B
- Podstawa na rzep do profili aluminiowych
- Nakrętki do rowków teowych ciężkie typ I
- Zestawy połączeniowe uniwersalne typ I
- Taśma na rzep na wałku samogasnąca
- Profil wpustowy, typ I
- Zestawy połączeniowe centralne typ I
- Pas na rzep z zaczepem tworzywo sztuczne samogasnący
- Nakrętki do rowków teowych wsuwane typ B
- Zestawy połączeniowe automatyczne typ I
- Pierścienie osadcze
- pierścienie zaciskowe
- piasty zaciskowe
- Pierścienie zaciskowe z rękojeścią nastawną
- Pierścienie zaciskowe ze stali lub stali szlachetnej z nacięciem wewnątrzz powierzchnią wsporczą
- Pierścienie zaciskowe z tworzywa sztucznego
- Pierścienie zaciskowe
- Pierścienie zaciskowe ze stali lub stali nierdzewnej dzielonez powierzchnią wsporczą
- Pierścień zaciskowy z gwintem
- Pierścienie osadcze DIN 705, stal
- Pierścienie zaciskowe szerokie, z nacięciem, wewnątrz
- Pierścienie osadcze DIN 705, stal nierdzewna
- Pierścienie zaciskowe szerokie, z nacięciem, zewnątrz
- Pierścienie osadcze z uchwytem motylkowym podobne do DIN 705, stal
- Pierścienie zaciskowe szerokie, podzielone
- Pierścienie zaciskowe z nacięciem wewnątrz
- Zaciski
- Pierścienie zaciskowe z nacięciem na zewnątrz
- piasty zaciskowe
- pierścienie zaciskowe
- Osprzęt do elementów maszyn i do przyrządów
- Oprawka do czujników zegarowych o średnicy osadzenia 8
- Zamek do otworu podłużnego
- Podkładka do zamka do otworu podłużnego
- Zamek do płyty o przekroju czworokątnym
- Podkładka do zamka do płyty o przekroju czworokątnym
- Elementy zatrzaskowe ze stali lub stali szlachetnej
- Elementy zatrzaskowe, forma H z ząbkami zewnętrznymi
- Elementy zatrzaskowe, forma A z ząbkami wewnętrznymi
- Elementy zatrzaskowe, forma B z ząbkami wewnętrznymi
- Elementy zatrzaskowe, forma C z ząbkami wewnętrznymi
- Elementy zatrzaskowe, forma D z ząbkami wewnętrznymi
- Elementy zatrzaskowe, forma E z ząbkami zewnętrznymi
- Elementy zatrzaskowe, forma F z ząbkami zewnętrznymi
- Elementy zatrzaskowe, forma G z ząbkami zewnętrznymi
- Przeguby widełkowe z trzpieniami gwintowanymi ze stali lub stali nierdzewnej
- Śruby odchylne
- Łączniki zaciskowe
- Łączniki zaciskowepojedynczo blokowane
- Łączniki zaciskowe do prętów
- Sprzęgła
- Sprzęgła kłowe z elastomeru krótka konstrukcja ze zdejmowanymi zaciskami
- Sprzęgła z metalowym mieszkiem krótka konstrukcja ze zdejmowanymi zaciskami
- Sprzęgła kłowe z elastomeru z wkrętem bez łba
- Sprzęgła z metalowym mieszkiem miniaturowe z wkrętem bez łba
- Sprzęgła kłowe z elastomeru z wkrętem bez łba, stal nierdzewna
- Sprzęgła z metalowym mieszkiem miniaturowe z zaciskami
- Wkładki krzyżakowe bez luzu do sprzęgieł kłowych z elastomeru
- Sprzęgła z metalowym mieszkiem miniaturowe z zaciskami, stal nierdzewna
- Sprzęgła sztywne z nacięciem
- Sprzęgła z metalowym mieszkiem miniaturowe ze zdejmowanymi zaciskami
- Sprzęgła sztywne podzielone
- Sprzęgła kłowe z elastomeru ze stożkiem zaciskowym
- Sprzęgła sprężynowe aluminiowe z zaciskami
- Sprzęgła z metalowym mieszkiem z zaciskami
- Sprzęgła kłowe z elastomeru z zaciskami
- Sprzęgła sprężynowe ze stali nierdzewnej z zaciskami
- Sprzęgła z metalowym mieszkiem z zaciskami, stal nierdzewna
- Sprzęgła kłowe z elastomeru z zaciskami, stal nierdzewna
- Sprzęgła sprężynowe aluminiowe z odpinanymi zaciskami
- Sprzęgła z metalowym mieszkiem krótka konstrukcja z zaciskami
- Sprzęgła kłowe z elastomeru krótka konstrukcja z zaciskami
- Sprzęgła sprężynowe ze stali nierdzewnej z odpinanymi zaciskami
- Sprzęgła z metalowym mieszkiem do dużych momentów obrotowych z zaciskami
- Sprzęgła kłowe z elastomeru ze zdejmowanymi zaciskami
- Sprzęgła sztywneZacisk z wkrętem bez łba
- Sprzęgła z metalowym mieszkiem ze zdejmowanymi zaciskami
- Zamki obrotowe, krawędziowe profile ochronne
- Zamki obrotowe
- Zamek ze stali nierdzewnej z uchwytem L
- Zamek z cynku, z kluczem
- Dolne części zamknięcia do zamków ćwierćobrotowych
- Zamki ze stali nierdzewnej małe zapięcia
- Zamek ze stali nierdzewnej do obszarów sterylnych
- Zamki z cynku, z kluczem, w wersji długiej
- Zamek ze stali nierdzewnej wersja długa
- Zamek ze stali nierdzewnej w wersji Hygienic DESIGN
- Zamki z cynku
- Zamek obrotowy z kluczem, stal nierdzewna 1.4401, średnica obudowy 30 mm
- Zamek ze stali nierdzewnej z uchwytem T w wersji Hygienic DESIGN
- Zamki z unikalnym kluczem
- Zamek ze stali nierdzewnej z pokrętłem
- Zamki zaciskowe o zmiennym zakresie ruchu
- Zamek z cynku do straży pożarnej, DIN 14925
- Zamki ze stali nierdzewnej
- Zamki zaciskowe z cynku
- Zamki z pokrętłem
- Zamek obrotowy z kluczem, stal nierdzewna 1.4401, średnica obudowy 28 mm
- Zamki zaciskowe z cynku, o regulowanej wysokości języczka
- Zamki z uchwytem T
- Zamek ze stali nierdzewnej z pokrętłem
- Zamek z ruchem swobodnym
- Zamki z mechanizmem krzywkowym
- Zamek ze stali nierdzewnej z uchwytem T
- Rygle blokujące
- Zamki obrotowe z cynku, w wersji długiej
- Zamek ze stali nierdzewnej z uchwytem T
- Zamki z cynku, w wersji krótkiej
- Zamki ćwierćobrotowe
- Zamek obrotowy ze stali nierdzewnej 1.4305, średnica obudowy 28 mm
- Zamek ze stali nierdzewnej z uchwytem L
- Zamki z kluczem
- Tarcze mocujące do zamków ćwierćobrotowych
- Zamek obrotowy ze stali nierdzewnej, kompaktowy, średnica obudowy 20 mm
- Osprzęt do zamków obrotowych
- Klucz do zamka obrotowego
- Języczek do zamka ze stali
- Języczki do zamków zaciskowych ze stali
- Języczki do zamków zaciskowych o regulowanej wysokości języczka ze stali
- Języczek do zamka ze stali nierdzewnej
- Języczek ze stali, z ogranicznikiem
- Języczki do zamków bez ogranicznika ze stali
- Języczki ze stali nierdzewnej bez ogranicznika
- Osłony przeciwpyłowe
- Uchwyty do zamków
- Klucze nasadowe do zamkow
- Zamek zaciskowy
- Płytki mocujące ze stali do zamka zaciskowego
- Podkładki dystansowe ze stali nierdzewnej do zamków zaciskowych
- Zamek zaciskowy ze stali nierdzewnej pokrętło z tworzywa sztucznego lub stali nierdzewnej
- Zamek zaciskowy ze stali nierdzewnej pokrętło z tworzywa sztucznego lub stali nierdzewnej
- Zamki zaciskowe płaskie
- Płytki mocujące do zamka zaciskowego
- Zamek zaciskowy ze stali nierdzewnej, wsuwany, pokrętło z tworzywa sztucznego lub stali nierdzewnej
- Krawędziowe profile ochronne
- Krawędziowe profile ochronne ze zintegrowaną stalową opaską zaciskową
- Krawędziowe profile ochronne ze zintegrowaną stalową opaską zaciskową, forma A
- Krawędziowe profile ochronne ze zintegrowaną stalową opaską zaciskową, forma B
- Krawędziowe profile ochronne ze zintegrowaną stalową opaską zaciskową, forma C
- Krawędziowe profile ochronne ze zintegrowaną stalową opaską zaciskową, forma D
- Krawędziowe profile ochronne ze zintegrowaną stalową opaską zaciskową, forma E
- Krawędziowe profile ochronne silikonowe ze zintegrowaną taśmą zaciskową ze stali nierdzewnej spełniają wymagania FDA
- Ochronne uszczelniające profile krawędziowe ze zintegrowanym rdzeniem z drutu stalowego
- Ochronne uszczelniające profile krawędziowe ze zintegrowanym rdzeniem z drutu stalowego, forma H
- Ochronne uszczelniające profile krawędziowe ze zintegrowanym rdzeniem z drutu stalowego, forma I
- Ochronne uszczelniające profile krawędziowe ze zintegrowanym rdzeniem z drutu stalowego, forma A
- Ochronne uszczelniające profile krawędziowe ze zintegrowanym rdzeniem z drutu stalowego, forma B
- Ochronne uszczelniające profile krawędziowe ze zintegrowanym rdzeniem z drutu stalowego, forma C
- Ochronne uszczelniające profile krawędziowe ze zintegrowanym rdzeniem z drutu stalowego, forma D
- Ochronne uszczelniające profile krawędziowe ze zintegrowanym rdzeniem z drutu stalowego, forma E
- Ochronne uszczelniające profile krawędziowe ze zintegrowanym rdzeniem z drutu stalowego, forma F
- Ochronne uszczelniające profile krawędziowe ze zintegrowanym rdzeniem z drutu stalowego, forma G
- Krawędziowe profile ochronne ze zintegrowaną stalową opaską zaciskową
- Dławnice kablowe
- Nakrętki sześciokątne do dławnic kablowych EMC
- Korki gwintowane z tworzywa sztucznego, okrągłe
- Korki gwintowane z mosiądzu, okrągłe
- Dławnice kablowe z tworzywa sztucznego
- Dławnice kablowe z mosiądzu niklowane
- Dławnice kablowe ze stali nierdzewnej
- Przepusty kablowe ze stali nierdzewnej lub tworzywa w wersji Hygienic DESIGN
- Dławnice kablowe EMC z mosiądzu, niklowane
- Dławnice kablowe EMC ze stali nierdzewnej
- Nakrętki sześciokątne do dławnic kablowych
- Przepusty kablowe
- Zamki obrotowe
- Przeguby
- Przeguby kątowe, przeguby osiowe
- Przeguby
- Przeguby kątowe DIN 71802
- Sprzęgła szybkozłączne z wyrównaniem przesunięcia promieniowego
- Przeguby kątowe stal nierdzewna podobna do DIN 71802 forma CS z nakładką uszczelniającą
- Sprzęgła szybkozłączne z wyrównaniem przesunięcia promieniowego i kołnierzem przykręcanym
- Gniazda kulowe do przegubów kątowych DIN 71805
- Sprzęgła szybkozłączne z wyrównaniem przesunięcia kątowego i promieniowego
- Czopy kuliste do przegubów kątowych DIN 71803
- Przeguby widełkowe do głowic przegubowych
- Zawleczki zabezpieczające do przegubów kątowych DIN 71805
- Przeguby widełkowe do głowic przegubowych, stal szlachetna
- Zawleczki DIN EN ISO 1234
- Zawleczki sprężyste podobne do DIN 11024
- Wtyczka składana DIN 11023
- Przeguby osiowe podobne do DIN 71802
- Przeguby osiowe regulowane do sił rozciągających
- Przeguby
- Przeguby widełkowe staloweDIN 71752
- Głowice widełkowe ze stali lub stali nierdzewnej DIN 71752
- Głowice widełkowe ze stali lub stali nierdzewnej z gwintem zewnętrznym
- Elementy współpracujące z przegubem widełkowym ze stali lub stali nierdzewnej
- Składane trzpienie sprężynowe stalowe do przegubów widełkowych DIN 71752
- Sworznie z wytoczeniem na zabezpieczenie wałka pasują do przegubów widełkowych
- Sworznie z wytoczeniem na pierścień zabezpieczający pasują do przegubów widełkowych
- Sworznie z otworem na zawleczkę pasują do przegubów widełkowych
- Sworzeń z łbem ISO 2341 forma B
- Przeguby widełkowe stalowe ze składanym trzpieniem sprężynowym DIN 71752
- Przeguby widełkowe ze stali nierdzewnej DIN 71752
- Głowice przegubowe
- Głowice przegubowe z łożyskowaniem ślizgowym gwint zewnętrzny, DIN ISO 12240-4
- Głowice przegubowe z łożyskowaniem ślizgowym gwint zewnętrzny, wersja wąska, DIN ISO 12240-1, niewymagające konserwacji
- Głowice przegubowe z łożyskiem ślizgowym gwint zewnętrzny, stal, DIN ISO 12240-1, niewymagające konserwacji
- Głowice przegubowe z łożyskowaniem ślizgowym gwint wewnętrzny, wersja wąska, DIN ISO 12240-4
- Głowice przegubowe z łożyskiem ślizgowym gwint zewnętrzny, stal, DIN ISO 12240-1, z możliwością uzupełnienia smarowania
- Głowice przegubowe z łożyskowaniem ślizgowym gwint wewnętrzny, wersja wąska, DIN ISO 12240-1, niewymagające konserwacji
- Głowice przegubowe z łożyskowaniem ślizgowym gwint wewnętrzny, DIN ISO 12240-4
- Głowice przegubowe igubal® z łożyskowaniem ślizgowym gwint zewnętrzny, podobne do DIN ISO 12240-4
- Głowice przegubowe z łożyskiem ślizgowym gwint wewnętrzny, stal, DIN ISO 12240-1, niewymagające konserwacji
- Głowice przegubowe igubal® z łożyskowaniem ślizgowym gwint wewnętrzny, podobne do DIN ISO 12240-4
- Głowice przegubowe z łożyskiem ślizgowym gwint wewnętrzny, stal, DIN ISO 12240-1, z możliwością uzupełnienia smarowania
- Łożyska przegubowe, ślizgowe K
- Głowice przegubowe z łożyskowaniem ślizgowym gwint zewnętrzny, stal nierdzewna, DIN ISO 12240-4
- Głowice przegubowe z łożyskiem ślizgowym gwint zewnętrzny, stal nierdzewna, DIN ISO 12240-1, niewymagające konserwacji
- Głowice przegubowe z łożyskowaniem ślizgowym gwint wewnętrzny, stal nierdzewna, DIN ISO 12240-4
- Głowice przegubowe z łożyskowaniem kulkowym gwint zewnętrzny, DIN ISO 12240-4
- Głowice przegubowe z łożyskiem ślizgowym gwint wewnętrzny, stal nierdzewna, DIN ISO 12240-1, niewymagające konserwacji
- Głowice przegubowe z łożyskowaniem kulkowym gwint wewnętrzny, DIN ISO 12240-4
- Głowice przegubowe z łożyskowaniem ślizgowym gwint zewnętrzny, wersja wąska, DIN ISO 12240-4
- Przeguby kątowe, przeguby osiowe
- Zawiasy
- Zawiasy
- Zawiasy sprężynowe z profilu aluminiowego 3,8 Nm
- Zawiasy, stal nierdzewna, rozłączane, demontowane
- Zawiasy przykręcane ze stali nierdzewnej
- Zawiasy ze stali nierdzewnej ze wstępnie nastawionym tarciem
- Zawiasy sprężynowe ze stali lub stali nierdzewnej 180 mm
- Zawiasy z cynkowego odlewu ciśnieniowego ze śrubą mocującą
- Zawiasy wyczepiane, lewe, tworzywo sztuczne
- Zawiasy prostokątne z nakrętkami mocującymi
- Zawiasy ze stali nierdzewnej,z trzpieniem gwintowanym
- Zawiasy prętowe ze stali, stali nierdzewnej lub aluminium
- Zawiasy z aluminium, z zatrzaskiem
- Zawiasy sprężynowe ze stali lub stali nierdzewnej 240 mm
- Zawiasy aluminium, położone wewnątrz, z progiem
- Zawiasy wyczepiane, prawe, tworzywo sztuczne
- Zawiasy prostokątne z nakrętkami mocującymi, wersja długa
- Zawiasy ze stali nierdzewnej, regulowane
- Zawiasy prętowe ze stali nierdzewnej z ogranicznikiem
- Zawiasy z tworzywa sztucznego z otworem mocującym
- Sprężynowe zawiasy prętowe ze stali nierdzewnej
- Półzawiasy aluminium, położone wewnątrz
- Zawiasy tworzywo sztuczne
- Zawiasy prostokątne z nakrętkami mocującymi
- Zawiasy ze stali nierdzewnej ze śrubą mocującą
- Zawiasy ze stali lub stali nierdzewnej umieszczone po stronie wewnętrznej, kąt rozwarcia 90°
- Zawiasy z tworzywa sztucznego z tuleją gwintowaną
- Zawiasy sprężynowe z profilu aluminiowego 0,20 Nm
- Półzawiasy aluminium, położone na zewnątrz
- Zawiasy, tworzywo sztuczne, rozłączane, demontowane
- Zawiasy, tworzywo sztuczne, rozłączane, demontowane, forma C, ze sworzniem
- Zawiasy, tworzywo sztuczne, rozłączane, demontowane, forma D, z trzpieniem montażowym
- Zawiasy, tworzywo sztuczne, rozłączane, demontowane, forma A, z trzpieniem montażowym
- Zawiasy, tworzywo sztuczne, rozłączane, demontowane, forma B, ze sworzniem
- Zawiasy prostokątne z otworami, wersja długa
- Regulowane zawiasy przykręcane ze stali nierdzewnej
- Zawiasy ze stali lub stali nierdzewnej umieszczone po stronie wewnętrznej, kąt rozwarcia 125°
- Zawiasy z tworzywa sztucznego z trzpieniem gwintowanym
- Zawiasy sprężynowe z profilu aluminiowego 0,35 Nm
- Osie stal nierdzewna do półzawiasów
- Zawiasy z zaciskiem, tworzywo sztuczne
- Zawiasy ze stali nierdzewnej przykręcane
- Zawiasy ze stali nierdzewnej wyczepiane, lewe
- Zawiasy ze stali umieszczone po stronie wewnętrznej, kąt rozwarcia 110°
- Zawiasy z tworzywa sztucznego z tulejką i trzpieniem gwintowanym
- Zawiasy sprężynowe z profilu aluminiowego 0,7 Nm
- Zaślepka z tworzywa sztucznego do półzawiasów
- Zawiasy z otworami fasolkowymi, tworzywo sztuczne
- Zawiasy spawalne ze stali nierdzewnej
- Zawiasy ze stali nierdzewnej wyczepiane, prawe
- Zawiasy spawalne
- Zawiasy trzpieniowe z tworzywa sztucznego
- Zawiasy sprężynowe z profilu aluminiowego 1,3 Nm
- Zawiasy wyczepiane, lewe, z aluminium
- Zawiasy wyczepiane, z noskami prowadzącymi, tworzywo sztuczne
- Zawiasy z czujnikiem bezpieczeństwa
- Zawiasy, wyczepiane ze stali nierdzewnej
- Zawiasy ze stali lub stali nierdzewnej spawalne
- Zawiasy z otworami fasolkowymi, cynkowy odlew ciśnieniowy
- Zawiasy sprężynowe z profilu aluminiowego 0,50 Nm
- Zawiasy wyczepiane, prawe, z aluminium
- Zawiasy z zatrzaskiem, tworzywo sztuczne
- Zawiasy z czujnikiem bezpieczeństwa wersja długa
- Zawiasy przykręcane ze stali lub stali nierdzewnej
- Zawiasy przykręcane ze stali lub stali nierdzewnej, kształt C, wersja prawa
- Zawiasy przykręcane ze stali lub stali nierdzewnej, kształt D, wersja lewa
- Zawiasy przykręcane ze stali lub stali nierdzewnej, kształt E, prostokątne
- Zawiasy przykręcane ze stali lub stali nierdzewnej, kształt A, długie ramię
- Zawiasy przykręcane ze stali lub stali nierdzewnej, kształt B, skrócone ramię
- Zawiasy sprężynowe ze stali, stali nierdzewnej lub aluminium 50 mm
- Zawiasyz zaciskiem, cynkowy odlew ciśnieniowy
- Zawiasy sprężynowe z profilu aluminiowego 0,7 Nm, wersja długa
- Zawiasy wyczepiane z aluminium
- Zawiasyz nastawnym tarciem, tworzywo sztuczne
- Łączniki wtykowe M8x1tuleja ze śrubą blokującą nieekranowana
- Zawiasy stalowe, niewymagające konserwacji
- Zawiasy sprężynowe ze stali lub stali nierdzewnej 75 mm
- Zawiasy z cynkowego odlewu ciśnieniowego
- Zawiasy sprężynowe z profilu aluminiowego 0,9 Nm, wersja długa
- Zawiasy ze stali nierdzewnej
- Zawiasy z blachy stalowej lub blachy nierdzewnej
- Zawiasy z aluminium, z regulacją tarcia
- Łączniki wtykowe, tuleja M12x1 ze śrubą blokującą
- Zawiasy sprężynowe ze stali, stali nierdzewnej lub aluminium 120 mm
- Zawiasy z cynkowego odlewu ciśnieniowego, regulowane
- Zawiasy
- Magnesy
- Magnesy rozwidlone
- Magnesy surowe
- Magnesy sztabkowe
- Magnesy z trzpieniem gwintowanym z NdFeB, powierzchnia przylegająca gumowana
- Magnesy okrągłe (sztabkowe) z AINiCo z tolerancją pasowania
- Magnesy okrągłe (sztabkowe) z AINiCo bez tolerancji pasowania
- Magnesy okrągłe z czopem (sztabkowe) z AINiCo
- Magnesy okrągłe (sztabkowe) z SmCo
- Magnesy okrągłe (sztabkowe) z NdFeB
- Magnesy okrągłe z obrobioną powierzchnią przylegającą z NdFeB
- Magnesy okrągłe z gwintem wewnętrznym (sztabkowe) z NdFeB
- Magnesy płaskie
- Magnesy z gwintem wewnętrznym z twardego ferrytu z obudową ze stali nierdzewnej
- Magnesy z gwintem wewnętrznym z twardego ferrytu
- Magnesy z SmCo
- Gumowe osłony do magnesów
- Magnesy z NdFeB
- Magnesy z hakiem z NdFeB
- Magnesy z otworem cylindrycznym z twardego ferrytu
- Magnesy z otworem cylindrycznym z SmCo z obudową ze stali nierdzewnej
- Magnesy z otworem fazowanym z twardego ferrytu
- Magnesy z otworem fazowanym z twardego ferytu z obudową ze stali nierdzewnej
- Magnesy z otworem fazowanym z SmCo
- Magnesy z twardego ferrytu
- Magnesy z otworem fazowanym z NdFeB
- Magnesy z gwintem z twardego ferrytu
- Magnesy z gwintem wewnętrznym z NdFeB
- Magnesy z osłoną gumową
- Magnesy mocujące
- Stopki wychylne
- Stopki, Stopki antywibracyjne
- Stopki antywibracyjne typ H2
- Stopki wahliwe w wersji Hygienic DESIGN
- Talerzyki do stopek wahliwych tworzywo sztuczne
- Nóżki poziomujące
- Stopki antywibracyjne
- Zaślepki regulowane z tworzywa sztucznego do rur okrągłych i kwadratowych
- Stopki z talerzykiem okrągłym
- Zaślepki regulowane z tworzywa sztucznego z wkładką antypoślizgową do rur okrągłych i kwadratowych
- Zaślepki regulowane z tworzywa sztucznego z wkładką antypoślizgową do rur okrągłych i kwadratowych, kształt C, prostokątna
- Zaślepki regulowane z tworzywa sztucznego z wkładką antypoślizgową do rur okrągłych i kwadratowych, kształt A, okrągła
- Zaślepki regulowane z tworzywa sztucznego z wkładką antypoślizgową do rur okrągłych i kwadratowych, kształt B, kwadratowa
- Stopki wahliwe
- Stopki z talerzykiem okrągłym z kołnierzem sześciokątnym
- Zaślepki regulowane z tworzywa sztucznego z filcową powierzchnią ślizgową do rur okrągłych i kwadratowych
- Śruby przegubowe ze stali lub stali nierdzewnej
- Stopki z talerzykiem sześciokątnym
- Zaślepki z tworzywa sztucznego z filcową powierzchnią ślizgową do rur okrągłych i kwadratowych
- Zaślepki z tworzywa sztucznego z filcową powierzchnią ślizgową do rur okrągłych i kwadratowych, kształt A, okrągła
- Zaślepki z tworzywa sztucznego z filcową powierzchnią ślizgową do rur okrągłych i kwadratowych, kształt B, kwadratowa
- Zaślepki z tworzywa sztucznego z filcową powierzchnią ślizgową do rur okrągłych i kwadratowych, kształt C, prostokątna
- Stopki dociskowe
- Stopki z talerzykiem radełkowanym
- Stopki wychylnestalowe ze śrubą drążoną
- Stopki dociskowe tłumiące drgania
- Stopki wychylne
- Stopki wychylne – stal nierdzewna
- Nóżkitłumiące drgania
- Stopki wychylne stal lub stal nierdzewna
- Stopki wychylne ze stali nierdzewnejzgodne z FDA
- Nastawne nóżki do przyrządówdo profili aluminiowych
- Stopki poziomujące stal nierdzewna dla obszarów sterylnych
- Nastawne nóżki do przyrządów
- Stopki wahliwe stal
- Akcesoria do stopek regulowanych
- Trzpienie i talerze
- Talerzyki do stopek wahliwychtworzywo sztuczne
- Talerzyki do stopek wychylnych cynkowy odlew ciśnieniowy
- Talerzyki do stopek wahliwych antystatyczne
- Trzpienie do stopek wychylnych ECOstal lub stal nierdzewna
- Talerzyki do stopek wahliwych cynkowy odlew ciśnieniowy lub stal nierdzewna
- Talerzyki do stopek wychylnych – cynkowy odlew ciśnieniowy lub stal nierdzewna, typ A
- Talerzyki do stopek wychylnych – cynkowy odlew ciśnieniowy lub stal nierdzewna, typ B
- Talerzyki do stopek wychylnych – cynkowy odlew ciśnieniowy lub stal nierdzewna, typ C
- Talerzyki do stopek wychylnych – cynkowy odlew ciśnieniowy lub stal nierdzewna, typ D
- Talerzyki do stopek wychylnych ECOcynkowy odlew ciśnieniowy , stal nierdzewna lub tworzywo sztuczne
- Talerzyki do stopek wahliwych tworzywo sztuczne
- Trzpienie do stopek wychylnych stal lub stal nierdzewna
- Talerzyki ze wspornikiem do stopek wahliwych cynkowy odlew ciśnieniowy
- Talerzyki do stopek wychylnychstal lub stal nierdzewna
- Talerzyki do stopek wahliwych stal nierdzewna
- Talerzyki do stopek z gumową powłoką – stal lub stal nierdzewna
- Talerzyki do stopek wahliwychtłumiące drgania
- Śruby drążone do stopek wychylnych ze stali
- Trzpienie do stopek wychylnychstal lub stal nierdzewna
- Talerzyk do stopek wychylnych ze stali
- Talerzyki do stopek wychylnychtworzywo sztuczne
- Talerzyki do stopek wahliwych, tworzywo sztuczne, typ A
- Talerzyki do stopek wahliwych, tworzywo sztuczne, typ B
- Talerzyki do stopek wahliwych, tworzywo sztuczne, typ C
- Talerzyki do stopek wahliwych, tworzywo sztuczne, typ D
- Talerzyki do stopek wahliwych, tworzywo sztuczne, typ E
- Talerzyki do stopek wahliwych, tworzywo sztuczne, typ F
- Trzpienie do stopek wahliwychstal lub stal nierdzewna
- Talerzyki do stopek wychylnych ciężkie, tworzywo sztuczne
- Główki kulistez gwintem wewnętrznym
- Talerzyki do stopek wychylnychcynkowy odlew ciśnieniowy lub stal nierdzewna
- Elementy dociskowe i pokrętła dociskowe
- Stopki, Stopki antywibracyjne
- Elementy tłumiące
- Amortyzator gumowy
- Amortyzatory gumowe, stal, typ DS przyssawka z gwintem zewnętrznym
- Podpora O-kształtna stal z dwustronnym gwintem zewnętrznym
- Amortyzatory gumowe, stal lub stal nierdzewna, typ A cylindryczne z dwustronnym gwintem zewnętrznym
- Amortyzatory gumowe stal, typ E, cylindryczne z gwintem wewnętrznym
- Izolatory łączące z neoprenu, dwuczęściowe
- Amortyzatory gumowe, stal typu AT zwężone z dwustronnym gwintem zewnętrznym
- Amortyzatory gumowe stal nierdzewna, typ E, cylindryczne z gwintem wewnętrznym, kolor szary
- Element sufitowy gumowo-metalowy
- Amortyzatory gumowe, stal lub stal nierdzewna, typ B cylindryczne z gwintem wewnętrznym i gwintem zewnętrznym
- Amortyzator gumowy typu TP, czyli odbojnik drzwiowy
- Amortyzatory gumowe, stal nierdzewna, typ K stożkowe z gwintem zewnętrznym, kolor szary
- Amortyzatory gumowe, stal nierdzewna, typ B cylindryczne z gwintem wewnętrznym i gwintem zewnętrznym, kolor szary
- Amortyzatory gumowe, stal, typ KP paraboliczne z gwintem zewnętrznym
- Amortyzatory gumowe stal, typ K stożkowe z gwintem wewnętrznym
- Amortyzatory gumowe, stal lub stal nierdzewna, typ C cylindryczne z dwustronnym gwintem wewnętrznym
- Amortyzatory gumowe, stal, typ K stożkowe z gwintem zewnętrznym
- Amortyzatory gumowe ze stali nierdzewnej, typ EK stożkowe z gwintem wewnętrznym, szare
- Amortyzatory gumowe, stal nierdzewna, typ C cylindryczne z dwustronnym gwintem wewnętrznym, kolor szary
- Amortyzatory gumowe, stal nierdzewna, typ K stożkowe z gwintem zewnętrznym kolor niebieski zgodne z FDA
- Amortyzatory gumowe stal, typ KV czworokątne z gwintem zewnętrznym
- Amortyzatory gumowe stal, typ CT, zwężone z dwustronnym gwintem wewnętrznym
- Amortyzatory gumowe ze stali nierdzewnej, typ EK stożkowe z gwintem wewnętrznym niebieskim zgodne z FDA
- Amortyzatory gumowe stal nierdzewna, typ KV czworokątne z gwintem zewnętrznym, kolor szary
- Amortyzatory gumowe, stal lub stal nierdzewna, typ D cylindryczne z gwintem zewnętrznym
- Amortyzatory gumowe stal, typ KE, kuliste z dwustronnym gwintem wewnętrznym
- Amortyzatory gumowe, stal nierdzewna, typ D cylindryczne z gwintem zewnętrznym, kolor szary
- Amortyzatory gumowe, stal, typ KRA kulisty z gwintem zewnętrznym
- Amortyzatory gumowe, stal nierdzewna, typ D cylindryczne z gwintem zewnętrznym kolor niebieski zgodne z FDA
- Szyny odbojnikowe gumowe stal
- Amortyzator gumowy
- Złączki i łączniki, złącza profilowe
- Systemy mocujące
- Systemy mocowania przedmiotu obrabianego
- Elementy pozycjonujące
- Elementy podporowe i separujące
- Elementy podporowe stalowe
- Element podporowy okrągły
- Słupy dystansowe stalowe do podpórek dystansowych nastawnych
- Elementy poziomujące nastawne z płaską podporą i stopką magnetyczną, aluminium
- Elementy pozycjonujące stożkowe
- Podpory dystansowe precyzyjne
- Nasadka kulkowa, płytka centrująca, nasadki pryzmatyczne, nasadki ustalające, nasadka z obrotową kulką
- Śruby podpierające
- Bloki podporowe
- Podpory śrubowe Atlas z przeciwnakrętką
- Słupy dystansowe
- Podpory nastawne
- Podpory dystansowe nastawne
- Stopka dociskowa
- Listwy mocujące do elementów do przyrządów
- Nakładki mocujące
- Elementy separujące nastawne
- Elementy podporowe stalowe z otworami fasolkowymi
- Element podporowy
- Łącznik zaciskowy 5D
- Mechanizm wyrównujący
- Elementy podporowe z regulacją wysokości
- Zaczepy przedmiotu obrabianego magnetyczne
- Elementy podporowe nastawne
- Element podporowy nadaje się do automatyzacji
- [-de-] Anschläge 4-seitig für T-Nuten und Rastersysteme
- Elementy poziomujące nastawne z płaską podporą, stal
- Elementy podporowe cylindryczne
- Pryzmy
- Uniwersalne podkładki mocujące
- Elementy poziomujące nastawne z płaską podporą, stal nierdzewna
- Element podporowy nastawny
- Element podporowy mimośrodowy
- Płyty adaptacyjne do rowków teowych i systemów rastrowych
- Elementy poziomujące nastawne z płaską podporą, aluminium
- Kształtowy system mocowania
- Tuleje zaciskowe do mocowania zewnętrznego i wewnętrznego
- Trzpień zaciskający do mocowania wewnętrznego
- Zacisk CENTRICclamp pneumatyczny
- Podpora ustalająca
- Tuleja zaciskowa do mocowania zewnętrznego
- Tuleja zaciskowa do mocowania wewnętrznego
- Trzpień stożkowy do tulei zaciskowej do mocowania wewnętrznego
- Tuleja zaciskowa mechaniczna
- Płytki montażowe do tulei zaciskowych mechanicznych
- Mechanizm zaciskowy pneumatyczny do samodzielnego montażu
- Mechanizmy zaciskowe do mocowania zewnętrznego
- Mechanizm zaciskowy pneumatyczny do płyt z siatką otworów
- Mechanizm CENTRICclamp prostokątny
- Wspornik przedmiotu obrabianego
- Łapa dociskowa do wspornika przedmiotu obrabianego
- Trzpienie mocujące z główką kulistą do wspornika przedmiotu obrabianego
- Zestaw wsporników przedmiotu obrabianego z kufrem
- Wspornik przedmiotu obrabianego
- Tuleje dystansowe do wspornika przedmiotu obrabianego
- Element pozycjonujący do wspornika przedmiotu obrabianego
- Podpora magnetyczna do wspornika przedmiotu obrabianego
- Zestaw montażowy do rowków teowych do wspornika przedmiotu obrabianego
- Zestaw montażowy do systemów mocowania z puntem zerowym do wspornika przedmiotu obrabianego
- Napinacz łańcuchowy
- Imadłowe systemy mocowania
- Imadło samocentrujące
- Szczęki nasadzane do imadeł samocentrujących, szerokość szczęk 65 mm
- Szczęki nasadzane do imadeł samocentrujących, szerokość szczęk 80-125 mm
- Szczęki wkręcane do imadeł samocentrujących 65-80-125 mm
- Szczęki pryzmatyczne dla imadeł samocentrujących 65-80-125 mm
- Blokady przegubowe
- Płyta podstawowa do imadła samocentrującego
- Imadło samocentrujące szerokość szczęk 65 mm
- Imadło samocentrujące szerokość szczęk 80 - 125 mm
- Nasadzana szczęka regulowana
- Nasadzana szczęka regulowana do obróbki 5-osiowej
- Nakładki do szczęk mocujących
- Imadło NC
- Wielokrotny system mocowania
- Podpory dystansowe przykręcane do wielokrotnego systemu mocowania
- Szczęka nakładana z naddatkiem obróbkowym do stełego ogranicznika DS i ES
- Szczęka nakładana z pryzmą do stałego ogranicznika DS i ES
- Zderzak przedmiotu obrabianego do wielokrotnego systemu mocowania
- Wielokrotne systemy mocowania, rozpieracze klinowe z dwóch stron szczęka stała ES
- Element dystansowy do zderzaka przedmiotu obrobionego wielokrotnego systemu mocowania
- Wielokrotne systemy mocowania, rozpieracze klinowe z dwóch stron szczęka stała DS
- Zestaw łap mocujących do wielokrotnego systemu mocowania
- Wielokrotne systemy mocowania, rozpieracze klinowe z jednej strony szczęka stała ES
- Teowy kamień żłobkowy do rozpieraczy klinowych
- Listwy bazowe do systemów wielokrotnego mocowania
- Rozpieracz klinowy ze szczęką stałą do wielokrotnego systemu mocowania
- Rozpieracz klinowy ze szczęką stałą do wielokrotnego systemu mocowania, forma A, powierzchnie mocowania gładkie
- Rozpieracz klinowy ze szczęką stałą do wielokrotnego systemu mocowania, forma B, powierzchnie mocowania żłobkowane
- Rozpieracz klinowy ze szczęką stałą do wielokrotnego systemu mocowania, forma C, ze stopniem
- Rozpieracz klinowy ze szczęką stałą do wielokrotnego systemu mocowania, forma D, z naddatkiem obróbkowym
- Rozpieracz klinowy ze szczęką stałą do wielokrotnego systemu mocowania, forma E, z pinami mocującymi
- Stały ogranicznik ES do wielokrotnego systemu mocowania
- Stała szczęka DS do wielokrotnego systemu mocowania
- Stacjonarne uchwyty szczękowe
- Imadło 3-osioweImadło 5-osiowe
- Adaptery do obróbki detali okrągłych
- Śruby pasowane forma B
- Tuleje dystansowe z nakrętką
- Imadło 3-osiowe do siatki otwórów M.T.P
- Blokada boczna do imadeł 3- i 5-osiowych
- Imadło 3-osiowe do rowków teowych
- Zestaw mocujący do rowków teowych
- Imadło 5-osiowe do siatki otwórów M.T.P
- Płyta z rowkami teowymi
- Imadło 5-osiowe do rowków teowych
- Adaptery podwyższające
- Listwy bazowe
- Szczęka mocująca standardowa
- Szczęka mocująca gładka
- Szczęka mocująca
- Imadło 5-osiowe KIPPflexXImadło 5-osiowe kompaktowe
- Tuleje dystansowe
- Szczęki wewnętrzne Imadła 5-osiowe kompaktowe
- Imadło 5-osiowe KIPPflexX szczęki mocujące gładkie
- Blokada boczna do imadeł 5-osiowych kompaktowych i KIPPflexX
- Szczęki mocujące gładkie do szczęka wewnętrzna
- Imadło 5-osiowe kompaktowe szczęki mocujące gładkie
- Zestaw łap mocujących
- Szczęki mocujące z pinami do szczęka wewnętrzna
- Szczęki mocujące gładkie powlekane węglikiem spiekanym
- Piny mocujące
- Klucz dynamometryczny do imadeł 5-osiowych
- Szczęki mocujące gładkie
- Sprzęgło do mocowania krzyżowego
- Szczęki mocujące z pinami
- Szczęki wewnętrzne imadła 5-osiowego KIPPflexX
- Szczęka mocująca kombi z powierzchnią gładką i z pinami
- Płyty bazowe imadło 5-osiowe KIPPflexX
- Szczęki mocujące z naddatkiem obróbkowym
- Płyty bazowe Imadła 5-osiowe kompaktowe
- Zestaw elementów mocujących okrągłych
- Szczęki wahliwe Imadła 5-osiowe kompaktowe
- Podpory do zaciskania
- Nakładki mocujące gładkie do szczęka wahliwa Imadła 5-osiowe kompaktowe
- Listwy bazowe przykręcane
- Nakładki mocujące z pinami do szczęka wahliwa Imadła 5-osiowe kompaktowe
- Imadło samocentrujące
- Modułowe systemy mocowania
- Elementy bazowe
- Kolumna mocująca z żeliwa szarego z rowkami teowymi
- Jednostronna płyta mocująca pionowa z żeliwa szarego szeroka, ze wstępnie obrobionymi powierzchniami mocowania
- Wieże mocujące z żeliwa szarego 4-stronne ze wstępnie obrobionymi powierzchniami mocowania
- Jednostronna płyta mocująca pionowa z żeliwa szarego szeroka, z siatką otworów
- Wieże mocujące z żeliwa szarego 4-stronne z siatką otworów
- Jednostronna płyta mocująca pionowa z żeliwa szarego szeroka, z rowkami teowymi
- Wieże mocujące z żeliwa szarego 6-stronne ze wstępnie obrobionymi powierzchniami mocowania
- Kątownik mocujący z rowkami teowymi lub bez żeliwo szare
- Wieże mocujące z żeliwa szarego 6-stronne z siatką otworów
- Wieże mocujące z żeliwa szarego 8-stronne ze wstępnie obrobionymi powierzchniami mocowania
- Wieże mocujące z żeliwa szarego 8-stronne z siatką otworów
- Dwustronna płyta mocująca pionowa z żeliwa szarego, ze wstępnie obrobionymi powierzchniami mocowania
- Dwustronna płyta mocująca pionowa z żeliwa szarego z siatką otworów
- Płyty bazowe z żeliwa szarego z siatką otworów
- Dwustronna płyta mocująca z żeliwa szarego, z rowkami teowymi
- Płyty bazowe z żeliwa szarego z rowkami teowymi
- Płyta bazowa pionowa dwustronna bez siatki otworów M.T.P.
- Palety z żeliwa szarego ze wstępnie obrobionymi powierzchniami mocowania
- Płyta bazowa z żeliwa szarego, dwustronna, do płyt wymiennych
- Palety z żeliwa szarego z siatką otworów
- Płyty wymienne z żeliwa szarego ze wstępnie obrobionymi powierzchniami mocowania
- Palety z żeliwa szarego z rowkami teowymi
- Płyty wymienne z żeliwa szarego z siatką otworów
- Kolumna mocująca z żeliwa szarego ze wstępnie obrobionymi powierzchniami mocowania
- Płyty bazowe z żeliwa szarego okrągłe z siatką otworów
- Kolumna mocująca z żeliwa szarego z siatką otworów
- Płyty bazowe z żeliwa szarego okrągłe z rowkami teowymi
- Elementy dodatkowe
- Wsporniki z żeliwa szarego mini z siatką otworów
- Podpory dystansowe z żeliwa szarego forma H, wersja krótka
- Podpory dystansowe z żeliwa szarego forma H, wersja długa
- Bloki montażowe forma M
- Podpory dystansowe forma D
- Podpory dystansowe forma M
- Jednostronna płyta mocująca pionowa z żeliwa szarego, wąska, ze wstępnie obrobionymi powierzchniami mocowania
- Podpory dystansowe forma E
- Jednostronna płyta mocująca pionowa z żeliwa szarego, wąska, z siatką otworów
- Wsporniki z żeliwa szarego ze wstępnie obrobionymi powierzchniami mocowania
- Wsporniki z żeliwa szarego z siatką otworów
- Wsporniki z żeliwa szarego mini ze wstępnie obrobionymi powierzchniami mocowania
- Elementy złączne, wyposażenie
- Podkładki dystansowe szlifowane
- Podpora dystansowa
- Kamienie do rowków teowych
- Kołki ustalające
- Kamienie ustalające
- Kolek ustalający centrujacy
- Podkładki obrotowe ze śrubą kołnierzową
- Kołek ustalający
- Ściągacz
- Tuleje ustalające
- Tulejki pozycjonujące
- Zaślepka ochronna aluminiowa
- Zaślepki ochronne aluminiowe
- Tulejka gwintowana
- Nakrętki sześciokątne 3D wysokie
- Elementy bazowe
- Systemy mocowania z punktem zerowym
- System mocowania z punktem zerowym
- UNILOCK trzpień ochronny do modułu mocującego
- Stanowisko mocowania UNILOCK
- UNILOCK zaślepka ochronna do modułu mocującego
- Moduł mocujący UNILOCK ASM 99
- Łapa mocująca UNILOCK do stanowisk mocowania UNILOCK
- Moduł mocujący UNILOCK ERGO 138
- Moduł mocujący UNILOCK ESM 138-C
- Moduł mocujący UNILOCK ESA 138
- Adapter redukcyjny UNILOCK, rozmiar systemowy 138 mm
- Moduł mocujący UNILOCK EFM 138
- Moduł mocujący UNILOCK ESM 176
- Moduł mocujący UNILOCK EGM 110-75
- Sprzęg paletowy do modułu mocującego UNILOCK EGM 110-75
- Moduły mocujące UNILOCK
- UNILOCK palety wymienne do systemu mocowania z punktami zerowymi
- Trzpienie mocujące UNILOCK rozmiar systemowy 80 mm
- Sworznie mocujące UNILOCK z otworem przelotowym, rozmiar systemowy 80 mm
- Wyrównawcze sworznie mocujące UNILOCK rozmiar systemowy 80 mm
- Sworznie mocujące typu jaskółczy ogon UNILOCK rozmiar systemowy 80 mm
- 5-osiowy modułowy system 80 mm
- 5-osiowy moduł mocujący do nadbudowania UNILOCK rozmiar systemowy 80 mm
- 5-osiowy adapter do uchwytów płaskich UNILOCK rozmiar systemowy 80 mm
- 5-osiowy adapter redukcyjny UNILOCK rozmiar systemowy 80 mm
- 5-osiowy trzpień mocująco-centrujący UNILOCK do rowków teowych, rozmiar systemowy 80 mm
- Trzpienie mocujące UNILOCK z trzpieniem gwintowanym, rozmiar systemowy 80 mm
- 5-osiowy sworzeń mocujący UNILOCK do mocowania przedmiotu obrabianego, rozmiar systemowy 80 mm
- 5-osiowy moduł bazowy UNILOCK Rozmiar systemowy 80 mm
- Śruby pasowane UNILOCK rozmiar systemowy 80 mm
- 5-osiowy moduł bazowy UNILOCK mocowanie podwójne, rozmiar systemowy 80 mm
- Śruby pasowane UNILOCK do mocowania przedmiotu obrabianego, rozmiar systemowy 80 mm
- 5-osiowy moduł bazowy VARIO UNILOCK wielkość systemu 80 mm
- Centrujący pin mocujący UNILOCK rozmiar systemowy 80 mm
- 5-osiowy moduł bazowy DUO UNILOCK wielkość systemu 80 mm
- Klucz dynamometryczny do 5-osiowych systemów mocujących
- UNILOCK 5-osiowa podpora montażowa do mocowania uniwersalnego, rozmiar systemowy 80 mm
- 5-osiowy modułowy system 50 mm
- 5-osiowy modułowy system 138
- System mocowania z punktem zerowym
- Systemy mocowania przedmiotu obrabianego
- Inch
- Rękojeści nastawne, dźwignie mimośrodowe, dźwignie mocujące - inch
- Rękojeści nastawne - inch
- Rękojeści nastawne z cynkowego odlewu ciśnieniowego płaskie z gwintem wewnętrznym, wstawka gwintowa stalowa oksydowana - inch
- Rękojeści nastawne z tworzywa sztucznego z gwintem zewnętrznym i przyciskiem, wstawka gwintowa ze stali nierdzewnej - inch
- Rękojeści nastawne z cynkowego odlewu ciśnieniowego z gwintem zewnętrznym, wstawka gwintowa stalowa oksydowana - inch
- Rękojeści nastawne z cynkowego odlewu ciśnieniowego płaskie z gwintem zewnętrznym, wstawka gwintowa stalowa oksydowana - inch
- Rękojeści nastawne ECO z tworzywa sztucznego z gwintem zewnętrznym, wstawka gwintowa stalowa pasywowana na niebiesko - inch
- Rękojeści nastawne z cynkowego odlewu ciśnieniowego z gwintem wewnętrznym, wstawka gwintowa ze stali nierdzewnej - inch
- Rękojeści nastawne z gwintem wewnętrznym, wstawka gwintowana ze stali nierdzewnej, satynowane - inch
- Rękojeści nastawne z gwintem wewnętrznym, wstawka gwintowa ze stali nierdzewnej, matowe strukturalne - inch
- Rękojeści nastawne z gwintem wewnętrznym, wstawka gwintowa ze stali nierdzewnej, niepowlekane - inch
- Rękojeści nastawne cynkowe z gwintem wewnętrznym, wstawka gwintowana ze stali nierdzewnej, chromowane - inch
- Rękojeści nastawne z cynkowego odlewu ciśnieniowego płaskie z gwintem wewnętrznym, wstawka gwintowa ze stali nierdzewnej - inch
- Rękojeści nastawne 2K z gwintem wewnętrznym, wstawka gwintowa stalowa oksydowana - inch
- Rękojeści nastawne z cynkowego odlewu ciśnieniowego z gwintem zewnętrznym, wstawka gwintowa ze stali nierdzewnej - inch
- Rękojeści nastawne z gwintem zewnętrznym, części stalowe nierdzewne, niepowlekane - inch
- Rękojeści nastawne z gwintem zewnętrznym, części stalowe ze stali nierdzewnej, chromowany na wysoki połysk - inch
- Rękojeści nastawne z gwintem zewnętrznym, części stalowe nierdzewne, satynowane - inch
- Rękojeści nastawne z gwintem zewnętrznym, części stalowe nierdzewne, matowe strukturalne - inch
- Rękojeści nastawne z cynkowego odlewu ciśnieniowego płaskie z gwintem zewnętrznym, wstawka gwintowa ze stali nierdzewnej - inch
- Rękojeści nastawne 2K z gwintem zewnętrznym, wstawka gwintowa stalowa oksydowana - inch
- Rękojeści nastawne z gwintem wewnętrznym i kołpakiem ochronnym, satynowane – inch
- Rękojeści nastawne z tworzywa sztucznego z gwintem wewnętrznym, wstawka gwintowa stalowa oksydowana - inch
- Rękojeści nastawne 2K z gwintem wewnętrznym, wstawka gwintowa ze stali nierdzewnej - inch
- Rękojeści nastawne z gwintem wewnętrznym i kołpakiem ochronnym, matowe strukturalne - inch
- Rękojeści nastawne z tworzywa sztucznego z gwintem zewnętrznym, wstawka gwintowa stalowa oksydowana - inch
- Rękojeści nastawne 2K z gwintem zewnętrznym, wstawka gwintowa ze stali nierdzewnej - inch
- Rękojeści nastawne z gwintem zewnętrznym i kołpakiem ochronnym, satynowane - inch
- Rękojeści nastawne z tworzywa sztucznego z gwintem wewnętrznym, wstawka gwintowa ze stali nierdzewnej - inch
- Rękojeści nastawne stalowe, z gwintem wewnętrznym, kolor rubinowy, wstawka gwintowana stalowa oksydowana - inch
- Rękojeści nastawne ECO z tworzywa sztucznego z gwintem wewnętrznym, wstawka gwintowa stalowa pasywowana na niebiesko - inch
- Rękojeści nastawne z gwintem zewnętrznym i kołpakiem ochronnym, matowe strukturalne - inch
- Rękojeści nastawne z tworzywa sztucznego z gwintem zewnętrznym, wstawka gwintowa ze stali nierdzewnej - inch
- Rękojeści nastawne stalowe z gwintem wewnętrznym, wstawka gwintowa stalowa oksydowana - inch
- Rękojeści nastawne stalowe z gwintem wewnętrznym, powlekane lakierem młotkowym, wstawka gwintowana stalowa oksydowana – inch
- Rękojeści nastawne z gwintem wewnętrznym i kołpakiem ochronnym, części stalowe nierdzewne, satynowane – calowe
- Rękojeści nastawne z tworzywa sztucznego z gwintem wewnętrznym i przyciskiem, wstawka gwintowa stalowa oksydowana - inch
- Rękojeści nastawne stalowe, z gwintem zewnętrznym, rubinowe, wstawka gwintowana stalowa oksydowana - inch
- Rękojeści nastawne stalowe z gwintem zewnętrznym, powlekane lakierem młotkowym, wstawka gwintowana stalowa oksydowana – inch
- Rękojeści nastawne z gwintem zewnętrznym i kołpakiem ochronnym, części stalowe nierdzewne, satynowane - inch
- Rękojeści nastawne z tworzywa sztucznego z gwintem zewnętrznym i przyciskiem, wstawka gwintowa stalowa oksydowana - inch
- Rękojeści nastawne stalowe z gwintem zewnętrznym, wstawka gwintowa stalowa oksydowana - inch
- Rękojeści nastawne z gwintem zewnętrznym i kołpakiem ochronnym, części stalowe nierdzewne, matowe strukturalne - inch
- Rękojeści nastawne z tworzywa sztucznego z gwintem wewnętrznym i przyciskiem, wstawka gwintowa ze stali nierdzewnej - inch
- Rękojeści nastawne z cynkowego odlewu ciśnieniowego z gwintem wewnętrznym, wstawka gwintowa stalowa oksydowana - inch
- Dźwignie mocujące
- dźwignie mocujące płaskie - inch
- Dźwignie nastawne płaskie z gwintem zewnętrznym - inch
- Dźwignie nastawne z gwintem wewnętrznym - inch
- Dźwignie nastawne z gwintem zewnętrznym - inch
- Dźwignie nastawne nierdzewne z gwintem wewnętrznym - inch
- Dźwignie nastawne nierdzewne z gwintem zewnętrznym - inch
- Dźwignie nastawne płaskie z gwintem wewnętrznym - inch
- dźwignie mocujące płaskie - inch
- Dźwignia mimośrodowa – inch
- Dźwignie mimośrodowe ze stali z gwintem wewnętrznym, podkładka dociskowa z tworzywa sztucznego - inch
- Dźwignie mimośrodowe ze stali nierdzewnej z gwintem wewnętrznym, podkładka dociskowa z tworzywa sztucznego - inch
- Dźwignie mimośrodowe z tworzywa sztucznego z gwintem wewnętrznym, podkładka dociskowa z tworzywa sztucznego i metalu - inch
- Dźwignie mimośrodowe aluminiowe z gwintem wewnętrznym, podkładka dociskowa z tworzywa sztucznego i metalu - inch
- Dźwignie mimośrodowe stalowe z gwintem wewnętrznym, podkładka dociskowa z tworzywa sztucznego i metalu - inch
- Dźwignie mimośrodowe ze stali nierdzewnej z gwintem wewnętrznym, podkładka dociskowa z tworzywa sztucznego i metalu - inch
- Dźwignia mimośrodowa nierdzewna z gwintem wewnętrznym, podkładka dociskowa nierdzewna - inch
- Dźwignie mimośrodowe z tworzywa sztucznego z gwintem wewnętrznym, podkładka dociskowa z tworzywa sztucznego - inch
- Dźwignie mimośrodowe aluminiowe z gwintem wewnętrznym, podkładka dociskowa z tworzywa sztucznego - inch
- Rękojeści nastawne - inch
- Uchwyty, pokrętła – inch
- Nakrętki radełkowane
- śruby radełkowane
- Pokrętła krzyżowe
- pokrętła gwiaździste
- pokrętła mocujące - inch
- Pokrętła gwiaździste zbliżone do DIN 6336, stal nierdzewna – calowe
- Pokrętła gwiaździste podobne do DIN 6336, stal nierdzewna, typ B, otwór przelotowy - inch
- Pokrętła gwiaździste podobne do DIN 6336, stal nierdzewna, typ C, otwór nieprzelotowy - inch
- Pokrętła gwiaździste podobne do DIN 6336, stal nierdzewna, typ D, nawiercony gwint - inch
- Pokrętła gwiaździste podobne do DIN 6336, stal nierdzewna, typ E, otwór nieprzelotowy gwintowany - inch
- Pokrętła gwiaździste podobne do DIN 6336, stal nierdzewna, typ L, z gwintem zewnętrznym - inch
- Pokrętła gwiaździste DIN 6336, z żeliwa szarego - inch
- Pokrętła gwiaździste DIN 6336, żeliwo szare, typ B, otwór przelotowy - inch
- Pokrętła gwiaździste DIN 6336, żeliwo szare, typ C, otwór nieprzelotowy - inch
- Pokrętła gwiaździste DIN 6336, żeliwo szare, typ D, gwint i powiercenie - inch
- Pokrętła gwiaździste DIN 6336, żeliwo szare, typ E, otwór nieprzelotowy gwintowany - inch
- Pokrętła gwiaździste z obsadzoną piastą - inch
- Pokrętła gwiaździste podobne do DIN 6336 - inch
- Pokrętła gwiaździste podobne do DIN 6336, gwint wewnętrzny bez pokrywy, forma D - inch
- Pokrętła gwiaździste podobne do DIN 6336, bez tulei z otworem pasowanym, forma G - inch
- Pokrętła gwiaździste podobne do DIN 6336, z tulejką pozycjonującą, forma H - inch
- Pokrętła gwiaździste podobne do DIN 6336, gwint wewnętrzny z pokrywą, forma K - inch
- Pokrętła gwiaździste podobne do DIN 6336, gwint zewnętrzny, typ L - inch
- Pokrętła gwiaździste z tworzywa szcztucznego DIN 6336 - inch
- Pokrętła gwiaździste podobne do DIN 6336, części stalowe ze stali nierdzewnej - inch
- Pokrętła gwiaździste podobne do DIN 6336, części stalowe ze stali nierdzewnej, gwint wewnętrzny, typ L - inch
- Pokrętła gwiaździste podobne do DIN 6336, elementy stalowe ze stali nierdzewnej, gwint wewnętrzny bez pokrywy, forma D - inch
- Pokrętła gwiaździste podobne do DIN 6336, elementy stalowe ze stali nierdzewnej, gwint wewnętrzny z pokrywą, forma K - inch
- Pokrętła gwiaździste z linką zabezpieczającą DIN 6336 - inch
- Pokretla gwiaździste z linką zabezpieczającą DIN 6336, części stalowe ze stali nierdzewnej - inch
- Uchwyty gwiazdowe z tworzywa sztucznego, z funkcją zabezpieczającą - inch
- Pokrętła krzyżowe podobne do DIN 6335, stal nierdzewna - inch
- Pokrętła krzyżowe podobne do DIN 6335, stal nierdzewna, typ B, otwór przelotowy - inch
- Pokrętła krzyżowe podobne do DIN 6335, stal nierdzewna, typ C, otwór nieprzelotowy - inch
- Pokrętła krzyżowe podobne do DIN 6335, stal nierdzewna, typ D, nawiercony gwint - inch
- Pokrętła krzyżowe podobne do DIN 6335, stal nierdzewna, typ E, otwór nieprzelotowy gwintowany - inch
- Pokrętła gwiaździste pięcioramienne z tworzywa sztucznego z pokrywą, wkładka gwintowana ze stali lub stali nierdzewnej - inch
- Pokrętła krzyżowe DIN 6335, z żeliwa szarego - inch
- Pokrętła krzyżowe podobne do DIN 6335, żeliwo szare, forma D, nawiercony gwint - inch
- Pokrętła krzyżowe podobne do DIN 6335, żeliwo szare, typ E, otwór nieprzelotowy gwintowany - inch
- Pokrętła krzyżowe DIN 6335, żeliwo szare, typ B, otwór przelotowy - inch
- Pokrętła krzyżowe podobne do DIN 6335, żeliwo szare, typ C, otwór nieprzelotowy - inch
- Pokrętła gwiaździste zbliżone do DIN 6336, stal nierdzewna – calowe
- pokrętła mocujące - inch
- pokrętła gwiaździste
- Przyciski - inch
- Pokrętła motylkowe
- uchwyty T
- śruby z uchwytem - inch
- Pokrętła motylkowe nierdzewne - inch
- Pokrętła motylkowe z tworzywa sztucznego z pokrywą, wkładka gwintowana ze stali lub stali nierdzewnej - inch
- Pokrętła motylkowe z przelotowym gwintem wewnętrznym - inch
- Pokrętła motylkowe „Miniwing”, stal nierdzewna - inch
- Pokrętła motylkowe „Miniwing” - inch
- Pokrętła motylkowe „Miniwing” z przelotowym gwintem wewnętrznym - inch
- śruby z uchwytem - inch
- uchwyty T
- Uchwyty kuliste
- Ramiona dźwigni - inch
- Nakrętki radełkowane
- Uchwyty pałąkowe, uchwyty kasetowe, uchwyty profilowane - inch
- Koła ręczne, korby i uchwyty do kół ręcznych, wskaźniki położenia - inch
- Koła ręczne - inch
- Kółka ręczne 2-ramienne z tworzywa sztucznego, z rękojeścią składaną - inch
- Koła ręczne DIN 950 z żeliwa szarego - inch
- Koła ręczne DIN 950, z aluminium - inch
- Pokrętła 2-szprychowe aluminiowe, polerowane – inch
- Koła ręczne pełne, z aluminium - inch
- Koła ręczne pełne, podobne do DIN 950, z aluminium - inch
- Pokrętła ręczne z tworzywa sztucznego - inch
- Koła ręczne z rękojeścią obrotową - inch
- Koła ręczne ze składaną rękojeścią cylindryczną - inch
- Kółka ręczne 2-ramienne z tworzywa sztucznego - inch
- Pokrętła ręczne z tworzywa sztucznego (Duroplast) - inch
- Kółka ręczne 2-ramienne z tworzywa sztucznego, z rękojeścią obrotową - inch
- Kółka do pozycjonowania - inch
- Uchwyty do kół ręcznych - inch
- Korby - inch
- Koła ręczne - inch
- Stopki wychylne - inch
- Złączki i łączniki, złącza profilowe - inch
- Zatrzaski kulkowe oraz trzpieniowe, trzpienie ustalające, sworznie blokujące kulkowe, rygle blokujące - inch
- Zatrzaski kulkowe oraz trzpieniowe - inch
- Zatrzaski kulkowe z nacięciem do wkrętaka, stal, z zabezpieczeniem gwintu - inch
- Zatrzaski kulkowe z nacięciem do wkrętaka, stal - inch
- Zatrzaski kulkowe z nacięciem do wkrętaka, stal nierdzewna, z zabezpieczeniem gwintu - inch
- Zatrzaski kulkowe z nacięciem do wkrętaka, stal nierdzewna - inch
- Zatrzaski kulkowe z nacięciem do wkrętaka i trzpieniem dociskowym, stal, z zabezpieczeniem gwintu - inch
- Zatrzaski kulkowe z nacięciem do wkrętaka i trzpieniem dociskowym, stal - inch
- Zatrzaski kulkowe z nacięciem do wkrętaka i trzpieniem dociskowym, stal nierdzewna, z zabezpieczeniem gwintu - inch
- Zatrzaski kulkowe z nacięciem do wkrętaka i trzpieniem dociskowym, ze stali nierdzewnej - inch
- Zatrzaski kulkowe z gniazdem sześciokątnym, stal, z zabezpieczeniem gwintu - inch
- Zatrzaski kulkowe z gniazdem sześciokątnym, stal - inch
- Zatrzaski kulkowe z gniazdem sześciokątnym, stal nierdzewna, z zabezpieczeniem gwintu - inch
- Zatrzaski kulkowe z gniazdem sześciokątnym, stal nierdzewna - inch
- Zatrzaski trzpieniowe z gniazdem sześciokątnym i trzpieniem dociskowym, stal, z zabezpieczeniem gwintu - inch
- Zatrzaski trzpieniowe z gniazdem sześciokątnym i trzpieniem dociskowym, stal - inch
- Zatrzaski trzpieniowe z gniazdem sześciokątnym i trzpieniem dociskowym z POM, stal, z zabezpieczeniem gwintu - inch
- Zatrzaski trzpieniowe z gniazdem sześciokątnym i trzpieniem dociskowym z POM, stal - inch
- Sprężynowe zatrzaski z gniazdem sześciokątnym i trzpieniem dociskowym, stal nierdzewna, z zabezpieczeniem gwintu - inch
- Zatrzaski trzpieniowe z gniazdem sześciokątnym i trzpieniem dociskowym, ze stali nierdzewnej - inch
- Sprężynowe zatrzaski z gniazdem sześciokątnym i trzpieniem dociskowym z POM, stal nierdzewna, z zabezpieczeniem gwintu - inch
- Zatrzaski trzpieniowe z gniazdem sześciokątnym i trzpieniem dociskowym z POM, ze stali - inchnierdzewnej
- Dociski boczne z tuleją aluminiową i trzpieniem dociskowym z tworzywa sztucznego lub stali - inch
- Trzpienie ustalające - inch
- Trzpienie ustalające ze stali lub stali nierdzewnej z trzpieniem gwintowanym - inch
- Trzpienie ustalające stalowe z pokrętłem gwiaździstym pięcioramiennym z tworzywa sztucznego - inch
- Trzpienie ustalające ze stali lub stali nierdzewnej, bez kołnierza, z uchwytem grzybkowym z tworzywa sztucznego - inch
- Trzpienie ustalające ze stali nierdzewnej bez kołnierza z uchwytem grzybkowym ze stali nierdzewnej - inch
- Trzpienie ustalające ze stali lub stali nierdzewnej, bez kołnierza, z trzpieniem gwintowanym - inch
- Trzpienie ustalające ze stali lub stali nierdzewnej, wersja krótka z uchwytem grzybkowym z tworzywa sztucznego - inch
- Trzpienie ustalające ze stali lub stali nierdzewnej z uchwytem grzybkowym z tworzywa sztucznego - inch
- Trzpienie ustalające ze stali lub stali nierdzewnej z uchwytem grzybkowym z tworzywa sztucznego - inch
- Trzpienie ustalające ze stali lub stali nierdzewnej z uchwytem grzybkowym z tworzywa sztucznego i przeciwnakrętką - inch
- Trzpienie ustalające ze stali lub stali nierdzewnej z uchwytem grzybkowym z tworzywa sztucznego i rowkiem zatrzaskowym - inch
- Trzpienie ustalające ze stali nierdzewnej z uchwytem grzybkowym ze stali nierdzewnej - inch
- Trzpienie ustalające ze stali nierdzewnej z uchwytem grzybkowym ze stali nierdzewnej i rowkiem zatrzaskowym - inch
- Trzpienie ustalające ze stali nierdzewnej z uchwytem grzybkowym ze stali nierdzewnej - inch
- Trzpienie ustalające ze stali nierdzewnej z uchwytem grzybkowym ze stali nierdzewnej i przeciwnakrętką - inch
- Trzpienie ustalające ze stali lub stali nierdzewnej z uchwytem grzybkowym z tworzywa sztucznego, z pokrywą - inch
- Trzpienie ustalające stalowe z hakiem ciągnącym - inch
- Trzpienie ustalające ze stali z dźwignią mimośrodową z tworzywa sztucznego - inch
- Trzpienie ustalające z uchwytem jednoskrzydłowym - inch
- Zatrzaski kulkowe oraz trzpieniowe - inch
- Rękojeści nastawne, dźwignie mimośrodowe, dźwignie mocujące - inch
- Promocje
- Wyprzedaż
- Outlet
Menu
Menu
- arrow_forward Części do maszyn przemysłowych
- arrow_forward Elementy manipulacyjne
- arrow_forward Systemy mocujące
- arrow_forward Inch
-
arrow_forward
Promocje
-
3 284,00 zł 4 584,00 zł
-
Panel programowalny SIMATIC TP900 6AV2124-0JC01-0AX0
6 124,00 zł 6 574,00 zł -
Szczotka 00016 z łożyskiem do BOBST RL - wysokiej jakości odpowiednik
175,60 zł 235,00 zł -
Łopatki grafitowe Becker 90133000004, KDT/KVT 2.80/3.60/3.80, 170 mm
1 099,00 zł 1 299,00 zł -
Łopatki grafitowe Becker 90133400004, 240 mm, WN124-031
1 499,00 zł 1 767,00 zł -
Łopatki grafitowe Becker 90136701005, 355 mm, TLF250/360
4 960,00 zł 5 260,00 zł -
Przyssawka z wargą silikonową Bellows Cup 25 mm - B3.5-25-SIT
32,90 zł 54,80 zł -
Przyssawka z wargą silikonową Bellows Cup 25 mm - B3.5-25-SIT
32,90 zł 54,80 zł -
Przyssawka z wargą silikonową Bellows Cup 65 mm - B3.5-65-SIT
77,30 zł 128,80 zł -
Falownik EVS9327-EP Lenze serwo przemiennik, Nowy
29 900,00 zł 31 900,00 zł -
Podnośnik próżniowy VPF-57/20-AIR-I marki Anver, stan Nowy
5 980,00 zł 8 121,00 zł -
Pilz PNOZ XV3 774540 – przekaźnik bezpieczeństwa, wyłącznik awaryjny
1 249,00 zł 1 374,00 zł
-
-
arrow_forward
Wyprzedaż
-
Wkrętarka pneumatyczna Sumake ST-CP20
2 950,77 zł -
Wiertarka pneumatyczna ST-M5010
1 102,08 zł -
Klucz pneumatyczny Sumake ST-IW1640
733,08 zł -
Łańcuch do maszyny Kolbus BF 511
15 744,00 zł -
-
Czujnik optyczny SICK WT12L-2B550
2 902,80 zł -
Hamulec nożny TLCH żeliwny do 4000 kg
736,77 zł -
Wykładzina antypoślizgowa ACC Pro 250 mm
1 536,27 zł -
-
Moduł wejść analogowych CJ Omron CJ1W-AD081-V1
2 397,27 zł -
-
-
Pompa hydrauliczna J-RP38C23H-55Y-30
9 372,60 zł -
Wentylator San Ace 120 9GV1224C1D03
367,77 zł -
Lenze EVS9323-ES serwo‑przemiennik
4 918,77 zł
-
-
arrow_forward
Outlet
-
-
-
Dalmierz laserowy sensor O5D100
859,77 zł -
Enkodery inkrementalne SICK DBS36/50
1 105,77 zł -
Przekaźnik termiczny LRD340 30‑40A
490,77 zł -
Rexroth MSK040C-0450-NN-M1-UG0-NNNN
10 983,90 zł -
Ostrze do maszynki OSTER Hofmann MS40
170,97 zł -
-
-
Dysza Nordson 16024 oryginalna, nowa
1 340,70 zł -
Lenze EVS9323-ES serwo‑przemiennik
4 918,77 zł -
Przetwornik analogowo-cyfrowy Newtec ADC 188
2 915,10 zł
-
- arrow_forward Kontakt z nami
Left Banner
Pokazano 21-40 z 48 pozycji
Aktywne filtry
K0339.3410
TRZPIEN USTALAJACY RO.4 D1=M20X1,5, D=10, FORMA:C Z KLAMI PODPIERAJACYMI BEZ NAKRĘTKI ZABEZPIECZAJ, STAL
53,80 zł
K0339.3308
TRZPIEN USTALAJACY RO.3 D1=M16X1,5, D=8, FORMA:C Z KLAMI PODPIERAJACYMI BEZ NAKRĘTKI ZABEZPIECZAJ, STAL HARTOWANE,
52,64 zł
K0339.3206
TRZPIEN USTALAJACY RO.2 D1=M12X1,5, D=6, FORMA:C Z KLAMI PODPIERAJACYMI BEZ NAKRĘTKI ZABEZPIECZAJ, STAL HARTOWANE,
46,37 zł
K0339.3105
TRZPIEN USTALAJACY RO.1 D1=M10X1, D=5, FORMA:C Z KLAMI PODPIERAJACYMI BEZ NAKRĘTKI ZABEZPIECZAJ, STAL HARTOWANE,
41,62 zł
K0339.12410
TRZPIEN USTALAJACY RO.4 D1=M20X1,5, D=10, FORMA:B BEZ KLOW PODPIERAJACYCH Z NAKRĘTKI ZABEZPIECZAJĄCĄ, STAL
89,64 zł
K0339.12308
TRZPIEN USTALAJACY RO.3 D1=M16X1,5, D=8, FORMA:B BEZ KLOW PODPIERAJACYCH Z NAKRĘTKI ZABEZPIECZAJĄCĄ, STAL
86,00 zł
K0339.12206
TRZPIEN USTALAJACY RO.2 D1=M12X1,5, D=6, FORMA:B BEZ KLOW PODPIERAJACYCH Z NAKRĘTKI ZABEZPIECZAJĄCĄ, STAL
67,77 zł
K0339.12105
TRZPIEN USTALAJACY RO.1 D1=M10X1, D=5, FORMA:B BEZ KLOW PODPIERAJACYCH Z NAKRĘTKI ZABEZPIECZAJĄCĄ, STAL
57,58 zł
K0339.02410
TRZPIEN USTALAJACY RO.4 D1=M20X1,5, D=10, FORMA:B BEZ KLOW PODPIERAJACYCH Z NAKRĘTKI ZABEZPIECZAJĄCĄ, STAL
89,64 zł
K0339.02308
TRZPIEN USTALAJACY RO.3 D1=M16X1,5, D=8, FORMA:B BEZ KLOW PODPIERAJACYCH Z NAKRĘTKI ZABEZPIECZAJĄCĄ, STAL
86,00 zł
K0339.02206
TRZPIEN USTALAJACY RO.2 D1=M12X1,5, D=6, FORMA:B BEZ KLOW PODPIERAJACYCH Z NAKRĘTKI ZABEZPIECZAJĄCĄ, STAL
67,77 zł
K0339.02105
TRZPIEN USTALAJACY RO.1 D1=M10X1, D=5, FORMA:B BEZ KLOW PODPIERAJACYCH Z NAKRĘTKI ZABEZPIECZAJĄCĄ, STAL
57,58 zł
K0339.2410
TRZPIEN USTALAJACY RO.4 D1=M20X1,5, D=10, FORMA:B BEZ KLOW PODPIERAJACYCH Z NAKRĘTKI ZABEZPIECZAJĄCĄ, STAL
49,58 zł
K0339.2308
TRZPIEN USTALAJACY RO.3 D1=M16X1,5, D=8, FORMA:B BEZ KLOW PODPIERAJACYCH Z NAKRĘTKI ZABEZPIECZAJĄCĄ, STAL
46,42 zł
K0339.2206
TRZPIEN USTALAJACY RO.2 D1=M12X1,5, D=6, FORMA:B BEZ KLOW PODPIERAJACYCH Z NAKRĘTKI ZABEZPIECZAJĄCĄ, STAL
37,46 zł
K0339.2105
TRZPIEN USTALAJACY RO.1 D1=M10X1, D=5, FORMA:B BEZ KLOW PODPIERAJACYCH Z NAKRĘTKI ZABEZPIECZAJĄCĄ, STAL
33,71 zł
K0339.11410
TRZPIEN USTALAJACY RO.4 D1=M20X1,5, D=10, FORMA:A BEZ KLOW PODPIERAJACYCH BEZ NAKRĘTKI ZABEZPIECZAJ, STAL
86,54 zł
K0339.11308
TRZPIEN USTALAJACY RO.3 D1=M16X1,5, D=8, FORMA:A BEZ KLOW PODPIERAJACYCH BEZ NAKRĘTKI ZABEZPIECZAJ, STAL
80,28 zł
K0339.11206
TRZPIEN USTALAJACY RO.2 D1=M12X1,5, D=6, FORMA:A BEZ KLOW PODPIERAJACYCH BEZ NAKRĘTKI ZABEZPIECZAJ, STAL
63,69 zł
K0339.11105
TRZPIEN USTALAJACY RO.1 D1=M10X1, D=5, FORMA:A BEZ KLOW PODPIERAJACYCH BEZ NAKRĘTKI ZABEZPIECZAJ, STAL NIERDZEWNA
53,85 zł